《PC 制作、施工等技术要求》1预制构件制作:1.1模具1.1.1 模具应具有足够的刚度、强度和稳定性,并符合构件精度要求.1.1。2 制作模具的...
苏州市环保实验室、环境监测中心等技术业务用房绿色施工实施规划方案第一章 编制说明及编制依据第一节 编制说明苏州市环保实验室、环境监...
东北农用地分等技术报告汇编 农用地分等技术报告 XX 省 农用地分等技术报告 辽宁国土资源勘测设计院 二○一二年十二月 1 农用地分...
优化运维管理系统,通过运维管理系统等技术工具提升运维服务水平。扩充运维服务范围,让学校更多的信息化系统按照标准的运维工作体系开展运...
《混凝土预制构件制作、施工等技术要求》1预制构件制作:1.1模具1。1.1 模具应具有足够的刚度、强度和稳定性,并符合构件精度要求。1。1。2...
前 言第一节:目标承诺1、对投标文件的响应遵守招标文件的所有条件和招标书全部内容,并将这些条件和内容作为合同条件以全面履行总承包责任...
喷淋管道安装技术交底记录工程名称丰城市文化中心等城市配套服务项目设计采购施工(EPC)总承包工程-丰城市新安菜市场项目施工单位南昌长安安...
精品文档---下载后可任意编辑高等技术院校服装结构、工艺教学讨论的开题报告一、选题背景随着时代的进展,人们对服装的要求越来越高,服装...
精品文档---下载后可任意编辑高等技术院校学科建设讨论——基于 “三元论”哲学观的分析框架的开题报告一、讨论背景随着我国经济的快速进...
精品文档---下载后可任意编辑低温等离子体等技术降解水中氯苯酚的讨论开题报告一、讨论背景与意义氯苯酚是一种含氯的有机物,在工业生产和...
1 耕地质量分等 二Ο 一四年十二月 2 目 录 一、项目背景 ................................. 错误!未定义书签。 二、目的与任务...
模板编号:D2-GC-134-V1产 品 开 发 技 术 要 求 V4.0 (除灯具、线束以外的电器其它件)零部件名称仪表板开关盒总成图号/代号 378...
BIM、GIS、CIM 等技术共同助力数字孪生城市的建设―、从 BIM+GIS 到 CIM2018 年 11 月,住房和城乡建设部发布了行业标准《“多规合...
下载后可任意编辑发电厂管道色环、介质流向等技术要求1 主要工艺管道色彩:发电厂管道油漆施工方法及要求,应遵照《火力发电厂保温油漆设...
塑料及橡胶等技术要求B62+0030082005D中文
1 《混凝土预制构件制作、施工等技术要求》 1 预制构件制作: 1.1 模具 1.1.1 模具应具有足够的刚度、强度和稳定性,并符合构件精度...
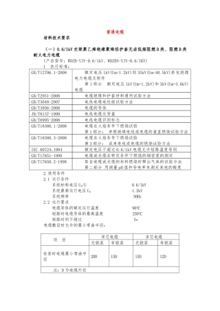
普通电缆材料技术要求(一)0.6/1kV 交联聚乙烯绝缘聚烯烃护套无卤低烟阻燃 B 类、阻燃 B 类耐火电力电缆 (产品型号:WDZB-YJY-0.6/1...
下载后可任意编辑东北农用地分等技术报告汇编农用地分等技术报告XX省农用地分等技术报告辽宁国土资源勘测设计院二○一二年十二月1农用地分...
东北农用地分等技术报告汇编农用地分等技术报告XX省农用地分等技术报告辽宁国土资源勘测设计院二○一二年十二月1农用地分等技术报告目录一...
第1页共74页编号:时间:2021年x月x日书山有路勤为径,学海无涯苦作舟页码:第1页共74页普通电缆材料技术要求(一)0.6/1kV交联聚乙烯绝缘...

