电脑桌面
添加小米粒文库到电脑桌面
安装后可以在桌面快捷访问

第十三章_电气图基本知识VIP免费

第十三章_电气图基本知识_第1页
1/22
第十三章_电气图基本知识_第2页
2/22
第十三章_电气图基本知识_第3页
3/22
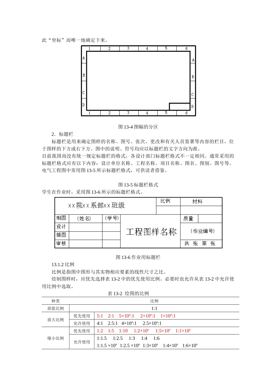
第十三章 电气图基础知识内容提要:本章是电气制图的基础知识,重点讲述电气工程 CAD 制图规范、电气图形符号及画法使用命令、电气技术中的文字符号和项目代号等内容。通过本章学习,应达到如下基本要求。① 掌握电气工程 CAD 制图规范。② 掌握电气图形符号及画法使用命令,能在实际绘图中应用自如。③ 掌握电气技术中的文字符号和项目代号。13.1 电气工程 CAD 制图规范电气工程设计部门设计、绘制图样,施工单位按图样组织工程施工,所以图样必须有设计和施工等部门共同遵守的一定的格式和一些基本规定,本节扼要介绍国家标准 GB/T18135—2000《电气工程 CAD 制图规则》中常用的有关规定。13.1.1 图纸的幅面和格式1.图纸的幅面绘制图样时,图纸幅面尺寸应优先采用表 13-1 中规定的的基本幅面。表 13-1 图纸的基本幅面及图框尺寸 代号 B×L a c e mm幅面代号A0A1A2A3A4B×L841×1189594×841420×594297×420210×297a25c105e2010其中:a、c、e 为留边宽度。 图纸幅面代号由“A”和相应的幅面号组成,即 A0~A4。基本幅面共有五种,其尺寸关系如图 1-1 所示。 幅面代号的几何含义,实际上就是对 0 号幅面的对开次数。如 A1 中的“1”,表示将全张纸(A0 幅面)长边对折裁切一次所得的幅面;A4 中的“4”,表示将全张纸长边对折裁切四次所得的幅面,如图 13-1 所示。必要时,允许沿基本幅面的短边成整数倍加长幅面,但加长量必须符合国家标准(GB/T14689—93)中的规定。 图 13-1 基本幅面的尺寸关系图框线必须用粗实线绘制。图框格式分为留有装订边和不留装订边两种,如图 13-2 和图 13-3 所示。两种格式图框的周边尺寸 a、c、e 见表 13-1。但应注意,同一产品的图样只能采用一种格式。 (a)横装 (b)竖装图 13-2 留有装订边图样的图框格式(a)横装 (b)竖装图 13-3 不留装订边图样的图框格式国家标准规定,工程图样中的尺寸以毫米为单位时,不需标注单位符号(或名称)。如采用其他单位,则必须注明相应的单位符号。本书的文字叙述和图例中的尺寸单位为毫米,均未标出。图幅的分区,为了确定图中内容的位置及其他用途,往往需要将一些幅面较大的内容复杂的电气图进行分区,如图 13-4 所示。图幅的分区方法是:将图纸相互垂直的两边各自加以等分,竖边方向用大写拉丁字母编号横边方向用阿拉伯数字编号,编号的顺序应从标题栏相对的左上角开始,分区数应为偶数每一分区的长度一般应...

1、当您付费下载文档后,您只拥有了使用权限,并不意味着购买了版权,文档只能用于自身使用,不得用于其他商业用途(如 [转卖]进行直接盈利或[编辑后售卖]进行间接盈利)。
2、本站所有内容均由合作方或网友上传,本站不对文档的完整性、权威性及其观点立场正确性做任何保证或承诺!文档内容仅供研究参考,付费前请自行鉴别。
3、如文档内容存在违规,或者侵犯商业秘密、侵犯著作权等,请点击“违规举报”。

碎片内容

第十三章_电气图基本知识

文泉书屋+ 关注
实名认证
内容提供者

热爱教学事业,对互联网知识分享很感兴趣

确认删除?
VIP
微信客服
  • 扫码咨询
会员Q群
  • 会员专属群点击这里加入QQ群
客服邮箱
回到顶部