电脑桌面
添加小米粒文库到电脑桌面
安装后可以在桌面快捷访问

质量管理体系及质量保证措施VIP免费

质量管理体系及质量保证措施_第1页
1/8
质量管理体系及质量保证措施_第2页
2/8
质量管理体系及质量保证措施_第3页
3/8
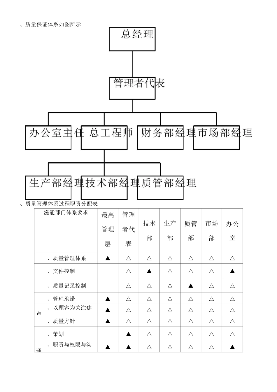
质量管理体系及质量保证措施一、质量保证体系.目的确保项目的产品供应与安装质量符合工程设计的技术要求,满足工程要求。.适用范围投标产品的制造、安装过程的质量控制。.质量目标和质量保证体系•质量目标:产品出厂交验合格率,产品安装符合业主要求。.质量保证体系我公司是通过:国际质量认证的企业,我们的质量方针是“追求卓越,创中国水工业品牌,以人为本,树中昌企业形象”。..为了保证投标产品制造质量,符合招标文件的技术要求,公司组建“项目部”下设“产品制造分部”和“现场安装分部”负责投标产品的四级质量管理和现场指导安装、调试、培训管理。••投标产品严格按:质量认证体系执行,质检部代表总经理实行产品生产全过程中的质量检查和监督。达到逐级负责、层层把关,全员参与。..在施工中精心组织,精心施工,创一流的管理,一流的施工质量,强化质量意识。为此我公司依据:标准,建立工程质量保证体系和质量管理程序,对工程施工进行严格的质量控制。不合格控制及验证《质量手册》()第章第四章的规定,对出现的不合格品进行追朔并进行纠正和预防措施的验证,决不允许不合格品流入下工序和出厂。、质量保证体系如图所示、质量管理体系过程职责分配表滋能部门体系要求最高管理层管理者代表技术部生产部质管部市场部办公室、质量管理体系▲△△△△△△、文件控制△▲△△△▲、质量记录控制△△△▲△△、管理承诺▲△△△△△△、以顾客为关注焦点▲△△△△△△、质量方针▲△△△△△△、策划▲△△△△△、职责与权限与沟通▲▲△△△△▲、管理评审▲△△△△△△、资源提供▲△△△△△△、人力资源△△△△△▲、基础设施△△▲△△▲、工作环境△△▲△△▲、产品实现的策划△△△▲△、与顾客有关的过程△△△△▲、设计和开发▲△△△、采购△△△▲、生产和服务提供△▲△△、监视和测量装置的控制△△▲△、总则△△▲△、监视和测量▲△△▲△△、不合格品控制△△▲△△、数据分析△△▲△△、改进▲△△▲△△注:▲――主要职能;△――相关职能。二、质量保证措施、设备制造中的质量控制、质量保证执行程序、质量控制关键点的分析与确定及控制施工过程中,产品的尺寸直接影响产品在工艺要求中的应用,不合格的外形尺寸,导致较低的工艺效果。斜板、水槽的外观、表面的光滑平整度也是整个工程施工过程中的一部分,从另一个角度来看,也体现了产品质量的好坏。生产过程中,对斜板、水槽及其安装附件的外观、壁...

1、当您付费下载文档后,您只拥有了使用权限,并不意味着购买了版权,文档只能用于自身使用,不得用于其他商业用途(如 [转卖]进行直接盈利或[编辑后售卖]进行间接盈利)。
2、本站所有内容均由合作方或网友上传,本站不对文档的完整性、权威性及其观点立场正确性做任何保证或承诺!文档内容仅供研究参考,付费前请自行鉴别。
3、如文档内容存在违规,或者侵犯商业秘密、侵犯著作权等,请点击“违规举报”。

碎片内容

质量管理体系及质量保证措施

您可能关注的文档

wxg+ 关注
实名认证
内容提供者

该用户很懒,什么也没介绍

确认删除?
VIP
微信客服
  • 扫码咨询
会员Q群
  • 会员专属群点击这里加入QQ群
客服邮箱
回到顶部