电脑桌面
添加小米粒文库到电脑桌面
安装后可以在桌面快捷访问

颐和南园工程基坑支护施工方案VIP免费

颐和南园工程基坑支护施工方案_第1页
1/11
颐和南园工程基坑支护施工方案_第2页
2/11
颐和南园工程基坑支护施工方案_第3页
3/11
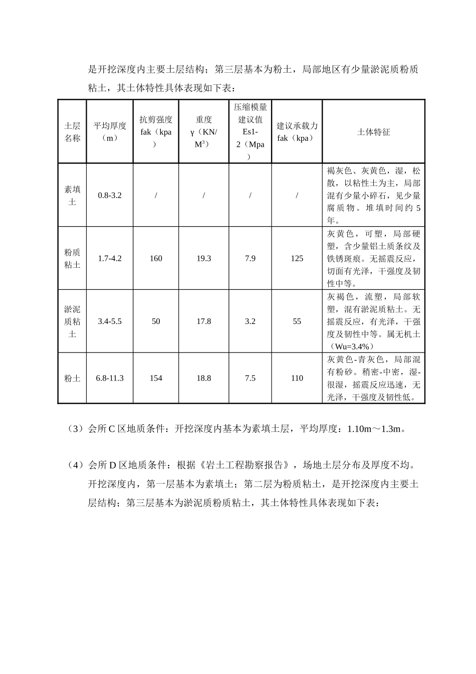
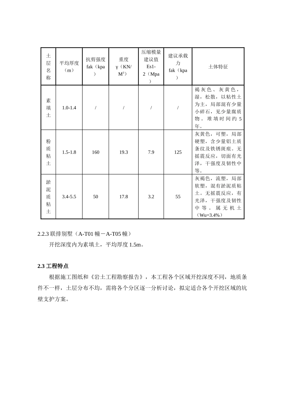
颐和南园工程基坑支护施工方案1、编制依据(1)颐和南园工程施工图纸一套;(2)施工现场有关地质资料及岩土工程勘察报告;(3)相关的标准图集;(4)国家、江苏省和行业有关工程建设标准、规范和规程;(5)施工现场实地踏勘;(6)我公司其它类似工程的施工经验总结。2、工程概况2.1 工程简介本工程位于南京江宁开发区新区大道以北、内环路以南,根据总平面设计,整个工程分为商业区(A、B、C 区)、会所(A、B、C、D 区)、联排别墅(A-T01 幢-A-T05 幢)三个大区。总建筑面积 23000m2,其中商业用房建筑面积 7002.64m2,局部地下 1 层,地上 2~3 层;会所建筑面积 6173.46m2,地下 1 层,地上 3 层;联排别墅建筑面积6260.82m2,局部半地下 1 层,地上 2~3 层。工程采用钢筋砼框架结构,联排别墅基础形式采用独立基础,商业用房、会所基础形式采用管桩基础。2.2 地质条件根据江苏建材地质工程勘察院提供的《岩土工程勘察报告》,本工程地质条件分别如下:2.2.1 商业区(A、B、C 区)开挖深度内基本为素填土层,平均厚度:1.10m~1.4m。2.2.2 会所(A、B、C、D 区)(1)会所 A 区地质条件:开挖深度内基本为素填土层,平均厚度:1.10m~1.4m。(2)会所 B 区地质条件:根据《岩土工程勘察报告》,场地土层分布及厚度不均。开挖深度内,第一层基本为素填土、部分地区为粉质粘土;第二层为粉质粘土,是开挖深度内主要土层结构;第三层基本为粉土,局部地区有少量淤泥质粉质粘土,其土体特性具体表现如下表:土层名称平均厚度(m)抗剪强度fak(kpa)重度γ(KN/M3)压缩模量建议值Es1-2(Mpa)建议承载力fak(kpa)土体特征素填土0.8-3.2////褐灰色、灰黄色,湿,松散,以粘性土为主,局部混有少量小碎石,见少量腐 质 物 。 堆 填 时 间 约 5年。粉质粘土1.7-4.216019.37.9125灰黄色,可塑,局部硬塑,含少量铝土质条纹及铁锈斑痕。无摇震反应,切面有光泽,干强度及韧性中等。淤泥质粘土3.4-5.55017.83.255灰褐色,流塑,局部软塑,混有淤泥质粘土。无摇震反应,有光泽,干强度及韧性中等。属无机土(Wu=3.4%)粉土6.8-11.315418.87.5110灰黄色-青灰色,局部混有粉砂。稍密-中密,湿-很湿,摇震反应迅速,无光泽,干强度及韧性低。(3)会所 C 区地质条件:开挖深度内基本为素填土层,平均厚度:1.10m~1.3m。(4)会所 D 区地质条件:根据《岩土工程勘察报告》,场地土层分布及厚度不均。开挖...

1、当您付费下载文档后,您只拥有了使用权限,并不意味着购买了版权,文档只能用于自身使用,不得用于其他商业用途(如 [转卖]进行直接盈利或[编辑后售卖]进行间接盈利)。
2、本站所有内容均由合作方或网友上传,本站不对文档的完整性、权威性及其观点立场正确性做任何保证或承诺!文档内容仅供研究参考,付费前请自行鉴别。
3、如文档内容存在违规,或者侵犯商业秘密、侵犯著作权等,请点击“违规举报”。

碎片内容

颐和南园工程基坑支护施工方案

您可能关注的文档

确认删除?
VIP
微信客服
  • 扫码咨询
会员Q群
  • 会员专属群点击这里加入QQ群
客服邮箱
回到顶部