电脑桌面
添加小米粒文库到电脑桌面
安装后可以在桌面快捷访问

电力企业安全运行记录牌的设计VIP免费

电力企业安全运行记录牌的设计_第1页
1/3
电力企业安全运行记录牌的设计_第2页
2/3
电力企业安全运行记录牌的设计_第3页
3/3
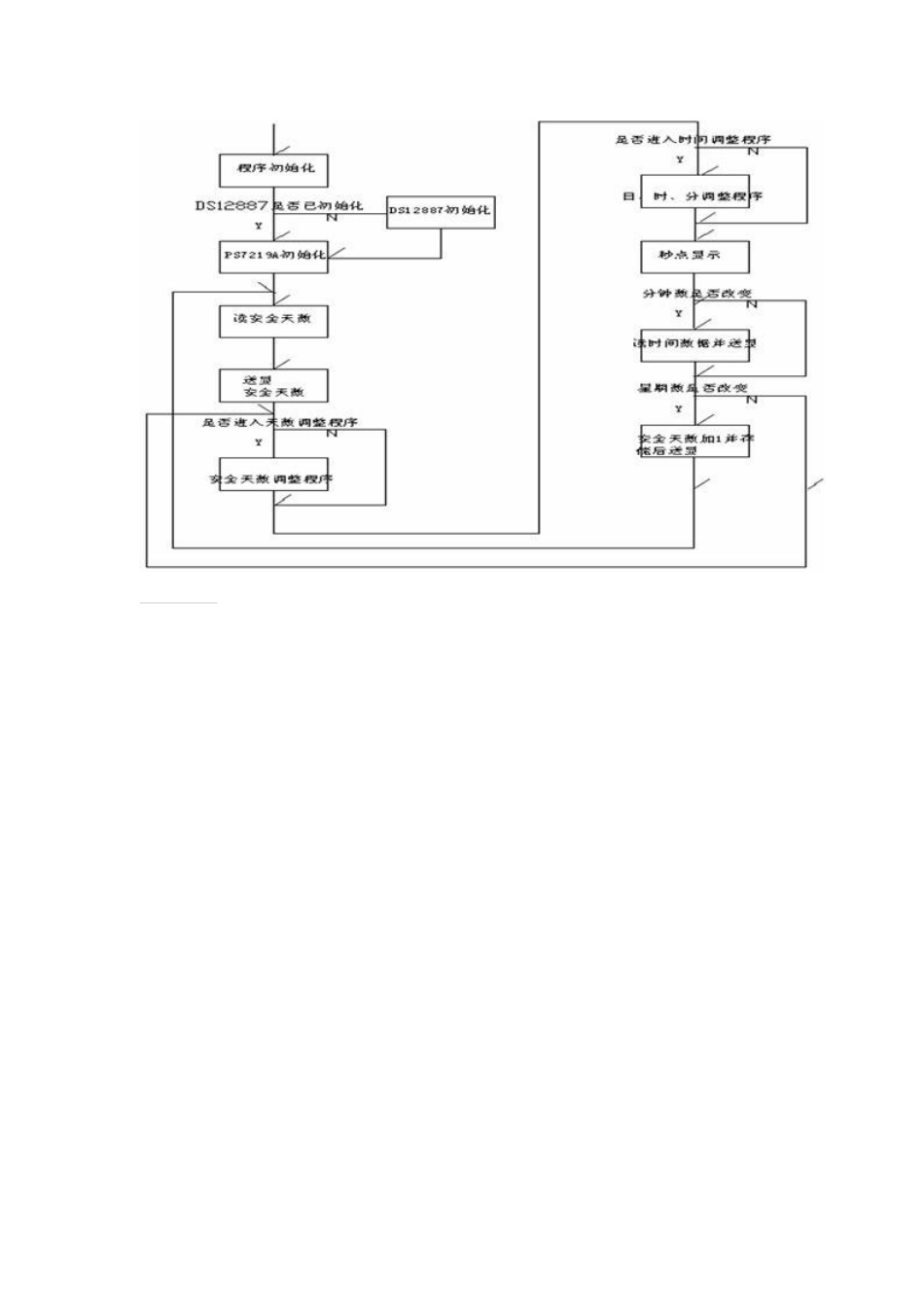
电力企业安全运行记录牌的设计摘要: 众所周知对电力企业来说安全就是最大的效益,而安全记录牌是对企业工作成效的重要考核,也是对电力企业职工的一种鞭促,达到警钟长鸣的功效。但是由于市场上没有相应的产品出售,各电力企业均是使用手动记数的安全记录牌,已经明显落后于企业的发展,严重影响了电力企业的形象,为此我经过多时的钻研,制作出一套电路简洁,制作简单的电子安全记录牌,现给大家介绍一下我局自己设计制作的变电站安全记录牌,以供参考。本安全记录牌采用元件稳定、可靠,先进的集成电子。控制芯片采用 AT 公司生产的 8 位单片机AT89C51,显示芯片由力源电子开发的带串行接口和位闪功能的 8 位数码管显示芯片 PS7219A 功能相当强大,使用简单,稳定性能好。时钟芯片采用自带电池的实时时钟芯片 DS12887,计时相当准确,并行接口,读写速度快,使用方便且有 128 个掉电记忆的存储单元。数码管使用 1.8 英寸的三芯数码管,寿命长,亮度足够。本产品具有功能全面,使用元件少,集成度高、运行稳定、掉电记忆、调节简单,可以随意增加或减少显示数目,以适应考核单位数目的变化。一、电路图分析。1.图 1 是本产品的控制核心,安全记录牌的读时、送显、秒点显示、调整、自动计算等功能由它来实现,最多可驱动 72 个数码管,除去年月日外还可以考核 16 个单位(以运行 1 万天内,同时本功能由程序设定,附加的程序适应于少于上述数目的显示)。本产品利用单片机输出输入口多的特点,为加快显示速度和减少送显程序的复杂性,采用对 PS7219A 的接口中装载信号由各自单独的引脚(P1.0 和 P2 口)控制减少程序运转时间,而时间和数据线公用。这是一个大胆的尝试并获得了成功。同时本产品连接采用排线插座连接,使各块显示板出现异常时分析非常方便,安装简单。电源采用现成的开关电源输出的+5V 电源。单片机使用 6.0MHZ 晶振。复位可引用 PS7219A 输出的复位信号。2.图 4 是显示板。本产品的显示板是高度集成,把所有元件集成的一块板中,(图中没有画出显示大数码管的驱动功率放大电路,其实加一个正驱动放大电路即可)显示芯片具有亮度调节及位闪功能,带有自复位信号并能提供给各单片机和其它需要复位信号的芯片作复位信号用,使用三线串行接口,可靠稳定。这个显示板的电路是通用的如果按设计的最多显示数目计算,需要 9 块功能相同显示板。3.图 2、图 3 为调整用按钮和秒点显示。其中秒点显示...

1、当您付费下载文档后,您只拥有了使用权限,并不意味着购买了版权,文档只能用于自身使用,不得用于其他商业用途(如 [转卖]进行直接盈利或[编辑后售卖]进行间接盈利)。
2、本站所有内容均由合作方或网友上传,本站不对文档的完整性、权威性及其观点立场正确性做任何保证或承诺!文档内容仅供研究参考,付费前请自行鉴别。
3、如文档内容存在违规,或者侵犯商业秘密、侵犯著作权等,请点击“违规举报”。

碎片内容

电力企业安全运行记录牌的设计

确认删除?
VIP
微信客服
  • 扫码咨询
会员Q群
  • 会员专属群点击这里加入QQ群
客服邮箱
回到顶部