电脑桌面
添加小米粒文库到电脑桌面
安装后可以在桌面快捷访问

某市政工程部桥梁工程监理手册VIP免费

某市政工程部桥梁工程监理手册_第1页
1/72
某市政工程部桥梁工程监理手册_第2页
2/72
某市政工程部桥梁工程监理手册_第3页
3/72
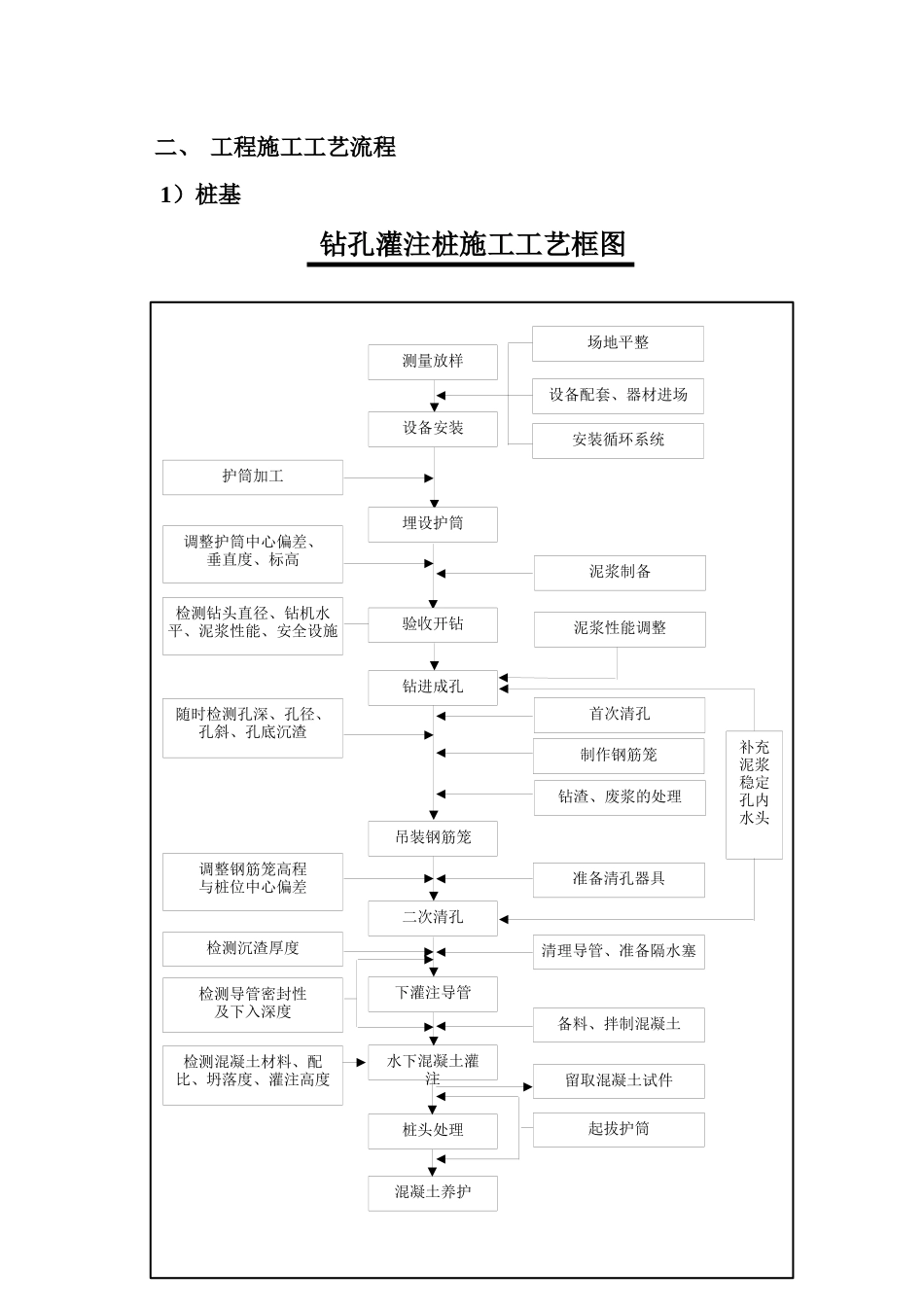
市政工程部桥梁工程监理手册 北京赛瑞斯国际工程咨询有限公司 二○一三年四月十八日一、 工程概况 ××××××测量放样设备安装埋设护筒验收开钻钻进成孔吊装钢筋笼二次清孔下灌注导管水下混凝土灌注桩头处理混凝土养护补充泥浆稳定孔内水头护筒加工调整护筒中心偏差、垂直度、标高检测钻头直径、钻机水平、泥浆性能、安全设施随时检测孔深、孔径、孔斜、孔底沉渣调整钢筋笼高程与桩位中心偏差检测沉渣厚度检测导管密封性及下入深度检测混凝土材料、配比、坍落度、灌注高度场地平整设备配套、器材进场安装循环系统泥浆性能调整首次清孔制作钢筋笼钻渣、废浆的处理准备清孔器具清理导管、准备隔水塞备料、拌制混凝土留取混凝土试件起拔护筒泥浆制备二、 工程施工工艺流程 1)桩基钻孔灌注桩施工工艺框图自检合格报请监理工程师验收合格拌制、浇注砼立模板、绑扎钢筋钢筋制作桩基检测合格开挖基坑、破桩头测量放线检查尺寸及高程(自检)制作砼试件2)承台承台施工工艺框图钢筋加工测量放样钢筋绑扎支模板浇注砼养 生拆 模钢筋认可工程师检测YN交 验砼拌合、运输原材料认可砼配合比设计工程师检测YN试 压试块制作模板加工3)柱钢筋砼墩柱施工工艺框图测量放线支架基础处理支架基础施工支架安装底模安装钢筋绑扎预应力体系安装定位位位穿预应力钢筋侧模安装混凝土浇筑混凝土养生侧模拆除预应力张拉、锚固预应力孔道压浆封锚模板及支架拆除钢筋加工预应力钢筋制作混凝土运输混凝土搅拌千斤顶、压力表配对校验灰浆配制试块制作养生试块试验混凝土试块制作养生混凝土试块试验4)盖梁盖梁施工工艺框图底模铺设绑扎钢筋钢筋下料成型安放波纹管支侧模板现场检查浇注砼砼拌合运输养生试块制作拆模板试块检测穿钢绞线钢铰线下料张 拉压 浆灰浆配制封 锚试块制作吊 运试块检测检查验收模板制作准备工作5)T 梁制作预应力 T 梁预制施工工艺框图基础处理及搭支架平整场地支模板及预压绑扎底腹板钢筋及安波纹管中线标高检查钢筋下料、成型支内腹板、堵头模板第一次浇注砼及养生拆内腹板模板、支顶板模板绑扎顶板钢筋、浇注顶板砼养生及拆侧模、内顶板模板穿预应力钢绞线张 拉压 浆封 锚拆箱梁底模板及支架中间检查砼拌合及运输试块制作试块检测灰浆配制试块制作试块检测试块制作砼拌合及运输试块检测模板制作6)箱梁制作预应力钢筋混凝土箱梁施工工艺框图立侧模涂脱模油绑底板立墙钢筋设纵向竖向预应力管道检查模板平面尺寸束道位置N 立 芯...

1、当您付费下载文档后,您只拥有了使用权限,并不意味着购买了版权,文档只能用于自身使用,不得用于其他商业用途(如 [转卖]进行直接盈利或[编辑后售卖]进行间接盈利)。
2、本站所有内容均由合作方或网友上传,本站不对文档的完整性、权威性及其观点立场正确性做任何保证或承诺!文档内容仅供研究参考,付费前请自行鉴别。
3、如文档内容存在违规,或者侵犯商业秘密、侵犯著作权等,请点击“违规举报”。

碎片内容

某市政工程部桥梁工程监理手册

您可能关注的文档

确认删除?
VIP
微信客服
  • 扫码咨询
会员Q群
  • 会员专属群点击这里加入QQ群
客服邮箱
回到顶部