电脑桌面
添加小米粒文库到电脑桌面
安装后可以在桌面快捷访问

某公交枢纽站工程模板施工组织设计VIP免费

某公交枢纽站工程模板施工组织设计_第1页
1/39
某公交枢纽站工程模板施工组织设计_第2页
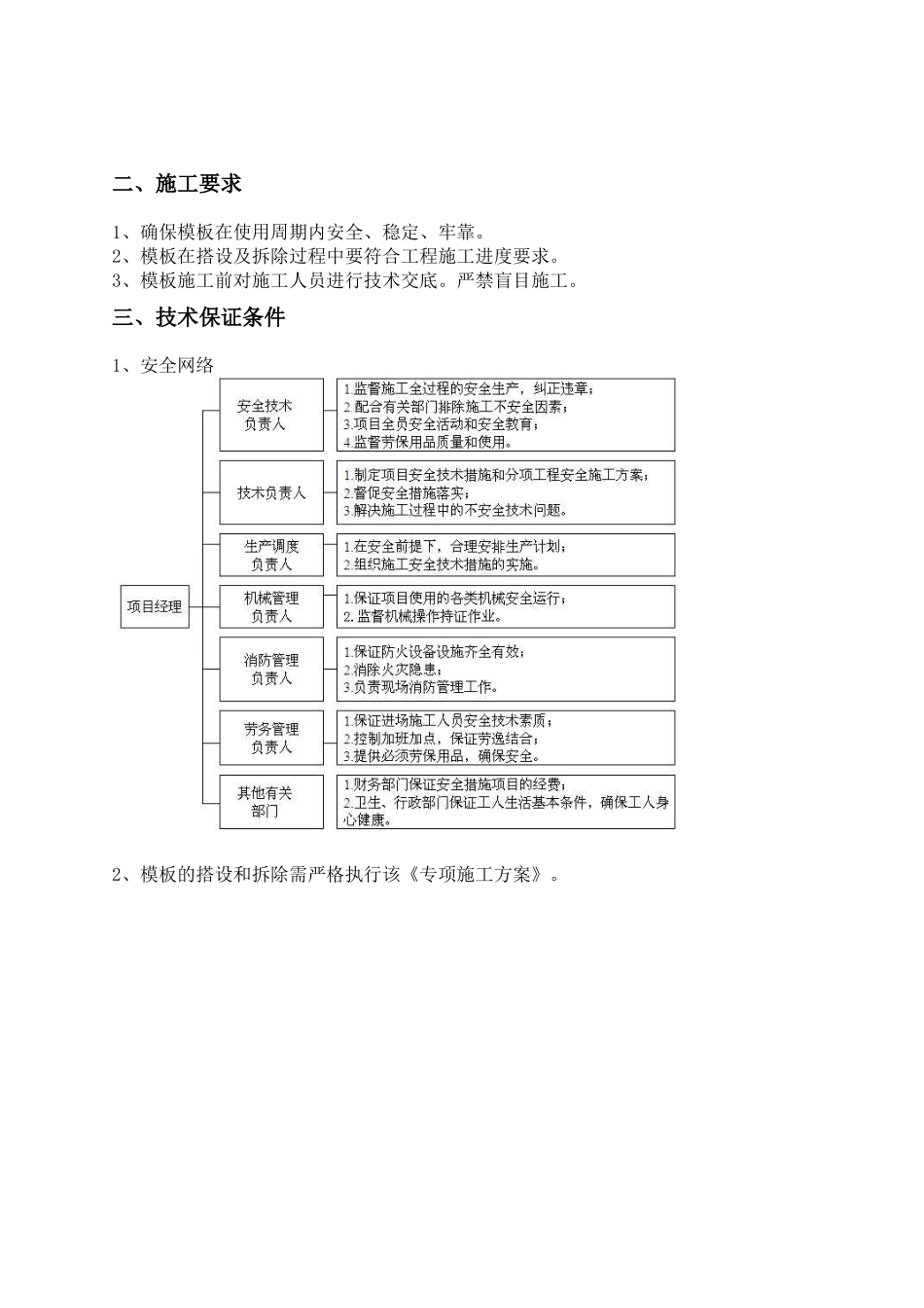
2/39
某公交枢纽站工程模板施工组织设计_第3页
3/39
目 录第一节、 工程概况----------------------------------------------------------------------------2-一、工程概况-------------------------------------------------------------------------------2-二、施工要求-------------------------------------------------------------------------------3-三、技术保证条件-------------------------------------------------------------------------3第二节、 编制依据----------------------------------------------------------------------------4第三节、 施工计划---------------------------------------------------------------------------5第四节、施工工艺技术-----------------------------------------------------------------------7-一、技术参数------------------------------------------------------------------------------ 6 -二、工艺流程------------------------------------------------------------------------------ 6 -三、施工方法------------------------------------------------------------------------------ 7 -四、检查验收----------------------------------------------------------------------------- 12 -第五节、施工安全保证措施-------------------------------------------------------------- 15 -一、组织保障----------------------------------------------------------------------------- 15 -二、技术措施----------------------------------------------------------------------------- 16 -三、监测监控----------------------------------------------------------------------------- 18 -四、应急预案----------------------------------------------------------------------------- 19 -第六节、劳动力计划----------------------------------------------------------------------- 20 -一、专职安全生产管理人员------------------------------------------------------------- 20 -二、所需劳动力安排--------------------------------------------------------------------- 20 -第七节、安全保障措施--------------------------------- 21 -第八节、劳动力安排计划 - 21 -第九节、计算书及相关图纸-------------------------------------------------------------- 21 -【计算书...

1、当您付费下载文档后,您只拥有了使用权限,并不意味着购买了版权,文档只能用于自身使用,不得用于其他商业用途(如 [转卖]进行直接盈利或[编辑后售卖]进行间接盈利)。
2、本站所有内容均由合作方或网友上传,本站不对文档的完整性、权威性及其观点立场正确性做任何保证或承诺!文档内容仅供研究参考,付费前请自行鉴别。
3、如文档内容存在违规,或者侵犯商业秘密、侵犯著作权等,请点击“违规举报”。

碎片内容

某公交枢纽站工程模板施工组织设计

确认删除?
VIP
微信客服
  • 扫码咨询
会员Q群
  • 会员专属群点击这里加入QQ群
客服邮箱
回到顶部