电脑桌面
添加小米粒文库到电脑桌面
安装后可以在桌面快捷访问

化工有毒有害作业岗位津贴实施意见VIP免费

化工有毒有害作业岗位津贴实施意见_第1页
1/5
化工有毒有害作业岗位津贴实施意见_第2页
2/5
化工有毒有害作业岗位津贴实施意见_第3页
3/5
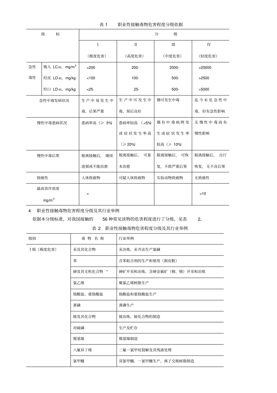
化工有毒有害作业岗位津贴实施意见化工部1993 年 3 月 12 日化工有毒有害作业是化工生产的特点之一。有毒有害作业与无毒无害作业的工人,其劳动条件和劳动付出存在明显的差别。为了对化工生产工人这种特殊劳动消耗给予必要的补偿,以进一步贯彻按劳分配原则,稳定一线队伍,根据劳动部、财政部联合下发的劳薪字〔1992〕43 号《关于建立化工有毒有害作业岗位津贴制度的通知》要求,特制定本实施意见。一、实施化工有毒有害作业岗位津贴的范围1. 原则上按照化工部颁发的〔78〕738 号《有毒有害作业工种范围表》和〔86〕化劳 923 号《有毒有害作业工种范围补充表》执行,即以常年直接从事化工有毒有害作业的一线工人为津贴的主要对象。2. 凡没有列入范围的新产品、工种(岗位),企业可根据国家有关标准提出申请,报省、自治区、直辖市化工厅局(公司)审批,同时报部备案后执行。3. 产品岗位上的专职保全工、生产过程中的分析工、化验工、试验工、检修工、车间生产管理人员,应低于相对应岗位生产工人的标准享受津贴。4. 化工防腐工,三废处理工,有毒物料储运工,可根据实际情况享受化工有毒有害作业岗位津贴。5. 化工生产中常年直接从事化学粉尘、化学矿山井下作业以及高温高空、特别繁重体力劳动作业等其他工种,按国家有关标准,参照其他产业部有关津贴规定执行。二、津贴等级划分与津贴标准化工有毒有害作业岗位津贴共分四个等级。岗位津贴等级的划分,原则上以“有毒作业分级”国家标准(GB12331— 90)为依据,即根据生产性毒物毒性的大小, 作业环境毒物超标浓度, 有毒作业劳动时间以及毒物的实际危害人体健康程度,分为甲、乙、丙、丁四等级。生产性毒物的危害程度按“职业性接触毒物危害程度分级”国家标准( GB5044— 85)予以确定。凡是接触蓄积性毒物,对人体、内脏、血液、神经系统能造成极度危害的作业岗位,列为甲级;凡是接触蓄积毒物,但劳动条件好些,用量小些或毒性小些,对人体造成高度危害的作业岗位,列为乙级;凡是接触刺激性毒物,劳动条件差,对人体造成中度危害的作业岗位,列为丙级;凡是接触刺激性毒物,毒性较低,劳动条件差,对人体造成轻度危害的作业岗位列为丁级。各等级日津贴标准为:甲等 极度危害元乙等 高度危害元丙等 中度危害元丁等 轻度危害元各单位在确定化工有毒有害作业岗位津贴等级时,应结合岗位劳动评价进行。三、津贴资金来源化工有毒有害作业岗位津贴是对常年直接从事有毒...

1、当您付费下载文档后,您只拥有了使用权限,并不意味着购买了版权,文档只能用于自身使用,不得用于其他商业用途(如 [转卖]进行直接盈利或[编辑后售卖]进行间接盈利)。
2、本站所有内容均由合作方或网友上传,本站不对文档的完整性、权威性及其观点立场正确性做任何保证或承诺!文档内容仅供研究参考,付费前请自行鉴别。
3、如文档内容存在违规,或者侵犯商业秘密、侵犯著作权等,请点击“违规举报”。

碎片内容

化工有毒有害作业岗位津贴实施意见

爱的疯狂+ 关注
实名认证
内容提供者

该用户很懒,什么也没介绍

确认删除?
VIP
微信客服
  • 扫码咨询
会员Q群
  • 会员专属群点击这里加入QQ群
客服邮箱
回到顶部