电脑桌面
添加小米粒文库到电脑桌面
安装后可以在桌面快捷访问

1号楼住宅分户验收合格标识VIP免费

1号楼住宅分户验收合格标识_第1页
1/124
1号楼住宅分户验收合格标识_第2页
2/124
1号楼住宅分户验收合格标识_第3页
3/124
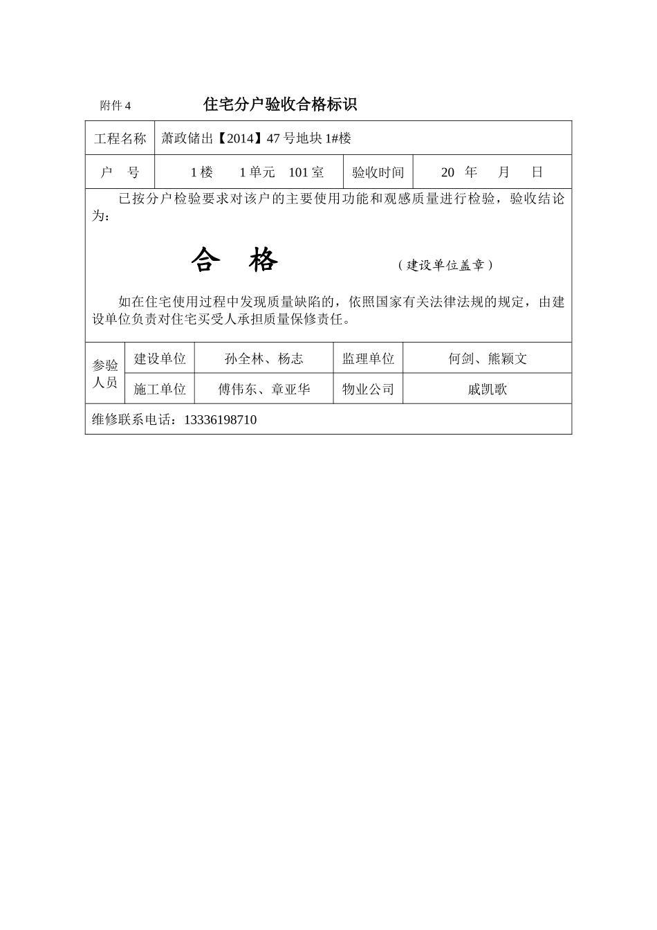
附件 4 住宅分户验收合格标识工程名称萧政储出【2014】47 号地块 1#楼户 号 1 楼 1 单元 101 室验收时间20 年 月 日已按分户检验要求对该户的主要使用功能和观感质量进行检验,验收结论为:合 格 (建设单位盖章)如在住宅使用过程中发现质量缺陷的,依照国家有关法律法规的规定,由建设单位负责对住宅买受人承担质量保修责任。参验人员建设单位孙全林、杨志监理单位何剑、熊颖文施工单位傅伟东、章亚华物业公司戚凯歌维修联系电话:13336198710附件 4 住宅分户验收合格标识工程名称萧政储出【2014】47 号地块 1#楼户 号 1 楼 1 单元 102 室验收时间20 年 月 日已按分户检验要求对该户的主要使用功能和观感质量进行检验,验收结论为:合 格 (建设单位盖章)如在住宅使用过程中发现质量缺陷的,依照国家有关法律法规的规定,由建设单位负责对住宅买受人承担质量保修责任。参验人员建设单位孙全林、杨志监理单位何剑、熊颖文施工单位傅伟东、章亚华物业公司戚凯歌维修联系电话:13336198710附件 4 住宅分户验收合格标识工程名称萧政储出【2014】47 号地块 1#楼户 号 1 楼 1 单元 103 室验收时间20 年 月 日已按分户检验要求对该户的主要使用功能和观感质量进行检验,验收结论为:合 格 (建设单位盖章)如在住宅使用过程中发现质量缺陷的,依照国家有关法律法规的规定,由建设单位负责对住宅买受人承担质量保修责任。参验人员建设单位孙全林、杨志监理单位何剑、熊颖文施工单位傅伟东、章亚华物业公司戚凯歌维修联系电话:13336198710附件 4 住宅分户验收合格标识工程名称萧政储出【2014】47 号地块 1#楼户 号 2 楼 1 单元 201 室验收时间20 年 月 日已按分户检验要求对该户的主要使用功能和观感质量进行检验,验收结论为:合 格 (建设单位盖章)如在住宅使用过程中发现质量缺陷的,依照国家有关法律法规的规定,由建设单位负责对住宅买受人承担质量保修责任。参验人员建设单位孙全林、杨志监理单位何剑、熊颖文施工单位傅伟东、章亚华物业公司戚凯歌维修联系电话:13336198710附件 4 住宅分户验收合格标识工程名称萧政储出【2014】47 号地块 1#楼户 号 2 楼 1 单元 202 室验收时间20 年 月 日已按分户检验要求对该户的主要使用功能和观感质量进行检验,验收结论为:合 格 (建设单位盖章)如在住宅使用过程中发现质量缺陷的,依照国家有关法律法规的规定,由建...

1、当您付费下载文档后,您只拥有了使用权限,并不意味着购买了版权,文档只能用于自身使用,不得用于其他商业用途(如 [转卖]进行直接盈利或[编辑后售卖]进行间接盈利)。
2、本站所有内容均由合作方或网友上传,本站不对文档的完整性、权威性及其观点立场正确性做任何保证或承诺!文档内容仅供研究参考,付费前请自行鉴别。
3、如文档内容存在违规,或者侵犯商业秘密、侵犯著作权等,请点击“违规举报”。

碎片内容

1号楼住宅分户验收合格标识

确认删除?
VIP
微信客服
  • 扫码咨询
会员Q群
  • 会员专属群点击这里加入QQ群
客服邮箱
回到顶部