电脑桌面
添加小米粒文库到电脑桌面
安装后可以在桌面快捷访问

电气维护规程VIP免费

电气维护规程_第1页
1/36
电气维护规程_第2页
2/36
电气维护规程_第3页
3/36
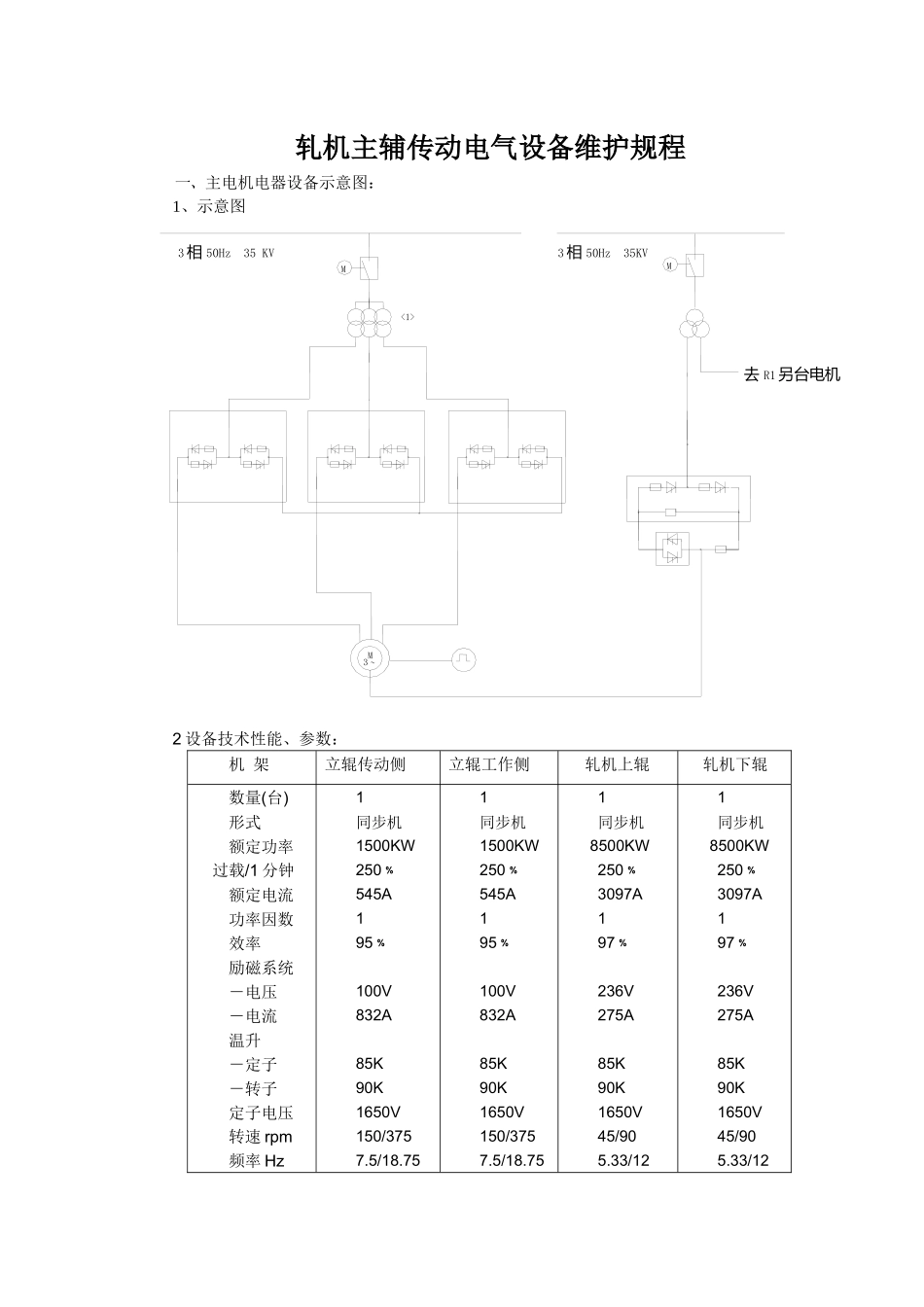
~3MM<1>去 R1 另台电机M3 相 50Hz 35 KV3 相 50Hz 35KV轧机主辅传动电气设备维护规程一、主电机电器设备示意图:1、示意图2 设备技术性能、参数:机 架立辊传动侧立辊工作侧轧机上辊轧机下辊数量(台)形式额定功率过载/1 分钟额定电流功率因数效率励磁系统-电压-电流温升-定子-转子定子电压转速 rpm频率 Hz1同步机1500KW250﹪545A195﹪100V832A85K90K1650V150/3757.5/18.751同步机1500KW250﹪545A195﹪100V832A85K90K1650V150/3757.5/18.751同步机8500KW250﹪3097A197﹪236V275A85K90K1650V45/905.33/121同步机8500KW250﹪3097A197﹪236V275A85K90K1650V45/905.33/12极数661616二、定时清扫设备的规定1、 在线专责电机,每天下班前清扫一次。每三个月吹风清扫一次。2、 控制箱、柜、变频柜、操作台、控制器等每三个月吹扫一次,可利用换辊检修等机会安排实施。3、 在线电机每半年安排小修一次。小修项目执行小修标准和检修规程有关规定。4、 仪表盘、信号盘每天清擦一次。值班室和主电室地面每班清擦一次。三、设备使用中的巡回检查1、 巡回检查的要求1) 主电室主传动值班电工按规定的线路和内容每小时一次(含抄表记录)2) 岗位电工每班按规定的路线和内容巡检三次。(接班后、班中、交班前)。3) 对巡检记录要认真填写。内容应包括巡检时间,设备运行情况,设备原有缺陷和隐患发展变化,新发现的设备缺陷和隐患,处理的设备问题,设备的运行电流和温度的变化等。4) 发现较重要的设备缺陷和隐患,要及时向班长、值班长、生产调度及专业科室汇报。5) 因特殊原因未能按时巡检,应注明原因。2、 巡检内容1) 电动机机身和轴承温度是否超标,运行电流是否在正常的范围内。电机的滑环与电刷接触是否良好,有无烧痕和不正常的火花。轴承是否缺油、过热、有杂音。地脚和接手的螺丝是否松动、缺件、位移。出口线是否破损、发热。电机或传动设备是否被卡住造成堵转等。2) 各个变频柜、,柜内冷却风机运行是否正常,面板上显示参数是否正常。有无故障信号出现,电流值是否在允许的范围内。3) 各配电屏、配电柜、控制柜的接线螺丝有无松动、过热、打火现象。各开关、接触器、接点接触是否良好,烧蚀是否严重,灭弧罩是否完好无损。各接线端子是否紧固无打火无过热痕迹。各继电器、接触器动作顺序是否正常,各种保护元器件应正常好用。4) 记录或检查主传动上、下电机的前后轴瓦温度、润滑油流量。咬钢和抛钢时转子的...

1、当您付费下载文档后,您只拥有了使用权限,并不意味着购买了版权,文档只能用于自身使用,不得用于其他商业用途(如 [转卖]进行直接盈利或[编辑后售卖]进行间接盈利)。
2、本站所有内容均由合作方或网友上传,本站不对文档的完整性、权威性及其观点立场正确性做任何保证或承诺!文档内容仅供研究参考,付费前请自行鉴别。
3、如文档内容存在违规,或者侵犯商业秘密、侵犯著作权等,请点击“违规举报”。

碎片内容

电气维护规程

黄金阁书苑+ 关注
实名认证
内容提供者

热爱教学事业,对互联网知识分享很感兴趣

确认删除?
VIP
微信客服
  • 扫码咨询
会员Q群
  • 会员专属群点击这里加入QQ群
客服邮箱
回到顶部