电脑桌面
添加小米粒文库到电脑桌面
安装后可以在桌面快捷访问

住建部绿色施工科技示范工程技术指标要点VIP免费

住建部绿色施工科技示范工程技术指标要点_第1页
1/12
住建部绿色施工科技示范工程技术指标要点_第2页
2/12
住建部绿色施工科技示范工程技术指标要点_第3页
3/12
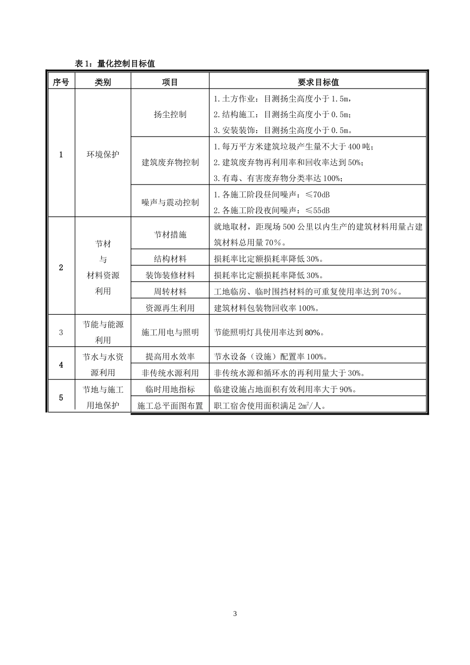
住房和城乡建设部绿色施工科技示范工程技术指标(试行)住房和城乡建设部建筑节能与科技司二〇一三年六月1【说明】1.住房和城乡建设部绿色施工科技示范工程技术指标(以下简称“技术指标”)适用于住房和城乡建设部绿色施工科技示范工程(以下简称“示范工程”)建筑工程示范评价。市政、铁路、交通、水利等土木工程和工业建设项目可参照执行。2.“技术指标”可用于“示范工程”项目的自我评价、企业对“示范工程”项目的评价、“示范工程”中期检查、项目验收和相关资料的整理。3.项目的自我评价阶段分为地基与基础工程、结构工程、装饰装修工程和机电安装工程。4.“示范工程”评价应遵循因地制宜的原则,结合工程所在地域的气候、环境、资源、经济及文化等特点,依据技术创新与应用、施工管理、环境保护、节材与材料资源利用、节水与水资源利用、节能与能源利用和节地与土地资源保护等七个要素进行综合评价。5.表1中“量化控制目标值”是企业制定计划时,结合工程所在地域特点和工程自身特点所设定的必须要达到的目标,也是日后检查和验收的重要依据之一。目标值必须用具体、明确的数值表达。6.“检查要点”中列出了“示范工程”在实施过程中项目的自我评价、企业对“示范工程”项目的评价、“示范工程”过程检查和验收时应重点关注的内容。7.“技术指标”中共有87项要求,其中控制项为56项。控制项要求必须完全符合要求,其它内容符合率达到70%即为通过。2表1:量化控制目标值序号类别项目要求目标值1环境保护扬尘控制1.土方作业:目测扬尘高度小于1.5m,2.结构施工:目测扬尘高度小于0.5m;3.安装装饰:目测扬尘高度小于0.5m。建筑废弃物控制1.每万平方米建筑垃圾产生量不大于400吨;2.建筑废弃物再利用率和回收率达到50%;3.有毒、有害废弃物分类率达100%;噪声与震动控制1.各施工阶段昼间噪声:≤70dB2.各施工阶段夜间噪声:≤55dB2节材与材料资源利用节材措施就地取材,距现场500公里以内生产的建筑材料用量占建筑材料总用量70%。结构材料损耗率比定额损耗率降低30%。装饰装修材料损耗率比定额损耗率降低30%。周转材料工地临房、临时围挡材料的可重复使用率达到70%。资源再生利用建筑材料包装物回收率100%。3节能与能源利用施工用电与照明节能照明灯具使用率达到80%。4节水与水资源利用提高用水效率节水设备(设施)配置率100%。非传统水源利用非传统水源和循环水的再利用量大于30%。5节地与施工用地保护临时用地指标临建设施占地面积有效利用率大于90%。施工总平面图布置职工宿舍使用面积满足2m2/人。3第一章施工管理表2:施工管理指标要求序号绿色施工科技示范工程要求检查要点类别1组织管理(1)建立以项目经理为绿色施工第一责任人的绿色施工管理体系,并制定相应的管理制度,明确各级人员责任。(1)体系及管理制度是否健全;(2)人员到位、职责明确。控制项2策划管理(2)依据“技术指标”并结合工程特点,编制绿色施工方案,或在施工组织设计中独立成章。(3)确定项目切实可行的绿色施工量化控制目标。(1)绿色施工方案中施工管理、“四节一环保”内容、通过技术应用与创新达到“四节一环保”目标和施工人员安全与健康保护等措施齐全,并按规定进行审批;(2)绿色施工量化控制目标符合“技术指标”要求。控制项3实施管理(4)施工现场要有绿色施工宣传标识。(5)结合工程特点,采取有效形式对绿色施工作宣传,并建立绿色施工培训制度。(6)根据绿色施工要求进行图纸会审和深化设计。(7)施工过程中,有对保证绿色施工全过程的相应技术措施和检测手段与检测记录,并对有关节能环保要求的材料、设备进行相关检验、检测及验收。(8)工程技术交底应包含绿色施工要求。(1)施工过程管理文件、见证资料和自评价记录等资料;(2)绿色施工宣传资料、标识、培训记录和资料;(3)图纸会审记录、工程交底记录、检测和验收记录。控制项4评价管理(9)企业应对照“技术指标”,结合工程特点,合理划分阶段,组织对绿色施工的完成情况及采用的新技术、新设备、新材料、新工艺进行评价和对比分析。(1)各施工阶段自我评价表;(2)“四节一环保”控制指标各阶...

1、当您付费下载文档后,您只拥有了使用权限,并不意味着购买了版权,文档只能用于自身使用,不得用于其他商业用途(如 [转卖]进行直接盈利或[编辑后售卖]进行间接盈利)。
2、本站所有内容均由合作方或网友上传,本站不对文档的完整性、权威性及其观点立场正确性做任何保证或承诺!文档内容仅供研究参考,付费前请自行鉴别。
3、如文档内容存在违规,或者侵犯商业秘密、侵犯著作权等,请点击“违规举报”。

碎片内容

住建部绿色施工科技示范工程技术指标要点

您可能关注的文档

确认删除?
VIP
微信客服
  • 扫码咨询
会员Q群
  • 会员专属群点击这里加入QQ群
客服邮箱
回到顶部