电脑桌面
添加小米粒文库到电脑桌面
安装后可以在桌面快捷访问

化工行业风险分级管控安全管理制度VIP免费

化工行业风险分级管控安全管理制度_第1页
1/10
化工行业风险分级管控安全管理制度_第2页
2/10
化工行业风险分级管控安全管理制度_第3页
3/10
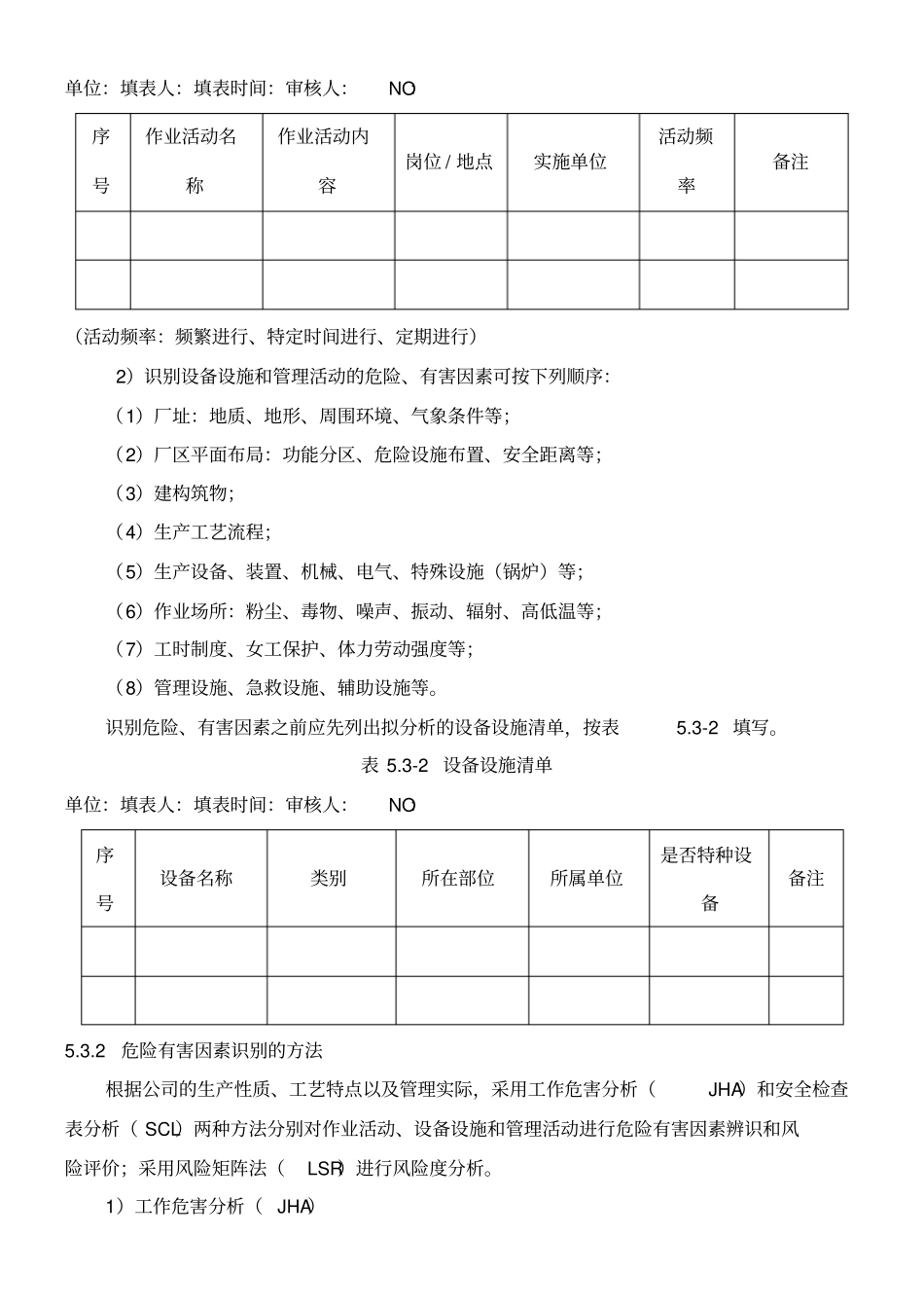
XX有限公司安全生产风险分级管控管理制度1 目的通过实施本制度,辨识作业活动过程中的危险、有害因素,评价其风险,通过事先分析、评价,制定风险控制措施,实现管理关口前移和源头管理,实现事前预防,达到消减危害、控制风险的目的。2 适用范围本制度适用于公司内所有作业活动、设备设施和职业危害因素的风险管理。3 引用标准《企业职工伤亡事故分类》GB6441— 86《危险化学品重大危险源辨识》GB18218— 2009《生产过程危险和有害因素分类与代码》GBT13861-2009《危险化学品从业单位安全标准化规范》AQ/3013-2008《危险化学品生产、储存装置个人可接受风险标准和社会可接受风险标准(试行)》安监总局 2014 年第 13 号公告《化工企业安全风险分级管控实施指南》(试用版)《山东省人民政府关于修改<山东省生产经营单位安全生产主体责任认定>的决定》省政府令第 303 号《山东省安全生产条例》省人大常委会二十五次会议《山东省危险化学品安全管理办法》(省政府令第309 号)《安全生产风险分级管控体系通则》(DB37/T2882— 2016)《化工企业安全生产风险分级管控体系通则》( GB37/T2971-2017)《山东省企业风险分级管控和隐患排查治理体系建设验收评定标准》(试行)4 职责4.1 公司总经理是公司风险分级管控工作的第一责任人,担任公司安全风险分级管控领导小组组长,落实个人安全风险防控职责,并督促各部门落实风险管控职责。4.2 各部门负责人为本部门风险分级管控建设推进的第一责任人,为各单位的风险评价小组组长,负责组织本单位作业活动、设备设施及职业危害因素的危害辨识与风险评价,保证本部门各项风险点管控措施落实到位。4.3 生产部负责组织有关部门对各单位辨识出的危险、有害因素进行评价,4.4 安全科负责对风险分析评价工作统筹管理和监督,组织开展风险点辨识和风险评价方法的培训教育工作,制定公司风险评价准则,监督各部门和各级人员落实安全风险防控职责。5 管理程序5.1 风险评价的目的根据公司的设备设施和各项作业活动,选择分析对象、辨识危险有害因素、评价其风险,对发现的事故隐患实施治理,并确定重大风险,实施有效控制。5.2 风险评价的范围:1)规划、设计和新建、改建、扩建、投产、运行等阶段;2)常规和异常活动。3)事故及潜在的紧急情况;4)所有进入作业场所的人员的活动;5)原材料、产品的运输和使用过程;6)作业场所的设施、设备、车辆、安全防护用品;7)人为因素,包括违反安全...

1、当您付费下载文档后,您只拥有了使用权限,并不意味着购买了版权,文档只能用于自身使用,不得用于其他商业用途(如 [转卖]进行直接盈利或[编辑后售卖]进行间接盈利)。
2、本站所有内容均由合作方或网友上传,本站不对文档的完整性、权威性及其观点立场正确性做任何保证或承诺!文档内容仅供研究参考,付费前请自行鉴别。
3、如文档内容存在违规,或者侵犯商业秘密、侵犯著作权等,请点击“违规举报”。

碎片内容

化工行业风险分级管控安全管理制度

爱的疯狂+ 关注
实名认证
内容提供者

该用户很懒,什么也没介绍

确认删除?
VIP
微信客服
  • 扫码咨询
会员Q群
  • 会员专属群点击这里加入QQ群
客服邮箱
回到顶部