电脑桌面
添加小米粒文库到电脑桌面
安装后可以在桌面快捷访问

应急预案备案备案程序VIP免费

应急预案备案备案程序_第1页
1/42
应急预案备案备案程序_第2页
2/42
应急预案备案备案程序_第3页
3/42
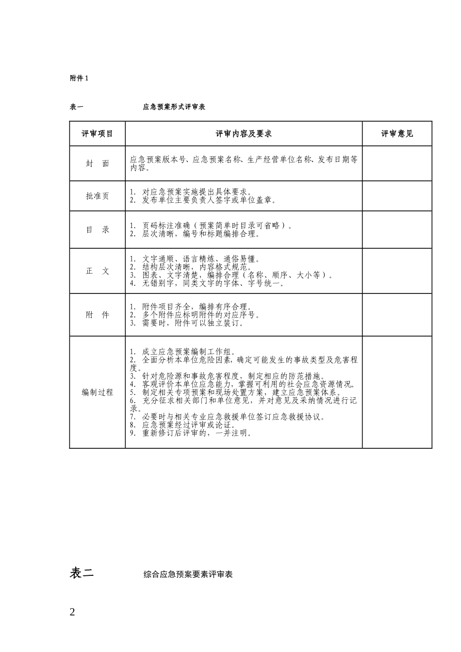
生产安全事故应急救援预案备案办理程序一、依据《中华人民共和国安全生产法》、《生产安全事故应急预案管理办法》(国家安监总局第 17 号令)、《生产经营单位安全生产事故应急预案评审指南(试行)》(安监总厅应急〔2009〕73 号)等。二、程序申请单位向区安监局窗口提交申请材料,经窗口工作人员材料审查,符合安全条件的,15 个工作日内上报市安监局窗口。三、提交材料1、应急救援预案备案申请表;2、应急救援预案及 word 电子文档;3、应急预案评审表;4、评审专家和安监部门监督人员签名的应急预案评审或论证意见、评审会议纪要或论证演练记录;5、事故应急救援预案备案登记表 2 份。(需打印)注:1、按照《生产经营单位安全生产事故应急救援预案编制导则》(AQ/T 9002—2006)编制;2、企业在应急预案编制完成后,自行组织专家在所在镇、街道安监站工作人员或区安监局应急管理人员的监督下进行应急预案的评审或论证,并应当在评审前提前把编订的应急预案送达参加评审的单位或人员,专家从市安监局或区县安监局专家库中抽取;3、评审表在(《关于开展生产安全事故应急预案备案工作的通知》淄安监字〔2010〕57 号)附件1 至附件 5,参与评审的专家和安监部门监督人员须签字确认,评审表应当附到应急预案中;4、评审人员与所评审预案的生产经营单位有利害关系的,应当回避;5、应急预案按评审专家的意见修改完毕并签字确认后报市安监局审批窗口或区安监局审批窗口申请备案;6、提交材料中有关表格,请登录区安监局网站(www.ajlz.com)“办事指南”栏目下载;7、纳入淄博市安监局(www.zbajj.gov.cn)监管系统的企业向安监部门提出备案申请时,须在企业页面的“预案修备”栏中按要求填报评审报表(表一至表五)、应急预案(应急预案为 word 文档)和申请表内容。企业在网上申报的同时携带相关资料,按照备案范围进行备案登记;未纳入监管系统的企业携带相关资料直接到区县安监局进行备案登记;.8、用蓝色、厚度 2CM 的档案盒盛装,提交 1 套材料。附件:1、应急预案评审表(表一至表五)(须打印);2、《生产经营单位生产安全事故应急预案备案申请表》;3、《生产经营单位生产安全事故应急预案备案登记表》附件 1表一 应急预案形式评审表评审项目评审内容及要求评审意见封 面应急预案版本号、应急预案名称、生产经营单位名称、发布日期等内容。批准页1. 对应急预案实施提出具体要求。2. 发布单位主要负责人签字或单位盖...

1、当您付费下载文档后,您只拥有了使用权限,并不意味着购买了版权,文档只能用于自身使用,不得用于其他商业用途(如 [转卖]进行直接盈利或[编辑后售卖]进行间接盈利)。
2、本站所有内容均由合作方或网友上传,本站不对文档的完整性、权威性及其观点立场正确性做任何保证或承诺!文档内容仅供研究参考,付费前请自行鉴别。
3、如文档内容存在违规,或者侵犯商业秘密、侵犯著作权等,请点击“违规举报”。

碎片内容

应急预案备案备案程序

您可能关注的文档

确认删除?
VIP
微信客服
  • 扫码咨询
会员Q群
  • 会员专属群点击这里加入QQ群
客服邮箱
回到顶部