电脑桌面
添加小米粒文库到电脑桌面
安装后可以在桌面快捷访问

铁路工程施工质量验收标准应用指南之轨道工程VIP免费

铁路工程施工质量验收标准应用指南之轨道工程_第1页
1/84
铁路工程施工质量验收标准应用指南之轨道工程_第2页
2/84
铁路工程施工质量验收标准应用指南之轨道工程_第3页
3/84
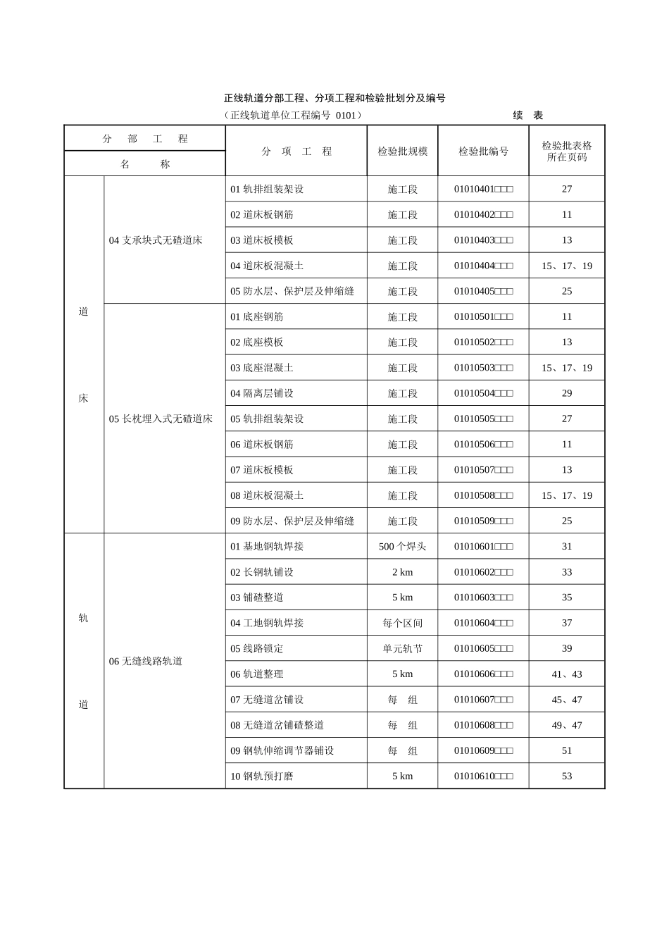
第四章 轨道工程轨道工程施工质量验收划分为单位工程、分部工程、分项工程和检验批。单位工程应按一个完整工程或一个相当规模的施工范围划分,并按下列原则确定:(1)正线轨道:一个区间(以站中心为界,含正线道岔);当区间内含有不同类型轨道时,也可按轨道类型划分;(2)站场轨道:一个站或大型枢纽的一个场(以最外方咽喉道岔为界,含站线道岔)。单位工程应在一个承包单位的施工范围内,不同承包单位施工的工程,不论其规模大小都不能合并为一个单位工程进行验收。分部工程应按一个完整部位或主要结构及施工阶段划分。轨道工程的分部工程主要包括:线路基桩、有碴道床、板式无碴道床、支承块式无碴道床、长枕埋入式无碴道床、无缝线路轨道、有缝线路轨道、道口、防护栅栏、护轨、标志、轨道加强设备等。分项工程应按工种、工序、材料、施工工艺划分。检验批可根据施工及质量控制和验收需要按长度、施工段、处等进行划分。检验批规模中的施工段是指一个班次或作业循环的施工长度,检验批长度均按单线计算。轨道工程的单位工程、分部工程、分项工程和检验批的划分及编号应符合下列各表的要求。正线轨道分部工程、分项工程和检验批划分及编号(正线轨道单位工程编号 0101)分 部 工 程分 项 工 程检验批规模检验批编号检验批表格所在页码名 称01 线路基桩01 基桩测设2 km01010101□□□5道 床02 有碴道床(铺轨前铺碴)01 铺底碴5 km(宽枕 1 km)01010201□□□702 预铺道碴01010202□□□903 板式无碴道床01 底座钢筋施工段01010301□□□1102 底座模板施工段01010302□□□1303 底座混凝土施工段01010303□□□15、17、1904 轨道板铺设20 块01010304□□□2105 CA 砂浆模板施工段01010305□□□1306 CA 砂浆配制灌注施工段01010306□□□2307 防水层、保护层及伸缩缝施工段01010307□□□25正线轨道分部工程、分项工程和检验批划分及编号 (正线轨道单位工程编号 0101) 续 表 分 部 工 程分 项 工 程检验批规模检验批编号检验批表格所在页码名 称道 床04 支承块式无碴道床01 轨排组装架设施工段01010401□□□2702 道床板钢筋施工段01010402□□□1103 道床板模板施工段01010403□□□1304 道床板混凝土施工段01010404□□□15、17、1905 防水层、保护层及伸缩缝施工段01010405□□□2505 长枕埋入式无碴道床01 底座钢筋施工段01010501□□□1102 底座模板施工段01010502□□□1303...

1、当您付费下载文档后,您只拥有了使用权限,并不意味着购买了版权,文档只能用于自身使用,不得用于其他商业用途(如 [转卖]进行直接盈利或[编辑后售卖]进行间接盈利)。
2、本站所有内容均由合作方或网友上传,本站不对文档的完整性、权威性及其观点立场正确性做任何保证或承诺!文档内容仅供研究参考,付费前请自行鉴别。
3、如文档内容存在违规,或者侵犯商业秘密、侵犯著作权等,请点击“违规举报”。

碎片内容

铁路工程施工质量验收标准应用指南之轨道工程

您可能关注的文档

确认删除?
VIP
微信客服
  • 扫码咨询
会员Q群
  • 会员专属群点击这里加入QQ群
客服邮箱
回到顶部