电脑桌面
添加小米粒文库到电脑桌面
安装后可以在桌面快捷访问

高效液相色谱仪VIP专享VIP免费

高效液相色谱仪_第1页
1/24
高效液相色谱仪_第2页
2/24
高效液相色谱仪_第3页
3/24
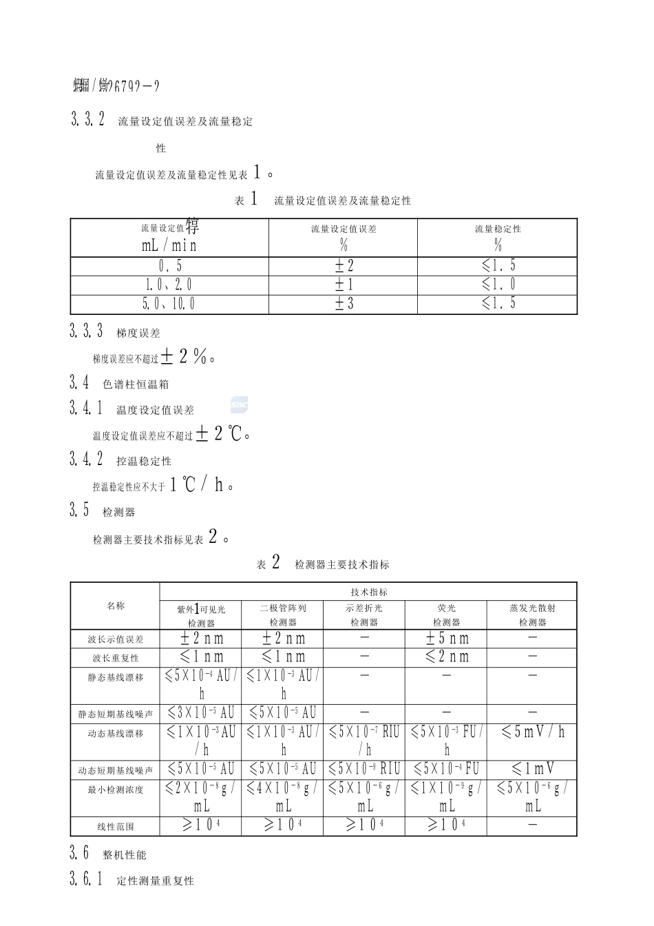
犌犅/犜26792—2019高 效 液 相 色 谱 仪1 范围本标准规定了高效液相色谱仪的要求、试验方法、检验规则和标志、包装、运输及贮存。本标准适用于高效液相色谱仪(以下简称仪器)。本标准不适用基于高效液相色谱原理的专用仪器。2 规范性引用文件下列文件对于本文件的应用是必不可少的。凡是注 H 期的引用文件,仅注 H 期的版本适用于本文件。凡是不注 H 期的引用文件,其最新版本(包括所有的修改单)适用于本文件。GB/T191—208 包装储运图示标志GB/T2829—202 周期检验计数抽样程序及表(适用于对过程稳定性的检验)GB/T682—208 分析实验室用水规格和试验方法GB/T1606—207 分析仪器环境试验方法GB/T12519—2010 分析仪器通用技术条件GB/T1384—208 机电产品包装通用技术条件GB/T304 3 液相色谱仪测试用标准色谱柱GB/T34065—2017 分析仪器的安全要求3 要求3.1 正常工作条件仪器正常工作条件如下: a) 环境温度:5℃~35℃; b) 相对湿度:20%~80%;c) 大气压力:75kPa~106kPa;d) 供电电源:交流电压20V±2 V,频率50Hz±0.5Hz;e) 接地电阻 ≤4 Ω;f) 室内应避免易燃、易爆和强腐蚀性气体及强烈的震动、电磁干扰和空气对流等;g) 室内应有良好通风。3.2 外观3.2.1 仪器外表应平整光滑、字迹清晰,表面涂覆色泽均匀,不应有明显划痕、露底、裂纹、起泡、毛刺等现象。3.2.2 各调节旋钮、按键、开关等工作应正常、无松动;指示、显示应清晰完整。3.3 输液泵3.3.1 密封性输液泵流路截止,压力达到上限值的 90%,输 液 泵 停 止 运 行,保持 10 min,压 力 下 降 应 不 大于3MPa。1犌犅/犜26792—23.3.2 流量设定值误差及流量稳定性流量设定值误差及流量稳定性见表1。表1 流量设定值误差及流量稳定性流量设定值犉mL/min流量设定值误差%流量稳定性%0.5±2≤1.51.0、2.0±1≤1.05.0、10.0±3≤1.53.3.3 梯度误差梯度误差应不超过±2%。3.4 色谱柱恒温箱3.4.1 温度设定值误差温度设定值误差应不超过±2℃。3.4.2 控温稳定性控温稳定性应不大于1℃/h。3.5 检测器检测器主要技术指标见表2。表2 检...

1、当您付费下载文档后,您只拥有了使用权限,并不意味着购买了版权,文档只能用于自身使用,不得用于其他商业用途(如 [转卖]进行直接盈利或[编辑后售卖]进行间接盈利)。
2、本站所有内容均由合作方或网友上传,本站不对文档的完整性、权威性及其观点立场正确性做任何保证或承诺!文档内容仅供研究参考,付费前请自行鉴别。
3、如文档内容存在违规,或者侵犯商业秘密、侵犯著作权等,请点击“违规举报”。

碎片内容

高效液相色谱仪

确认删除?
VIP
微信客服
  • 扫码咨询
会员Q群
  • 会员专属群点击这里加入QQ群
客服邮箱
回到顶部