电脑桌面
添加小米粒文库到电脑桌面
安装后可以在桌面快捷访问

隧道计算书完整VIP免费

隧道计算书完整_第1页
1/19
隧道计算书完整_第2页
2/19
隧道计算书完整_第3页
3/19
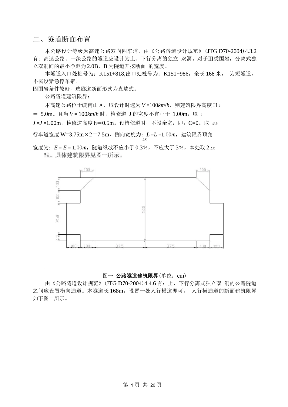
第 1 页 共 20 页二、隧道断面布置本公路设计等级为高速公路双向四车道,由《公路隧道设计规范》(JTG D70-2004)4.3.2 有:高速公路、一级公路的隧道应设计为上、下行分离的独立 双洞。对于Ⅲ类围岩,分离式独立双洞间的最小净距为 2.0B,B 为隧道开挖断面 的宽度。本隧道入口处桩号为:K151+818,出口处桩号为:K151+986,全长 168 米, 为短隧道,不需设紧急停车带。因围岩条件较好,选隧道断面形式为直墙式。公路隧道建筑限界:本高速公路位于皖南山区,取设计时速为 V =100km/h,则建筑限界高度 H k= 5.0m。且当 V = 100km/h 时,检修道 J 的宽度不宜小于 1.00m,取 kJ =J =1.00m,检修道高度 h=0.5m。设检修道时,不设余宽,即:C=0。取 左右行车道宽度 W=3.75m×2=7.5m,侧向宽度为:L =L =1.00m,建筑限界顶角LR宽度为:E = E = 1.00m,隧道纵坡不应小于 0.3%,不应大于 3%,本处取 2 LR图一 公路隧道建筑限界(单位:cm)由《公路隧道设计规范》(JTG D70-2004)4.4.6 有:上、下行分离式独立双 洞的公路隧道之间应设置横向通道。本隧道长 168m,设置一处人行横道即可, 人行横通道的断面建筑限界如下图二所示。第 2 页 共 20 页故:隧道限界净宽为:11.5m;其中:行车道宽度:W=3.75m×2=7.5m;侧向宽度为:L = L = 1.00m ; LR检修道宽度:J = J = 1.00m ; 左右隧道限界净高:5m;内轮廓形式:单心圆 R=6.8m;净高:7m;净宽:11.7m;向外取衬砌厚度 0.4m,则:隧道开挖宽度 B = 12.5m ;隧道开挖高度:H = 7.4m ; tt取两分离式洞口之间左右间距为 40m;该段隧道的埋深 H=67.087m。洞口的开挖方式见施工组织设计。三、围岩压力计算隧道支护结构的垂直均布压力:q =γhh = 0.45 × 2s-ιω其中:s=3,为安全起见,取 γ= 2.5%3 ,B>5m,取 i=0.1, ω = 1 + i(B-5) = 1 + 0.1×(12.5-5)=1.75 ,q =γh = 0.45×2s-1γω = 0.45×4×2.5× 1.75=7.875 t'',m2荷载等效高度:h = q = 7875 = 3.15m ;q γ 2.5深、浅埋隧道分界深度:H = 2.5h = 2.5×3.15=7.875m << H = 67.087m , pq故为深埋隧道。水平均布围岩压力:e < 0.15q,取 e = 0.10×7.875=0.7875 t/ ≈ 0.79 厅。m2m2三、隧道初支查看《公路隧道设计规范》(JTG D70-2004),则:由 8.1.1 有:公路隧道应作衬砌,根据隧道围岩地质条件、施工条...

1、当您付费下载文档后,您只拥有了使用权限,并不意味着购买了版权,文档只能用于自身使用,不得用于其他商业用途(如 [转卖]进行直接盈利或[编辑后售卖]进行间接盈利)。
2、本站所有内容均由合作方或网友上传,本站不对文档的完整性、权威性及其观点立场正确性做任何保证或承诺!文档内容仅供研究参考,付费前请自行鉴别。
3、如文档内容存在违规,或者侵犯商业秘密、侵犯著作权等,请点击“违规举报”。

碎片内容

隧道计算书完整

最好的沉淀+ 关注
实名认证
内容提供者

行业文档

确认删除?
VIP
微信客服
  • 扫码咨询
会员Q群
  • 会员专属群点击这里加入QQ群
客服邮箱
回到顶部