电脑桌面
添加小米粒文库到电脑桌面
安装后可以在桌面快捷访问

某标准件厂冷镦车间低压配电系统及车间变电所设计(超详细)VIP免费

某标准件厂冷镦车间低压配电系统及车间变电所设计(超详细)_第1页
1/25
某标准件厂冷镦车间低压配电系统及车间变电所设计(超详细)_第2页
2/25
某标准件厂冷镦车间低压配电系统及车间变电所设计(超详细)_第3页
3/25
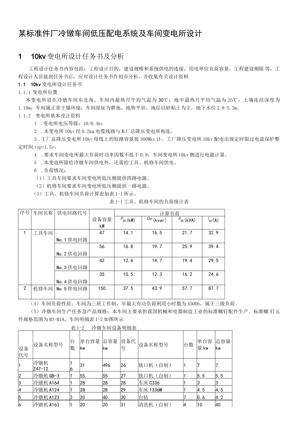
某标准件厂冷镦车间低压配电系统及车间变电所设计110kv 变电所设计任务书及分析工程设计任务书内容包括:工程设计目的,建设规模和系统供电的连接,用电单位负荷容量,工程建设期限 等,工程设计人员接到任务书后,应对设计任务书作初步分析,并收集有关设计资料.1.110kv 变电所设计任务书1.1.1 变电所位置本变电所设在冷镦车间东北角。车间内最热月平均气温为 30℃;地中最热月平均气温为 25℃;土壤冻结深度为1.10m;车间属正常干燥环境;车间原址为耕地,地势平坦。地层以砂粘土为主,地下水位 2.8-5.3m。1.1.2变电所基本设计资料1 .变电所电压等级:10/0.4kv2.本变电所 10kv 经 0.2km 电缆线路与本厂总降压变电所相连。3 .工厂总降压变电所 10kv 母线上的短路容量按 300Mkv 计。工厂降压变电所 10kv 配电出现定时限过电流保护整定时间 top=1.5s。4.要求车间变电所最大负荷时功率因数不低于 0.9,车间变电所 10kv 侧进行电能计量。5.本变电所除给冷镦车间供电外,还需给工具、机修车间供电。6.负荷情况:(1)工具车间要求车间变电所低压侧提供四路电源。(2)机修车间要求车间变电所低压侧提供一路电源。(3)工具,机修车间负荷计算表如表 1-1 所示。表 1-1 工具、机修车间的负荷统计表序号 车间名称 供电回路代号设备容量kW计算负荷P30(kW)Q30(kvar)S30(kVA)I30(A)1工具车间No.1 供电回路4714.116.521.732.9No.2 供电回路5616.819.725.939.4No.3 供电回路4212.614.719.429.5No.4 供电回路3510.512.316.224.62机修车间 No.5 供电回路15037.543.957.787.7(4)车间负荷性质:车间为三班工作制,年最大有功负荷利用小时数为 4500h,属于三级负荷。(5)冷镦车间生产任务急产品规格:本车间主要承担我国机械和电器制造工业的标准螺钉配件生产。标准螺 钉元件规格范围为 M3-M18,车间明细表 1-2 如图所示表 1-2冷镦车间设备明细表设备代号设备名称型号台数单台容量kw总容量kw设备代号设备名称型号台数 单台容量 kw总容量kw1冷镦机Z47-12163149626铣口机(自制)1772冷镦机 GB-31555527铣口机(自制)15.55.53冷镦机 A1641282828车床 C3361334冷镦机 A1241282829车床 1336M14.54.55冷镦机 A1232204030台钻70.64.26冷镦机 A1631202031清洗机(自制)410407冷镦机 A1691101032包装机(自制)34.513.58冷镦机 Z47-671510533涂油槽1--9冷镦机 82BA1111134车床 C620-117710冷镦机 A12124.79.435...

1、当您付费下载文档后,您只拥有了使用权限,并不意味着购买了版权,文档只能用于自身使用,不得用于其他商业用途(如 [转卖]进行直接盈利或[编辑后售卖]进行间接盈利)。
2、本站所有内容均由合作方或网友上传,本站不对文档的完整性、权威性及其观点立场正确性做任何保证或承诺!文档内容仅供研究参考,付费前请自行鉴别。
3、如文档内容存在违规,或者侵犯商业秘密、侵犯著作权等,请点击“违规举报”。

碎片内容

某标准件厂冷镦车间低压配电系统及车间变电所设计(超详细)

您可能关注的文档

确认删除?
VIP
微信客服
  • 扫码咨询
会员Q群
  • 会员专属群点击这里加入QQ群
客服邮箱
回到顶部