电脑桌面
添加小米粒文库到电脑桌面
安装后可以在桌面快捷访问

内墙抹灰隐蔽工程验收记录VIP专享VIP免费

内墙抹灰隐蔽工程验收记录_第1页
1/12
内墙抹灰隐蔽工程验收记录_第2页
2/12
内墙抹灰隐蔽工程验收记录_第3页
3/12
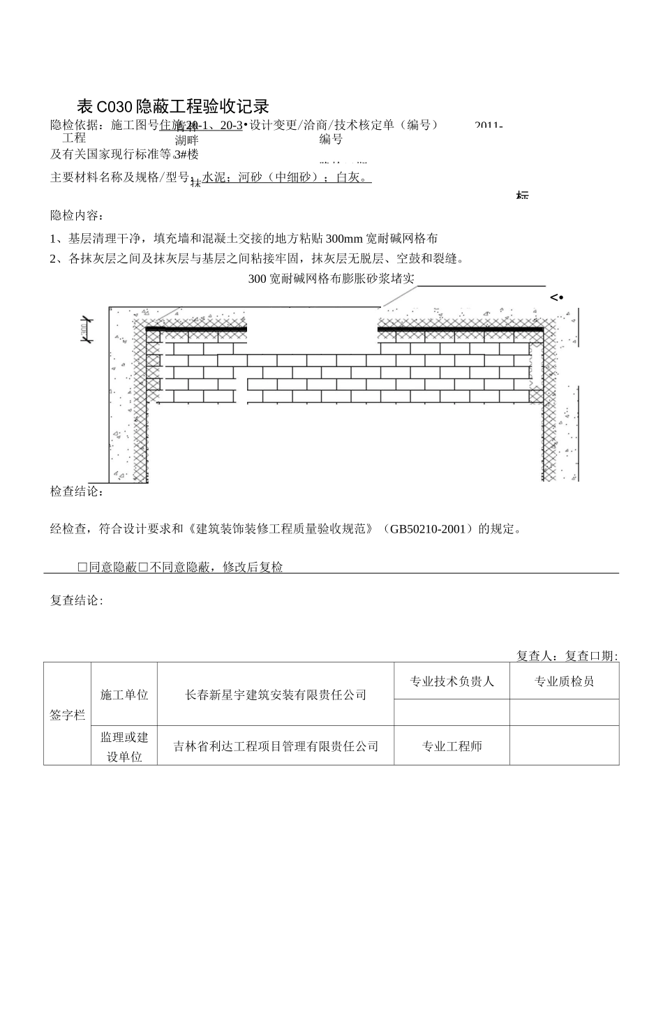
工程名称青林湖畔3#楼抹编号隐检口期2011-标表 C030 隐蔽工程验收记录隐检依据:施工图号住施 20-1 、 20-3 •设计变更/洽商/技术核定单(编号)及有关国家现行标准等。主要材料名称及规格/型号:水泥;河砂(中细砂);白灰。隐检内容:1、基层清理干净,填充墙和混凝土交接的地方粘贴 300mm 宽耐碱网格布2、各抹灰层之间及抹灰层与基层之间粘接牢固,抹灰层无脱层、空鼓和裂缝。300 宽耐碱网格布膨胀砂浆堵实检查结论:经检查,符合设计要求和《建筑装饰装修工程质量验收规范》(GB50210-2001)的规定。□同意隐蔽□不同意隐蔽,修改后复检复查结论:复查人:复查口期:签字栏施工单位长春新星宇建筑安装有限贵任公司专业技术负贵人专业质检员监理或建设单位吉林省利达工程项目管理有限贵任公司专业工程师<•表C030 隐蔽工程验收记录抹灰工程隐检口期 2011-6-3三层内墙抹灰轴线1'25、A、b标咼m工程名称隐检项目隐检部位隐检依据:施工图号住施 20-1 、 20-3 •设计变更/洽商/技术核定单(编号)及有关国家现行标准等。主要材料名称及规格/型号:水泥;河砂(中细砂);白灰。隐检内容:1、基层清理干净,填充墙和混凝土交接的地方粘贴 300mm 宽耐碱网格布2、各抹灰层之间及抹灰层与基层之间粘接牢固,抹灰层无脱层、空鼓和裂缝。300 宽耐碱网格布膨胀砂浆堵实检查结论:经检查,符合设计要求和《建筑装饰装修工程质量验收规范》(GB50210-2001)的规定。□同意隐蔽□不同意隐蔽,修改后复检复查结论:复查人:复查口期:表C030 隐蔽工程验收记录抹灰工程隐检口期 2011-6-6四层内墙抹灰轴线广 25、A'b标咼m工程名称隐检项目隐检部位隐检依据:施工图号建施 20-1 、 20-3 ,设计变更/洽商/技术核定单(编号/)及有关国家现行标准等。主要材料名称及规格/型号:水泥;河砂(中细砂);白灰。隐检内容:1、基层清理干净,填充墙和混凝土交接的地方粘贴 300mm 宽耐碱网格布2、各抹灰层之间及抹灰层与基层之间粘接牢固,抹灰层无脱层、空鼓和裂缝。300 宽耐碱网格布膨胀砂浆堵实检查结论:经检查,符合设计要求和《建筑装饰装修工程质量验收规范》(GB50210-2001)的规定。□同意隐蔽□不同意隐蔽,修改后复检复查结论:复查人:复查口期:表C030 隐蔽工程验收记录工程名称青林湖畔3#楼编号隐检项目抹灰工程隐检口期 2011-6-9隐检部位五层内墙抹灰轴线1'25、A%标高m隐检依据:施工图号住施 20-1 、 20-3 ,设计变更/洽商/技...

1、当您付费下载文档后,您只拥有了使用权限,并不意味着购买了版权,文档只能用于自身使用,不得用于其他商业用途(如 [转卖]进行直接盈利或[编辑后售卖]进行间接盈利)。
2、本站所有内容均由合作方或网友上传,本站不对文档的完整性、权威性及其观点立场正确性做任何保证或承诺!文档内容仅供研究参考,付费前请自行鉴别。
3、如文档内容存在违规,或者侵犯商业秘密、侵犯著作权等,请点击“违规举报”。

碎片内容

内墙抹灰隐蔽工程验收记录

确认删除?
VIP
微信客服
  • 扫码咨询
会员Q群
  • 会员专属群点击这里加入QQ群
客服邮箱
回到顶部