电脑桌面
添加小米粒文库到电脑桌面
安装后可以在桌面快捷访问

物业工程设备运行、维修工作方案VIP免费

物业工程设备运行、维修工作方案_第1页
1/27
物业工程设备运行、维修工作方案_第2页
2/27
物业工程设备运行、维修工作方案_第3页
3/27
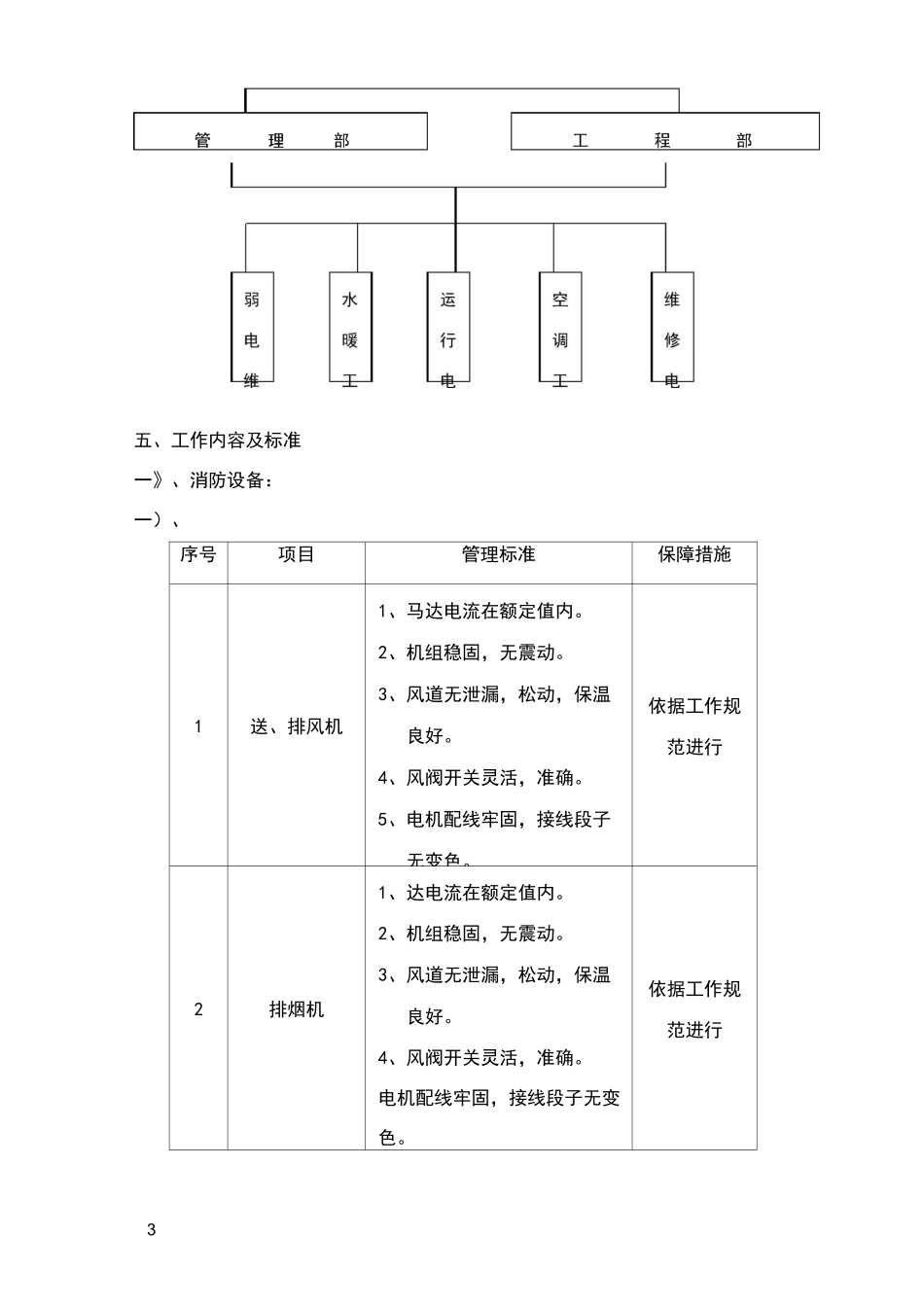
1XX 物业服务中心工程设备运行、维修工作方案目的在对 XXXX 的设备进行使用及运行的基础上,为了使其所具有的机能能够 100%的发挥出来而实施专门的服务及管理,避免因设备性能下降而贬值,由此对其进行社会性的、安全的、经济的维护和管理。一、物业管理项目:1、消防设备。A、送、排风机,排烟风机。B、消火栓。C、喷洒、水幕装置。D、烟感。E、温感。2、给、排水设备。A、上、下水。B、水泵。C、阀门、管路。D、卫生间。E、化粪池、马葫芦。3、弱电设备。A牙匕旦立匚匚A、背景音乐。B、有线电视。C、电话。D、网络。4、强电设备。A、变电所。2B、配电柜。C、配电盘。D、照明器具。E、动力设备。5、供热系统。A、板式换热器B、水泵。C、暖气。D、电热水锅炉6、土建。A、防水、大白B、梯级。C、门窗。7、防护设备。A、避雷针。8、综合布线。二、人员设置:维修班长一人负责工程管理水暖维修工三人负责综合维修运行电工四人负责变电所运行维修电工三人负责电器维修空调工一人负责供暖设施三、工作时间:1、M 班:8:OOAM~次日 8:OOAM 工人2、正常班:8:00AM~5:00PM 班长管理组织结构图:XXX 物业管理有限公司总经理3五、工作内容及标准一》、消防设备:一)、序号项目管理标准保障措施1送、排风机1、马达电流在额定值内。2、机组稳固,无震动。3、风道无泄漏,松动,保温良好。4、风阀开关灵活,准确。5、电机配线牢固,接线段子无变色。依据工作规范进行2排烟机1、达电流在额定值内。2、机组稳固,无震动。3、风道无泄漏,松动,保温良好。4、风阀开关灵活,准确。电机配线牢固,接线段子无变色。依据工作规范进行43喷洒、水幕装置1、无泄漏。2、无破损。依据工作规范进行4烟感、温感1、干净整洁。2、报警准确,及时。依据工作规范进行5消火栓1、无泄漏。2、阀门开启灵活。3、设备无缺损。依据工作规范进行6火灾自动报警1、报警准确、及时。2、设备箱内干净整洁。依据工作规范进行二)、实施流程:A、消火栓给水系统。1、每周巡回检查 1 次消火栓给水系统是否处于正常状态。2、每季度对消防管道及附件、消火栓、消防水泵接合器、阀门、压力表等一切设备,进行一次全面检修。3、每年检查一次消火栓,打开箱门,确认设备有无缺损、泄漏,如有,进行补充或更换。B、自动喷水灭火系统。1、制定详尽的管理、检测、维护制度,日常工作由专职工程技术人员、义务消防队或消防员执行。2、负责系统维护的人员每天巡检责任区内所有水源控制阀、...

1、当您付费下载文档后,您只拥有了使用权限,并不意味着购买了版权,文档只能用于自身使用,不得用于其他商业用途(如 [转卖]进行直接盈利或[编辑后售卖]进行间接盈利)。
2、本站所有内容均由合作方或网友上传,本站不对文档的完整性、权威性及其观点立场正确性做任何保证或承诺!文档内容仅供研究参考,付费前请自行鉴别。
3、如文档内容存在违规,或者侵犯商业秘密、侵犯著作权等,请点击“违规举报”。

碎片内容

物业工程设备运行、维修工作方案

您可能关注的文档

确认删除?
VIP
微信客服
  • 扫码咨询
会员Q群
  • 会员专属群点击这里加入QQ群
客服邮箱
回到顶部