电脑桌面
添加小米粒文库到电脑桌面
安装后可以在桌面快捷访问

十一住宅装饰验收标准已改VIP免费

十一住宅装饰验收标准已改_第1页
1/10
十一住宅装饰验收标准已改_第2页
2/10
十一住宅装饰验收标准已改_第3页
3/10
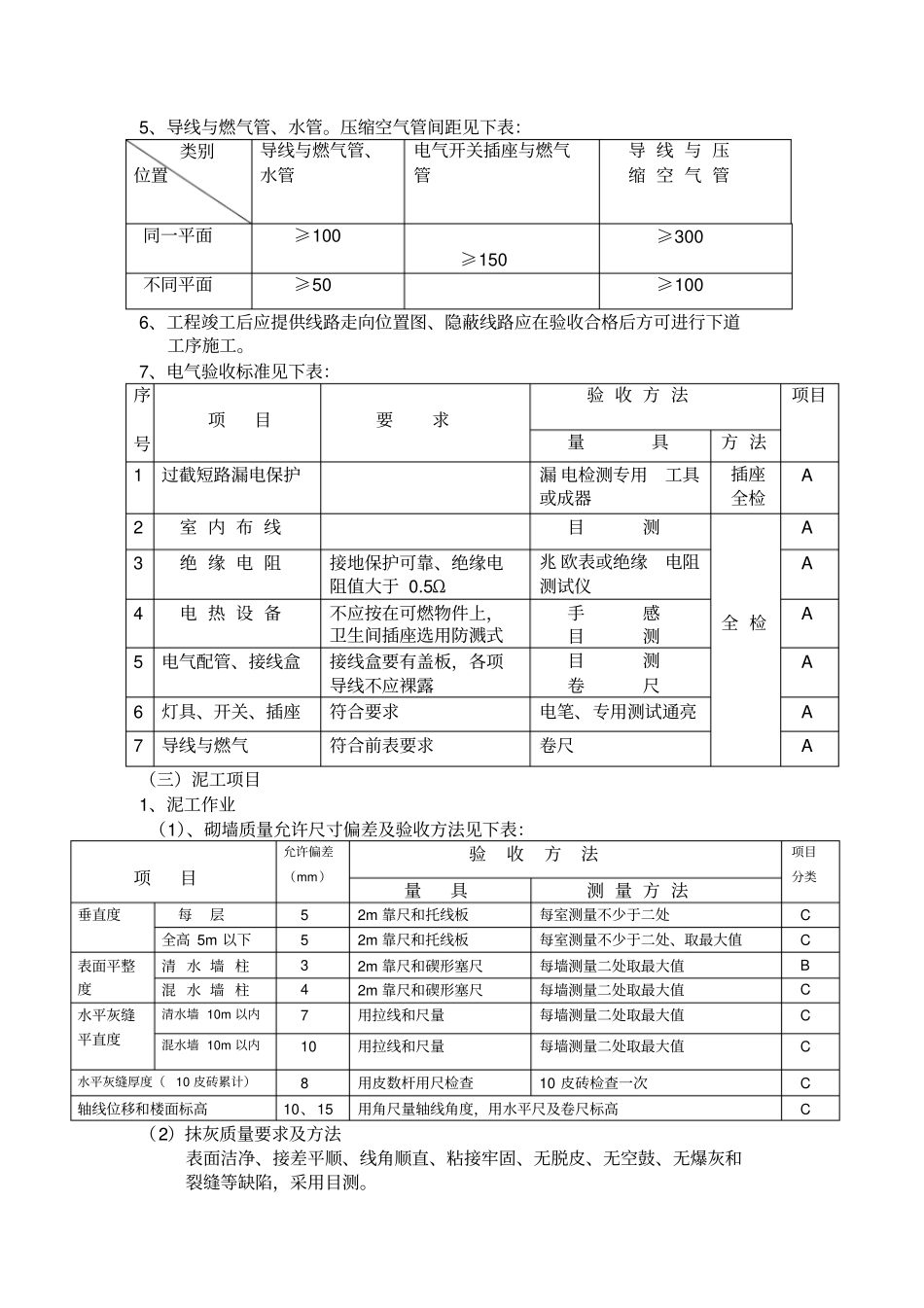
第十一章住宅装饰验收标准一、本标准涵盖范围:装饰装修的基本原则、文明施工、安全施工、水工、电工、泥工、木工、油漆、煽灰、室内空气质量、等各项工程施工标准、质量要求、验收方法及验收判定标准。二、基本原则:1、在遵守国家法律、法规和有关规定的前提下,还应遵循安全实用、物美价廉的基本原则;在设计与施工中必须贯彻执行国家、地方和行业有关安全、防火、环保、建筑、电气、煤气、给排水等现行标准和技术规范。2、装饰装修设计、施工要确保建筑物原有安全性、整体性,不得随意改变建筑物承重结构,不能随意破坏建筑外立面、若需要开安装空洞的,在设备安装后尽力按原有外墙装饰效果修饰完整。3、装饰应在业主的幢户、 分门户以内的住户范围面积进行,不得占用公共空间,不能影响相邻建筑的安全及使用环境。4、所使用的装饰材料质量应符合该产品标准质量要求和设计要求,供应商应提供产品质量保证书和检验报告。5、装饰时不得随意改变给排水主管,不得随意改变地漏、便器的位置,也不得随意增加卫浴设施。6、厨房装饰时严禁移动燃气表、燃气管道不得暗敷,不得穿越卧室,穿越吊顶内的燃气管道不得有接头。三、文明施工:1、凡公工作人员在工地必须挂工作证上岗2、客户前来观摩,应热情接待,详细回答提问,做好微笑服务。3、施工现场必须文明施工、安全施工条例,防水防潮施工工艺,工程进度表,以及公司统一工种必备标识牌。4、施工现场不得有打赤膊穿拖鞋的人。5、严禁在工地随意大小便。6、不能在业主的床上、家具上睡觉。7、不准站在家居及洁具上施工。8、不能在施工现场吵骂打架,不能辱骂业主。9、不能在施工现场聚众赌博。10、严禁在阳台上堆放垃圾杂物。11、当天应清理施工现场保持整洁卫生。四、安全施工:1、施工现场灭火器必须放在明显位置。2、不得带小孩进入施工现场,不得有闲杂人员。3、施工现场各种材料应应分类堆放在指定位置。4、严禁在工地煮饭、炒菜。5、工地严禁吸烟。6、不能站在天那水及油漆桶上施工。7、打拆墙时应采取安全保护措施。8、完工成品必须严格保护(柜内严禁放任何东西)。9、陌生人进入工地要询问来意,并做记录。10、每天下班时,负责人要检查施工现场有无安全隐患,并关好门窗、水、电总闸,锁好入户门方可离去。五、各工种施工质量标准和验收方法:(一)、水工项目1、安装给排水管的管材、管件必须符合质量标准,安装水管应按产品技术说明进行安装,布管整齐、美观、规范。安装水表和各种阀门...

1、当您付费下载文档后,您只拥有了使用权限,并不意味着购买了版权,文档只能用于自身使用,不得用于其他商业用途(如 [转卖]进行直接盈利或[编辑后售卖]进行间接盈利)。
2、本站所有内容均由合作方或网友上传,本站不对文档的完整性、权威性及其观点立场正确性做任何保证或承诺!文档内容仅供研究参考,付费前请自行鉴别。
3、如文档内容存在违规,或者侵犯商业秘密、侵犯著作权等,请点击“违规举报”。

碎片内容

十一住宅装饰验收标准已改

您可能关注的文档

确认删除?
VIP
微信客服
  • 扫码咨询
会员Q群
  • 会员专属群点击这里加入QQ群
客服邮箱
回到顶部