电脑桌面
添加小米粒文库到电脑桌面
安装后可以在桌面快捷访问

千伏送电线路工程基础施工作业书VIP专享VIP免费

千伏送电线路工程基础施工作业书_第1页
1/26
千伏送电线路工程基础施工作业书_第2页
2/26
千伏送电线路工程基础施工作业书_第3页
3/26
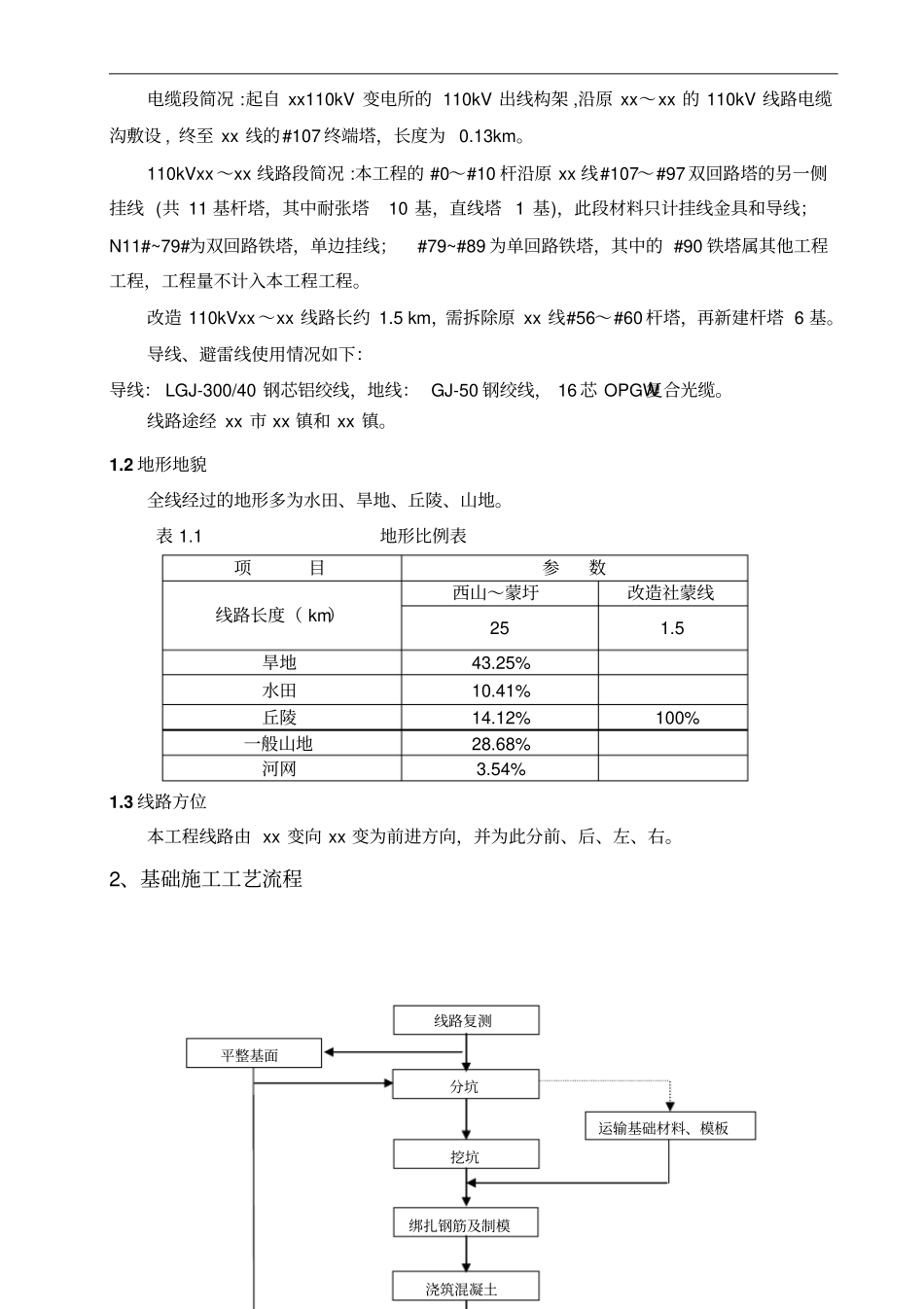
xx 至 xx110千伏送电线路工程基础施工作业指导书批准:审核:编写:xx 公司xx 至 xx110 千伏送变电工程工程部二 Oxx 年 xx 月目录1、工程简况 1 1.1 工程简介 1 1.2 地形地貌 2 1.3 线路方位 2 2、基础施工工艺流程 2 3、施工方法及说明 3 3.1 复测3 3.2 分坑5 3.3 土石方工程 6 3.4 现浇基础浇制 11 3.5 排水沟施工 15 3.6 护坡(挡土墙)施工 15 3.7 接地体施工 17 3.8 回填土 18 3.9 保护帽施工 18 4、质量要求、控制点和控制措施18 5、职业健康安全措施和环境保护20 1、工程简况1.1 工程简介工程起止点及长度xx 至 xx110kV 送电线路工程,包括 xx 至 xx110kV 送电线路(长约 25km)和 110kVxx~xx线路改造(长约 1.5km)。线路采用采用 110kV 电缆、单、双回混合建设,线路总长约 26.5km。xx 至 xx110kV 送电线路由电缆段和线路段组成。电缆段简况 :起自 xx110kV 变电所的 110kV 出线构架 ,沿原 xx~xx 的 110kV 线路电缆沟敷设 , 终至 xx 线的#107 终端塔,长度为 0.13km。110kVxx ~xx 线路段简况 :本工程的 #0~#10 杆沿原 xx 线#107~#97 双回路塔的另一侧挂线 (共 11 基杆塔,其中耐张塔10 基,直线塔 1 基),此段材料只计挂线金具和导线;N11#~79#为双回路铁塔,单边挂线;#79~#89 为单回路铁塔,其中的 #90 铁塔属其他工程工程,工程量不计入本工程工程。改造 110kVxx ~xx 线路长约 1.5 km,需拆除原 xx 线#56~#60 杆塔,再新建杆塔 6 基。导线、避雷线使用情况如下:导线: LGJ-300/40 钢芯铝绞线,地线: GJ-50 钢绞线, 16 芯 OPGW复合光缆。线路途经 xx 市 xx 镇和 xx 镇。1.2 地形地貌全线经过的地形多为水田、旱地、丘陵、山地。表 1.1 地形比例表项目参数线路长度( km)西山~蒙圩改造社蒙线25 1.5 旱地43.25% 水田10.41% 丘陵14.12% 100% 一般山地28.68% 河网3.54% 1.3 线路方位本工程线路由 xx 变向 xx 变为前进方向,并为此分前、后、左、右。2、基础施工工艺流程线路复测分坑挖坑绑扎钢筋及制模浇筑混凝土平整基面运输基础材料、模板图 2.1 基础施工工艺流程图3、施工方法及说明本线路工程按《 110~500kV 架空电力线路施工及验收规范》标准及设计施工图进行施工和验收。施工时必须严格按照施工图及所提要求和有关说明进行,施工过程中遇到问题需要变更设计时,应经...

1、当您付费下载文档后,您只拥有了使用权限,并不意味着购买了版权,文档只能用于自身使用,不得用于其他商业用途(如 [转卖]进行直接盈利或[编辑后售卖]进行间接盈利)。
2、本站所有内容均由合作方或网友上传,本站不对文档的完整性、权威性及其观点立场正确性做任何保证或承诺!文档内容仅供研究参考,付费前请自行鉴别。
3、如文档内容存在违规,或者侵犯商业秘密、侵犯著作权等,请点击“违规举报”。

碎片内容

千伏送电线路工程基础施工作业书

确认删除?
VIP
微信客服
  • 扫码咨询
会员Q群
  • 会员专属群点击这里加入QQ群
客服邮箱
回到顶部