电脑桌面
添加小米粒文库到电脑桌面
安装后可以在桌面快捷访问

华中科技大学十堰实习报告全解VIP免费

华中科技大学十堰实习报告全解_第1页
1/18
华中科技大学十堰实习报告全解_第2页
2/18
华中科技大学十堰实习报告全解_第3页
3/18
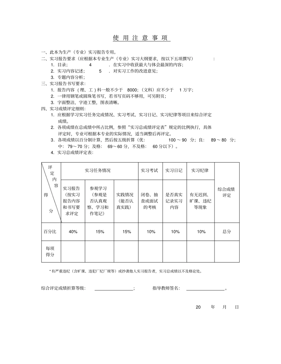
生产 ( 专业 ) 实习报告本材料院(系)材料成型与控制工程专业1103班学生姓名牛茂刚 U201111278 指导教师(实习起止日期: 2011年7月8日— 2010年7月18日)华中科技大学使 用 注 意 事 项一、此本为生产(专业)实习报告专用。二、实习报告要求(应根据本专业生产(专业)实习大纲要求,按以下五项撰写):1.目录; 4.在实习中收获最大与体会最深的内容;2.实习内容记述; 5.对实习工作的改进意见;3.专题内容分析;三、实习报告书写要求:1.报告内容 ( 理、工 ) 科一般不少于8000;(文科)应不少于1 万字;2.一律用钢笔或圆珠笔书写,若书写页码不够用,可另附页;3.字面整洁,字迹工整,图表清晰。四、实习成绩评定细则:1.应根据学习实习任务完成情况、实习考试、实习日记、实习纪律等项目来综合评定成绩。2.各项成绩在总成绩中所占比例,参照“实习总成绩评定表”规定的比例执行,具体评定时,专业可根据本专业的实际情况,适当调整后再评定。3.各项成绩以百分制计算,然后按五级折算(优:100 ~ 90 分;良:89 ~ 80 分;中: 79~70 分;及格: 69~60 分,不及格:60 分以下)。4.实习总成绩评定表:实习任务情况实习考试实习日记实习纪律综合成绩评定实习报告(按实习报告内容和书写要求评定参观学习(参观是否认真观察、学习和作笔记)实践情况(能否认真实践)闭卷、抽查或面试的考核是否真实记录实习内容有无迟到、旷课、违纪等现象百分比40% 15% 15% 10% 10% 10% 总分每项得分*有严重违纪(含旷课、违犯厂纪厂规等)或抄袭他人实习报告者,实习总成绩以不及格论处。综合评定成绩折算等级:;指导教师签名:。20 年月日评定内容得分目录1 实习目的 ⋯⋯⋯⋯⋯⋯⋯⋯⋯⋯⋯⋯⋯⋯⋯⋯⋯⋯⋯2 2 实习工厂简介⋯⋯⋯⋯⋯⋯⋯⋯⋯⋯⋯⋯⋯⋯⋯⋯⋯2 3 实习内容记述 3.1 东风汽车有限公司铸造一厂48厂⋯⋯⋯⋯2 3.2 东风汽车有限公司通用铸锻厂20厂⋯⋯⋯4 3.3 东风汽车商用车车身厂40厂 ⋯⋯⋯⋯⋯⋯⋯5 3.4 东风活塞轴瓦有限公司64厂 ⋯⋯⋯⋯⋯⋯⋯5 3.5 东风商用车有限公司总装配厂43厂⋯⋯⋯6 3.6 东风商用车变速箱厂59厂⋯⋯⋯⋯⋯⋯⋯⋯7 3.7 东风模具冲压技术有限公司25厂⋯⋯⋯⋯8 3.8 东风汽车制动系统公司62厂 ⋯⋯⋯⋯⋯⋯⋯8 3.9 东风锻造有限公司52厂⋯⋯⋯⋯⋯⋯⋯⋯⋯⋯9 4 专题内容分析 4.1 材料成型及控制工程(铸造) 部分 ⋯⋯⋯...

1、当您付费下载文档后,您只拥有了使用权限,并不意味着购买了版权,文档只能用于自身使用,不得用于其他商业用途(如 [转卖]进行直接盈利或[编辑后售卖]进行间接盈利)。
2、本站所有内容均由合作方或网友上传,本站不对文档的完整性、权威性及其观点立场正确性做任何保证或承诺!文档内容仅供研究参考,付费前请自行鉴别。
3、如文档内容存在违规,或者侵犯商业秘密、侵犯著作权等,请点击“违规举报”。

碎片内容

华中科技大学十堰实习报告全解

您可能关注的文档

确认删除?
VIP
微信客服
  • 扫码咨询
会员Q群
  • 会员专属群点击这里加入QQ群
客服邮箱
回到顶部