电脑桌面
添加小米粒文库到电脑桌面
安装后可以在桌面快捷访问

卫生间地面蓄水试验记录VIP免费

卫生间地面蓄水试验记录_第1页
1/16
卫生间地面蓄水试验记录_第2页
2/16
卫生间地面蓄水试验记录_第3页
3/16
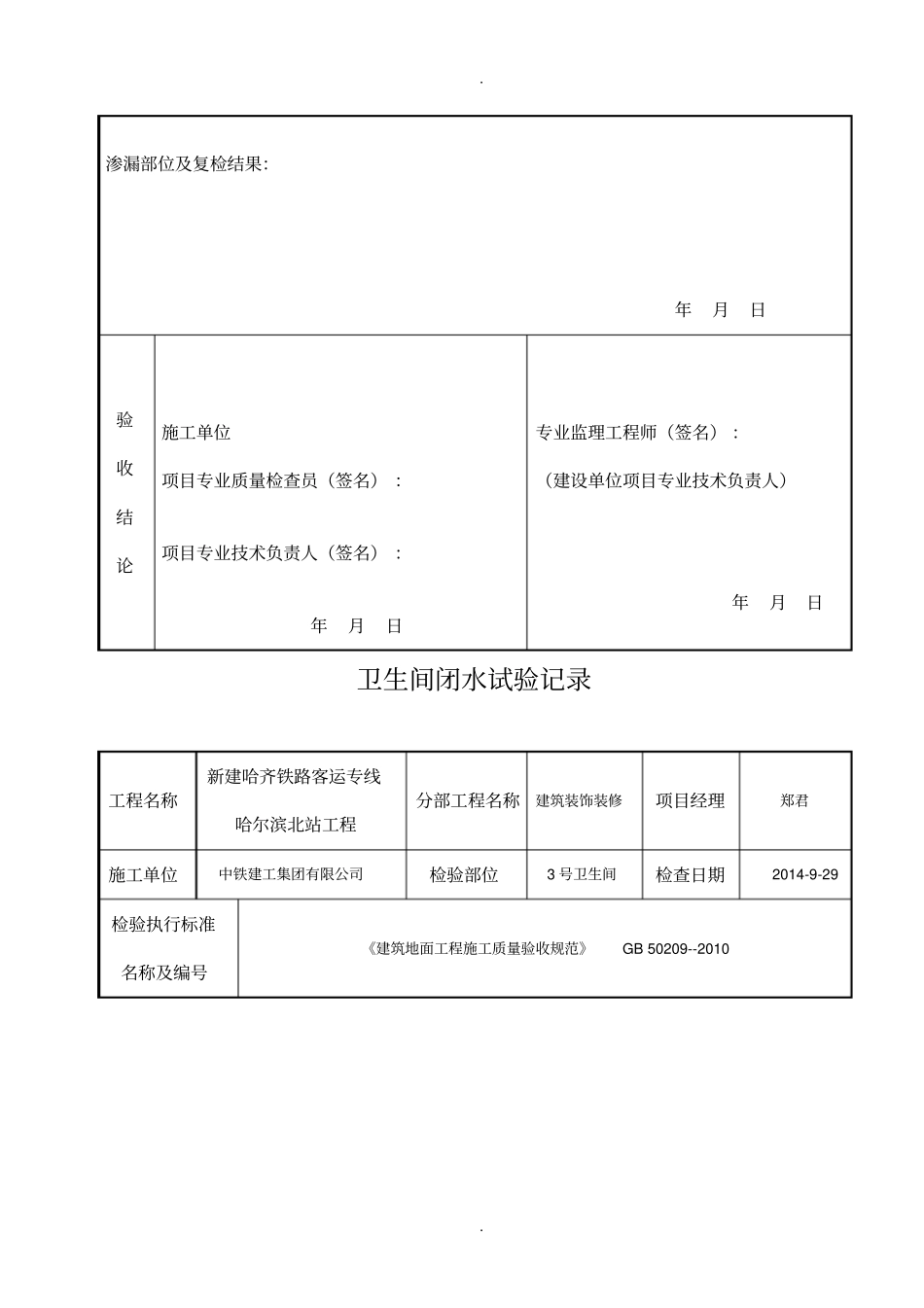
. . 卫生间闭水试验记录工程名称新建哈齐铁路客运专线哈尔滨北站工程分部工程名称建筑装饰装修项目经理郑君施工单位中铁建工集团有限公司检验部位1 号卫生间检查日期2014-9-26检验执行标准名称及编号《建筑地面工程施工质量验收规范》GB 50209--2010检验过程及结果:1、《建筑地面工程施工质量验收规范》GB 50209--20102、检查部位: 1 号卫生间防水层3、检查方法:闭水试验4、检验过程及结果:本工程 1 号卫生间面积约为60m2,在对地漏处等部位采取封堵措施后,9 月 25 日早上 7:00 开始蓄水,蓄水深度约为30mm 左右,蓄水24 小时后,至 9 月 26 日早上 7:00 对卫生间进行检查,未发现渗漏水现象。渗漏部位及复检结果:年月日. . 验收结论施工单位项目专业质量检查员(签名) :项目专业技术负责人(签名) :年月日专业监理工程师(签名) :(建设单位项目专业技术负责人)年月日卫生间闭水试验记录工程名称新建哈齐铁路客运专线哈尔滨北站工程分部工程名称建筑装饰装修项目经理郑君施工单位中铁建工集团有限公司检验部位2 号卫生间检查日期2014-9-26检验执行标准名称及编号《建筑地面工程施工质量验收规范》GB 50209--2010检验过程及结果:1、《建筑地面工程施工质量验收规范》GB 50209--20102、检查部位: 2 号卫生间防水层3、检查方法:闭水试验4、检验过程及结果:本工程 2 卫生间面积约为40m2,在对地漏处等部位采取封堵措施后,9 月 25 日早上 7:00 开始蓄水,蓄水深度约为30mm 左右,蓄水 24 小时后,至7 月 26 日早上 7:00 对卫生间进行检查,未发现渗漏水现象。. . 渗漏部位及复检结果:年月日验收结论施工单位项目专业质量检查员(签名) :项目专业技术负责人(签名) :年月日专业监理工程师(签名) :(建设单位项目专业技术负责人)年月日卫生间闭水试验记录工程名称新建哈齐铁路客运专线哈尔滨北站工程分部工程名称建筑装饰装修项目经理郑君施工单位中铁建工集团有限公司检验部位3 号卫生间检查日期2014-9-29检验执行标准名称及编号《建筑地面工程施工质量验收规范》GB 50209--2010. . 检验过程及结果:1、《建筑地面工程施工质量验收规范》GB 50209--20102、检查部位: 3 号卫生间防水层3、检查方法:闭水试验4、检验过程及结果:本工程 3 号卫生间面积约为130m2,在对地漏处等部位采取封堵措施后,9 月 28 日早上 7:00 开始蓄水,蓄水深度约为30mm ...

1、当您付费下载文档后,您只拥有了使用权限,并不意味着购买了版权,文档只能用于自身使用,不得用于其他商业用途(如 [转卖]进行直接盈利或[编辑后售卖]进行间接盈利)。
2、本站所有内容均由合作方或网友上传,本站不对文档的完整性、权威性及其观点立场正确性做任何保证或承诺!文档内容仅供研究参考,付费前请自行鉴别。
3、如文档内容存在违规,或者侵犯商业秘密、侵犯著作权等,请点击“违规举报”。

碎片内容

卫生间地面蓄水试验记录

确认删除?
VIP
微信客服
  • 扫码咨询
会员Q群
  • 会员专属群点击这里加入QQ群
客服邮箱
回到顶部