电脑桌面
添加小米粒文库到电脑桌面
安装后可以在桌面快捷访问

印刷工艺试验指导书VIP免费

印刷工艺试验指导书_第1页
1/24
印刷工艺试验指导书_第2页
2/24
印刷工艺试验指导书_第3页
3/24
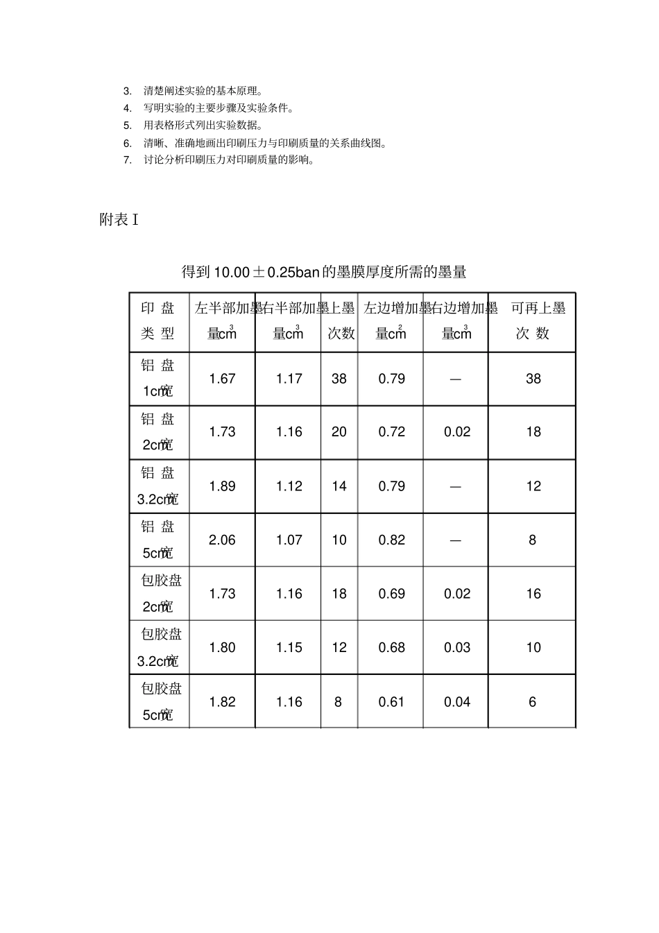
《印刷工艺》实验指导书实验一印刷压力对印刷质量的影响一、实验目的和要求1.了解印刷压力对印刷质量的影响。2.掌握评价印刷质量的方法。3.分析印刷压力对印刷质量的关系。二、实验基本内容1.采用印刷适性仪,改变印刷压力印刷网点梯尺。2.采用密度计测试不同印刷压力印刷的印刷品质量。3.分析印刷压力对印刷质量的影响。三、实验仪器、材料仪器 :IGT 印刷适性仪AIC2-5 型IGT 匀墨器IGT 精量注墨器IGT 网点印刷盘( 5cm胶辊)X-rite528型密度计材料 :胶印亮光快干油墨128g/m2高光铜版纸四、实验原理印刷是把印版上图文部分的油墨转移到纸张上,其油墨转移过程的实现都是以印刷压力原理为基础的。因此,印刷压力直接影响着油墨转移,对印刷质量有着重要的影响。若印刷压力过小,会造成各印刷面不能充分接触,从印版转移到纸张上的墨量偏少,印刷的印品墨色浅淡不清,细线条、高光部分的小网点会丢失;若印刷压力过大,会造成油墨铺展严重,使得网点扩大严重,甚至糊版,并且加剧印版的磨损,耐印率下降;若印刷压力不稳定,会造成油墨转移量不稳定,使得印品墨色不匀。因此,根据印刷工艺的要求,选择适宜的印刷压力,并保持其在印刷过程中的稳定性,这对保证印刷质量是非常重要的。采用适宜的印刷压力,才能印出墨色厚实、图象清晰、调子和色彩再现性良好的印品。五、实验步骤1.选取已经切好的被测试样,标好试样代码。2.调节印刷速度:将扇形盘上的速度类型选择滑档拨到“■”位置,计时器开关设在“关”的位置,速度选择开关设在“低”(low )的位置,按下机器右侧方的马达启动键并保持住,转动速度调节器来调节速度。速度数值由前显示板的速度表读出。本实验的速度为0.2m/s 。3.调节印刷压力:将印刷盘合压柄顺时针转到底(离压过程),在扇形盘上安装一张试样,转动扇形盘到起始位置,将网点印刷盘装在印刷轴上,再将合压柄逆时针转到底(合压过程),这时印刷盘与扇形盘便接触了,转动压力调节手柄将压力调至实验所需的值。压力值 可 由 标 尺 读 出 。 本 次 实 验 规 定 分 别 在 八 种 印 刷 压 力 下 进 行 印 刷 :50N/100N/200N/300N/500N/625N/750N/900N。调完压力后离压,取下印刷盘和试样。4.注墨、匀墨:本实验采用大墨量注墨的方式,即两边的匀墨单元都要使用。左右两边的注墨量查附表Ⅰ。注墨后匀墨90S,接着放下印刷盘,印刷盘在左单元上墨60S,再移到右单元上墨60S。5.印刷:将...

1、当您付费下载文档后,您只拥有了使用权限,并不意味着购买了版权,文档只能用于自身使用,不得用于其他商业用途(如 [转卖]进行直接盈利或[编辑后售卖]进行间接盈利)。
2、本站所有内容均由合作方或网友上传,本站不对文档的完整性、权威性及其观点立场正确性做任何保证或承诺!文档内容仅供研究参考,付费前请自行鉴别。
3、如文档内容存在违规,或者侵犯商业秘密、侵犯著作权等,请点击“违规举报”。

碎片内容

印刷工艺试验指导书

您可能关注的文档

确认删除?
VIP
微信客服
  • 扫码咨询
会员Q群
  • 会员专属群点击这里加入QQ群
客服邮箱
回到顶部