电脑桌面
添加小米粒文库到电脑桌面
安装后可以在桌面快捷访问

危险源识别品质部VIP免费

危险源识别品质部_第1页
1/1
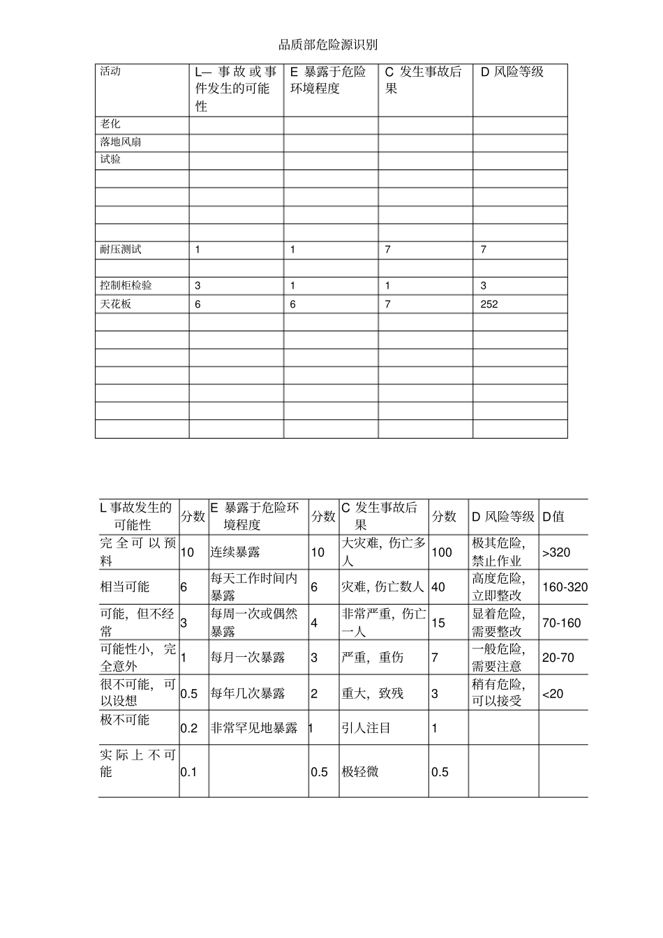
品质部危险源识别活动L— 事 故 或 事件发生的可能性E 暴露于危险环境程度C 发生事故后果D 风险等级老化落地风扇试验耐压测试1 1 7 7 控制柜检验3 1 1 3 天花板6 6 7 252 L 事故发生的可能性分数 E 暴露于危险环境程度分数 C 发生事故后果分数D 风险等级 D值完 全 可 以 预料10 连续暴露10 大灾难,伤亡多人100 极其危险,禁止作业>320 相当可能6 每天工作时间内暴露6 灾难,伤亡数人 40 高度危险,立即整改160-320 可能,但不经常3 每周一次或偶然暴露4 非常严重,伤亡一人15 显着危险,需要整改70-160 可能性小,完全意外1 每月一次暴露3 严重,重伤7 一般危险,需要注意20-70 很不可能,可以设想0.5 每年几次暴露2 重大,致残3 稍有危险,可以接受<20 极不可能0.2 非常罕见地暴露 1 引人注目1 实 际 上 不 可能0.1 0.5 极轻微0.5

1、当您付费下载文档后,您只拥有了使用权限,并不意味着购买了版权,文档只能用于自身使用,不得用于其他商业用途(如 [转卖]进行直接盈利或[编辑后售卖]进行间接盈利)。
2、本站所有内容均由合作方或网友上传,本站不对文档的完整性、权威性及其观点立场正确性做任何保证或承诺!文档内容仅供研究参考,付费前请自行鉴别。
3、如文档内容存在违规,或者侵犯商业秘密、侵犯著作权等,请点击“违规举报”。

碎片内容

危险源识别品质部

您可能关注的文档

确认删除?
VIP
微信客服
  • 扫码咨询
会员Q群
  • 会员专属群点击这里加入QQ群
客服邮箱
回到顶部