电脑桌面
添加小米粒文库到电脑桌面
安装后可以在桌面快捷访问

原材料试验结果汇总表VIP专享VIP免费

原材料试验结果汇总表_第1页
1/8
原材料试验结果汇总表_第2页
2/8
原材料试验结果汇总表_第3页
3/8
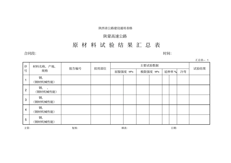
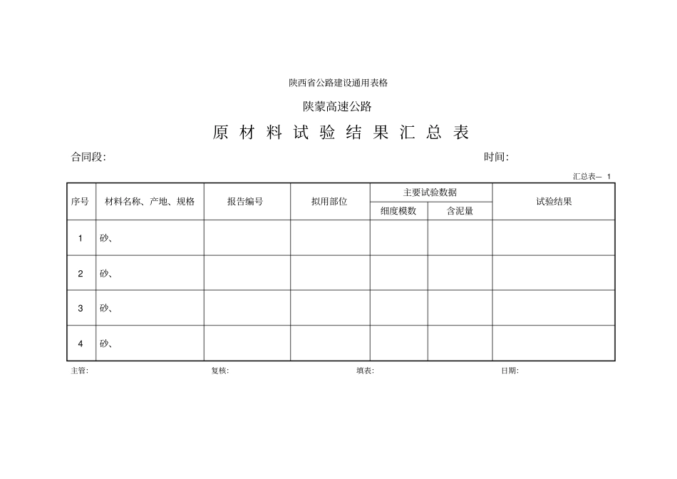
陕西省公路建设通用表格陕蒙高速公路原 材 料 试 验 结 果 汇 总 表合同段:时间:汇总表— 1 序号材料名称、产地、规格报告编号拟用部位主要试验数据试验结果细度模数含泥量1 砂、2 砂、3 砂、4 砂、主管:复核:填表:日期:陕西省公路建设通用表格陕蒙高速公路原 材 料 试 验 结 果 汇 总 表合同段:时间:汇总表— 1 序号材料名称、产地、规格报告编号拟用部位主要试验数据试验结果矿料组成针片状含泥量压碎值1 碎石、2 碎石、3 碎石、4 碎石、主管:复核:填表:日期:陕西省公路建设通用表格陕蒙高速公路原 材 料 试 验 结 果 汇 总 表合同段:时间:汇总表— 1 序号材料名称、产地、规格报告编号拟用部位主要试验数据试验结果屈服强度MPa 极限强度MPa延伸率 % 冷弯1 钢、(钢材机械性能)2 钢、 、(钢材机械性能)3 钢、(钢材机械性能)4 钢、(钢材机械性能)5 钢、(钢材机械性能)主管:复核:填表:日期:陕西省公路建设通用表格陕蒙高速公路原 材 料 试 验 结 果 汇 总 表合同段:时间:汇总表— 1 序号材料名称、产地、规格报告编号拟用部位主要试验数据试验结果极限强度焊口拉断状况冷弯1 钢、(闪光对焊)2 钢、(双面搭接焊)3 钢、(双面搭接焊)4 钢、(双面搭接焊)5 钢、(双面搭接焊)主管:复核:填表:日期:陕西省公路建设通用表格陕蒙高速公路原 材 料 试 验 结 果 汇 总 表合同段:时间:汇总表— 1 序号材料名称、产地、规格报告编号拟用部位主要试验数据试验结果细度(%)凝结时间安定性抗压强度抗折强度初凝终凝3d 28d 3d 28d 1 水泥 P.O 2 水泥P.O 3 水泥 P.O 4 水泥 P.O 5 水泥 P.O 主管:复核:填表:日期:美文欣赏1、 走过春的田野,趟过夏的激流,来到秋天就是安静祥和的世界。秋天,虽没有玫瑰的芳香,却有秋菊的淡雅,没有繁花似锦,却有硕果累累。秋天,没有夏日的激情,却有浪漫的温情,没有春的奔放,却有收获的喜悦。清风落叶舞秋韵,枝头硕果醉秋容。秋天是甘美的酒,秋天是壮丽的诗,秋天是动人的歌。2、 人的一生就是一个储蓄的过程,在奋斗的时候储存了希望;在耕耘的时候储存了一粒种子;在旅行的时候储存了风景;在微笑的时候储存了快乐。聪明的人善于储蓄,在漫长而短暂的人生旅途中,学会储蓄每一个闪光的瞬间,然后用它们酿成一杯美好的回忆,在四季的变幻与交替之间,散发浓香,珍藏一生!...

1、当您付费下载文档后,您只拥有了使用权限,并不意味着购买了版权,文档只能用于自身使用,不得用于其他商业用途(如 [转卖]进行直接盈利或[编辑后售卖]进行间接盈利)。
2、本站所有内容均由合作方或网友上传,本站不对文档的完整性、权威性及其观点立场正确性做任何保证或承诺!文档内容仅供研究参考,付费前请自行鉴别。
3、如文档内容存在违规,或者侵犯商业秘密、侵犯著作权等,请点击“违规举报”。

碎片内容

原材料试验结果汇总表

确认删除?
VIP
微信客服
  • 扫码咨询
会员Q群
  • 会员专属群点击这里加入QQ群
客服邮箱
回到顶部