电脑桌面
添加小米粒文库到电脑桌面
安装后可以在桌面快捷访问

受控文件管理规定新VIP免费

受控文件管理规定新_第1页
1/4
受控文件管理规定新_第2页
2/4
受控文件管理规定新_第3页
3/4
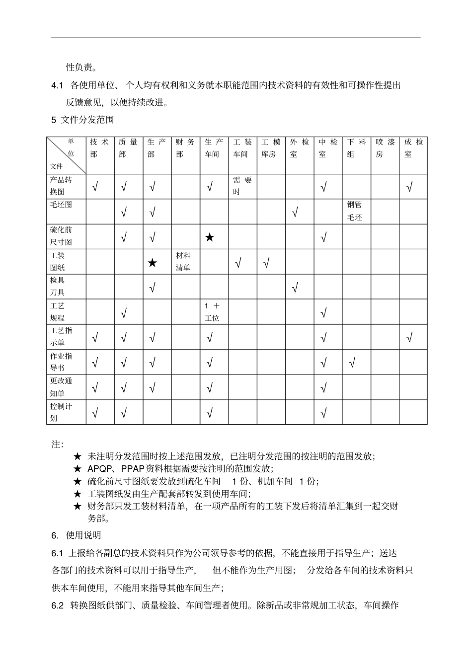
编号:技术文件管理规定版本号: 2/01.目的进一步加强资料的管理,使技术文件得到及时、准确、有序的传递,对各部门的资料管理和资料分发范围作出相应要求;明确不同技术文件的适用范围和使用效力,防止因几类文件具体要求矛盾时延误生产或造成返工返修。2.适用范围本规定适用于公司所有产品技术性文件,对外来文件可参照执行。3.术语用于指导生产的技术文件包括但不限于以下几项:转换图纸: 根据顾客图纸、样件、技术协议或其他要求并结合公司实际情况绘制的产品图纸。其中的顾客所有特殊要求和产品的特殊特性都已得到了充分识别或认可。毛坯图、粗加工图: 用于定制毛坯或对毛坯进行粗加工的图纸。工装、检具图: 用于制造和检验产品的工艺装备图纸的总称。工艺规程: 包括过程流程图和机械加工卡片,是用于指导加工流程和加工工序内容的技术文件。控制计划:在产品的先期质量策划或生产件批准中产生的对过程和产品参数控制进行明确规范的技术文件。作业指导书: 针对特殊工序、特殊过程进行生产作业指导的文件。更改通知单: 对顾客提出的工程更改或内部持续改进提出的更改经评审后正式下发的更改通知。工艺指示单 / 临时工艺指示单: 对产品采取带有普遍性或临时性的工艺调整做出的技术通知。4. 文件管理的原则4.1 谁签收谁负责的原则文件原则上必须由兼职资料管理员签收,因故不能签收的由部门领导签收;谁签收文件,谁就对文件的管理负责。4.2 以旧换新的原则已经分发的文件,因破损、脏污或版本更换,必须执旧文件方可更换新文件。4.3 数量匹配原则文件应严格按照实际单位的使用份数分发,车间须提供详细的“工位配制表”,资料室按照“工位配制表”印发等数量的文件,车间不提供该表时,资料室按最低数量发放。车间因生产需要临时增加工位时,须填写“文件补发申请登记表”注明相关信息方可补发。一人操作多台机床时,可以公用一套技术文件,但质量纪录必须分别填写。备注: 文件遗失、缺页时使用部门应到原文件发放部门填写“文件补发申请登记表”,向文件发行部门提出书面申请,并注明申请原因、需要份数、文件编号、文件类别等,由文件发行部门主管领导批准后方可补发——摘自《文件控制程序A/XL-QP-01 》4.4 文件遗失的处理为防止商业机密外泄,治理文件管理混乱现象,节约办公成本,各部门应妥善保管技术文件,避免遗失,如有遗失则视文件的重要程度和可能带来的后果按以下规定处理:文件类型单位处罚额度备注...

1、当您付费下载文档后,您只拥有了使用权限,并不意味着购买了版权,文档只能用于自身使用,不得用于其他商业用途(如 [转卖]进行直接盈利或[编辑后售卖]进行间接盈利)。
2、本站所有内容均由合作方或网友上传,本站不对文档的完整性、权威性及其观点立场正确性做任何保证或承诺!文档内容仅供研究参考,付费前请自行鉴别。
3、如文档内容存在违规,或者侵犯商业秘密、侵犯著作权等,请点击“违规举报”。

碎片内容

受控文件管理规定新

文库响当当+ 关注
实名认证
内容提供者

该用户很懒,什么也没介绍

确认删除?
VIP
微信客服
  • 扫码咨询
会员Q群
  • 会员专属群点击这里加入QQ群
客服邮箱
回到顶部