电脑桌面
添加小米粒文库到电脑桌面
安装后可以在桌面快捷访问

可编程控制器原理与应用复习题VIP免费

可编程控制器原理与应用复习题_第1页
1/14
可编程控制器原理与应用复习题_第2页
2/14
可编程控制器原理与应用复习题_第3页
3/14
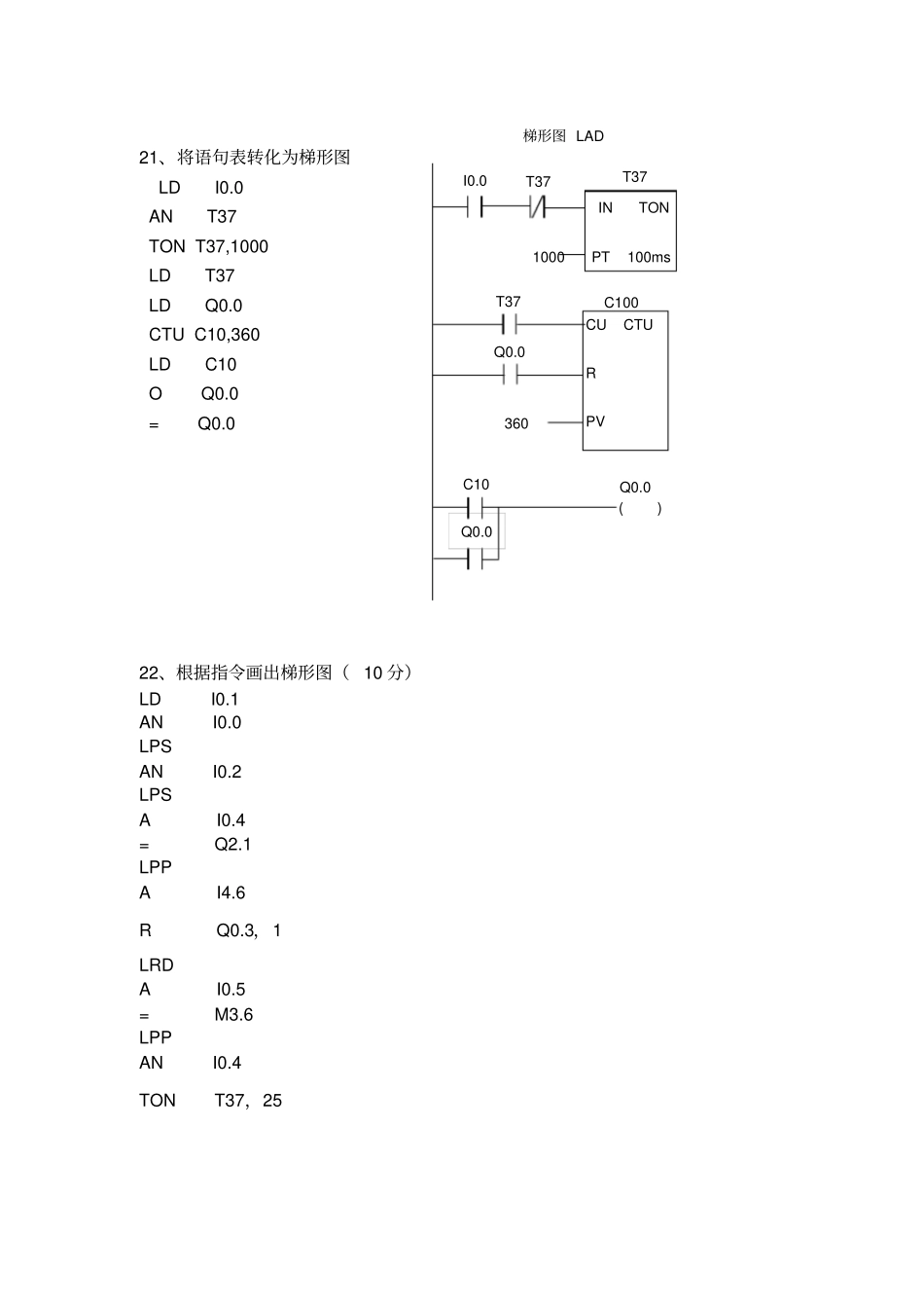
复习题1、1985 年,国际电工委员会IEC 对可编程序控制器作了如下规定:可编程序控制器是一种数字运算操作的电子系统,专为工业环境下应用而设计。2 SIMATIC S7-200 系列 PLC数据类型检查分为: 完全数据类型检查、简单数据类型检查、无数据类型检查3、S7-200 系列 PLC共有 6 个高速计数器, 其中只有 1 种工作模式的是HSC3 和HSC5 4、定时器有三种类型,包括TON,TOF,TONR 5、PLC 的中文全称: 中文全称为可编程逻辑控制器6、PLC 的硬件组成:PLC 的硬件主要由中央处理器(CPU )、存储器、输入单元、输出单元、通信接口、扩展接口电源等部分组成。7、PLC 的工作方式是:PLC 的工作方式:采用周期循环扫描、集中输入与集中输出的工作方式8、S7-200 系列 PLC的三种指令系统形式分为梯形图程序指令、 语句表程序指令、功能块图程序指令9、S7-200 系列 PLC的数据存储区分两大部分,是数据存储器和数据目标11、简述 PLC扫描的工作过程(简述):(1)自诊断;(2)通讯处理(3)扫描输入(4)执行程序(5)刷新输出12、FOR,NEXT 两条指令间的所有指令构成一个循环体 。13、S7-200 系列 PLC指令系统的数据寻址方式有立即数寻址、直接寻址、间接寻址15、PLC的输出通常有三种形式:继电器输出、双向晶闸管输出、晶体管输出16、简述状态编程法的指导思想?SFC 编程总则A.三要素:驱动负载、转移条件、转移目标。转移条件、转移目标二者不可缺,驱动负载视具体情况而定。B.先驱动负载,后状态转移,不可颠倒。C.顺序不连续的转移用OUT 指令进行状态转移。D.对状态的处理必须先使用步进接点指令STL 。E.程序最后必须使用步进返回指令RET。F.不同时启动的双线圈是允许的,相邻的状态使用的“T、C”不能相同。G.转移条件可以是多个元件的逻辑组合。H. SFC 程序内不可使用MC 、MR 指令。I.初始状态可以由其他状态驱动,运行开始必须用其他方法预先作好初始状态的驱动。J.停电恢复后需要继续的状态,用停电保持状态元件。K.分支、汇合的组合流程和虚拟状态的编程需具体情况,具体分析,具体处理。17、简述可编程控制器控制系统的设计基本过程(简述)(1)分析生产工艺过程,明确工艺过程对电气控制的要求;(2)确定控制方案;(3)选择可编程序控制器机型;(4)硬软件设计(5)总装调试(6)编制技术说明书18、简述 PLC的结构与工作原理?PLC由硬件系统和软件系统组成。PLC的工作原理: PLC采用“顺...

1、当您付费下载文档后,您只拥有了使用权限,并不意味着购买了版权,文档只能用于自身使用,不得用于其他商业用途(如 [转卖]进行直接盈利或[编辑后售卖]进行间接盈利)。
2、本站所有内容均由合作方或网友上传,本站不对文档的完整性、权威性及其观点立场正确性做任何保证或承诺!文档内容仅供研究参考,付费前请自行鉴别。
3、如文档内容存在违规,或者侵犯商业秘密、侵犯著作权等,请点击“违规举报”。

碎片内容

可编程控制器原理与应用复习题

确认删除?
VIP
微信客服
  • 扫码咨询
会员Q群
  • 会员专属群点击这里加入QQ群
客服邮箱
回到顶部