电脑桌面
添加小米粒文库到电脑桌面
安装后可以在桌面快捷访问

史上最新内外墙抹灰技术交底记录VIP免费

史上最新内外墙抹灰技术交底记录_第1页
1/16
史上最新内外墙抹灰技术交底记录_第2页
2/16
史上最新内外墙抹灰技术交底记录_第3页
3/16
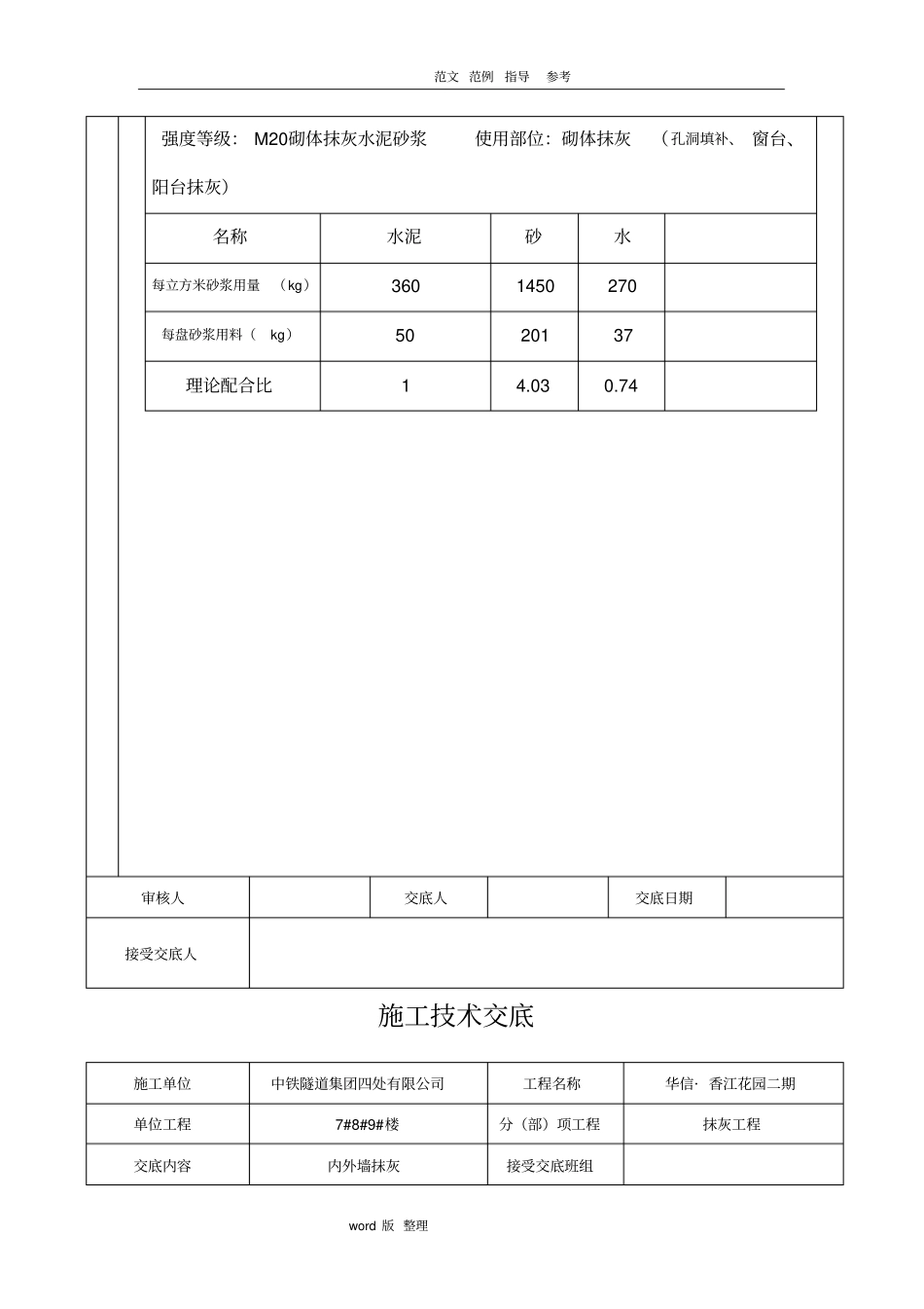
范文 范例指导参考word 版 整理施工技术交底施工单位中铁隧道集团四处有限公司工程名称华信· 香江花园二期单位工程7#8#9#楼分(部)项工程抹灰工程交底内容内外墙抹灰接受交底班组交底内容一、施工准备1、水泥 : 应采用普通硅酸盐水泥,其强度等级不小于32.5 ,水泥应有出厂质量保证书,不同品种的水泥不得混用。2、砂:应采用河沙中砂,含泥量不应大于3%,使用前应过筛,筛后粒径集中在0.3~4.75mm 之间的比例达到90%以上。3、石灰膏:石灰膏使用前应经熟化,石灰膏需细腻洁白。4、抹灰所用的主要机具有:砂浆搅拌机、手推车、筛子、铁锹、灰盘、灰箱、托灰板、抹子、压子、阳角抹子、阴角抹子、捋角器、刮杆、方尺等。5、外加剂专用砂浆及界面剂均采用配套产品,聚合物水泥砂浆参见 《产品选用技术》 2005 版 JC27。二、设计做法(一)建筑图做法内外墙抹灰范围为全部砼、页岩多孔砖、 混凝土砌块墙体结构范围( 7#、8#、9#楼抹灰参照05ZJ001做法。);外墙抹灰: 15 厚 1:3 水泥砂浆打底(掺有机硅防水剂),5 厚 1:2 水泥砂浆抹面,均加掺5%防水剂,加抗裂纤维(改性聚丙乙烯纤维掺量0.9kg/m3 ),不压光。根据设计要求,参照05ZJ001 图集, 1)卫生间内墙面参照内墙18,为防水砂浆墙面,即卫生间采用防水砂浆高1800,卫生间仅做至砂浆找平,其余装饰面层由住户自理;2)除卫生间以外的所有户内墙面,参照内墙4 做法; 3)前室、楼梯间、电梯机房、电井、水箱间为水性腻子墙面,参照内墙 4 做法,成活后面刮水性腻子一底二面抛光。详细做法如下:内墙 18(卫生间内墙面) :1)25 厚 1:2.5水泥砂浆掺入水泥用量3%的硅质密实剂,分3 次抹灰即每抹一遍,收水时压实一遍;2)5 厚 1:2 水泥砂浆抹面压光。内墙 4(除卫生间以外的所有户内墙面): 1)15 厚 1:1:6水泥石灰砂浆;2)5 厚 1:0.5:3水泥石灰砂浆。顶棚 3:1)7 厚 1:1:4 水泥石灰砂浆,2)5 厚 1:0.5 :3 水泥石灰砂浆。护角:水泥砂浆护角,做法详附图。砂浆强度等级:外墙、卫生间、厨房及贴砖抹灰砂浆等级为M15,孔洞填补、窗台、阳台抹灰为M20,无贴饰的内墙抹灰为M7.5。(二)结构图做法填充墙与混凝土墙、柱、梁交界处,抹灰前应加铺300mm宽钢丝网,并绷紧钉牢。楼梯间和人流通道的填充墙,应采用钢丝网砂浆面层加强。审核人交底人交底日期接受交底人范文 范例指导参考word 版 整理施工技术交底施工单位中铁隧道集团四处...

1、当您付费下载文档后,您只拥有了使用权限,并不意味着购买了版权,文档只能用于自身使用,不得用于其他商业用途(如 [转卖]进行直接盈利或[编辑后售卖]进行间接盈利)。
2、本站所有内容均由合作方或网友上传,本站不对文档的完整性、权威性及其观点立场正确性做任何保证或承诺!文档内容仅供研究参考,付费前请自行鉴别。
3、如文档内容存在违规,或者侵犯商业秘密、侵犯著作权等,请点击“违规举报”。

碎片内容

史上最新内外墙抹灰技术交底记录

确认删除?
VIP
微信客服
  • 扫码咨询
会员Q群
  • 会员专属群点击这里加入QQ群
客服邮箱
回到顶部