电脑桌面
添加小米粒文库到电脑桌面
安装后可以在桌面快捷访问

合格供应商批准作业指导书VIP免费

合格供应商批准作业指导书_第1页
1/5
合格供应商批准作业指导书_第2页
2/5
合格供应商批准作业指导书_第3页
3/5
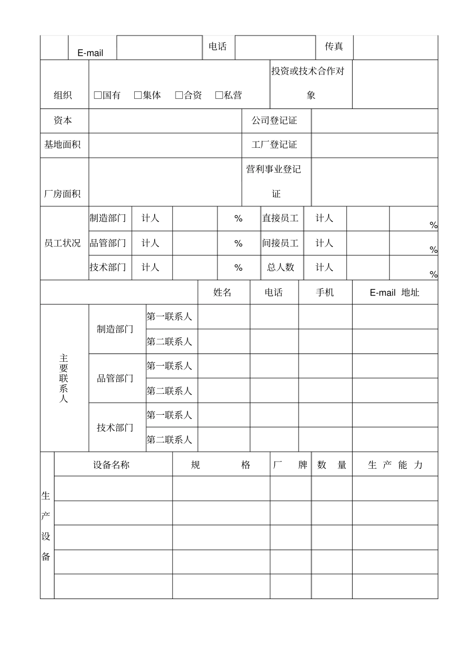
合格供应商批准作业指导书1.0 、目的为了加强供应商的管理,并满足组织的正常经营和发展需要,特制定本作业指导书。2.0 、适用范围适用于组织内所有的供应商。3.0 、职责采购部主要负责公司的生产材料采购;采购部主要负责公司的非生产材料采购; 4.0 、方法4.1 、生产件合格供应商批准流程4.1.1 采购部采购工程师根据组织项目或其他方面的要求,通过各种途径(包括客户推荐、组织内部各部门人员介绍、网站搜寻、行业内同类零部件供方打探等)在全球搜寻合适的供方(要求供方具有第三方认可的ISO9001:2000 质量体系标准,最好为 ISO/TS 16949: 2002),作为潜在供方的评价和选择对象。4.1.2采购部采购工程师对以上所获得的各供方的信息进行初步筛选,对有潜力的供方汇同质检部、工程部按照《潜在供应商评价评分准则》对其进行评估,评估结果以分值计算并形成《潜在供应商评价报告》 ,不同得分和下一步的行动计划如下表:序号分数评价结果下一步的行动计划1 90% <= 得分A 级可以列为潜在供方目录2 80% <= 得分 < 90% B 级可以列为潜在供方目录(但是仍需要一定的改善)3 70% <= 得分 < 80% C级需要改善并经过重新评估后才能列为潜在供方目录4 得分 < 70% D级需要改善并经过重新评估后才能列为潜在供方目录4.1.3 评价为 B 级以上(含 B 级)的供应商,采购部将其列入《潜在供应商目录》。B 级以下的供应商由采购部跟踪其纠正措施的整改,视整改情况确定是否重新进行评价。4.1.4 潜在供应商的重新评价按4.1.2 条进行。4.2 、非生产材料采购成本控制4.2.1 、对于采购金额大、非经常性采购的非生产材料,一般要求两家供应商报价后再进行价格谈判(必要时联合组织专业技术部门和使用部门),然后将最后的谈判信息汇总后报公司领导审核和批准,经公司领导批准后方可进行采购;4.2.2 、对于采购金额小、经常性的重复采购物品,由采购部经理确认后采购;4.2.3 、采购工程师每月需要对已完成的采购过程进行记录汇总,分析出采购金额较大的采购项目并重新在市场上询价,与现有供应商的采购价格进行对比,如果发现更合适的供应商则立即切换,更好的控制采购成本;4.2.4 、采购工程师根据长期的采购和价格分析经验,选择价格、质量、服务都比较合适的供方作为长期的战略合作供应商,与其签署长期的采购框架合同并保持良好的合作,以便降低采购时间、办公、电话联系等成本,达到采购总成本的降低。4.2.5 、采购...

1、当您付费下载文档后,您只拥有了使用权限,并不意味着购买了版权,文档只能用于自身使用,不得用于其他商业用途(如 [转卖]进行直接盈利或[编辑后售卖]进行间接盈利)。
2、本站所有内容均由合作方或网友上传,本站不对文档的完整性、权威性及其观点立场正确性做任何保证或承诺!文档内容仅供研究参考,付费前请自行鉴别。
3、如文档内容存在违规,或者侵犯商业秘密、侵犯著作权等,请点击“违规举报”。

碎片内容

合格供应商批准作业指导书

确认删除?
VIP
微信客服
  • 扫码咨询
会员Q群
  • 会员专属群点击这里加入QQ群
客服邮箱
回到顶部