电脑桌面
添加小米粒文库到电脑桌面
安装后可以在桌面快捷访问

同步带计算公式VIP免费

同步带计算公式_第1页
1/10
同步带计算公式_第2页
2/10
同步带计算公式_第3页
3/10
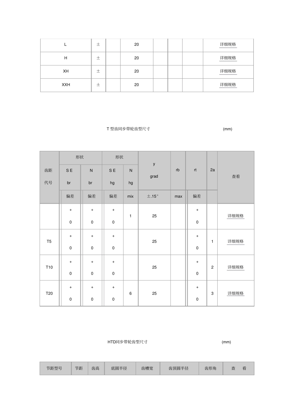
圆弧齿同步带轮轮齿 Arc tooth Timing tooth槽型节距pb齿槽深hg齿槽圆弧半径 R齿顶圆半角r1齿槽宽s两倍节顶距2δ齿形角3M3~≈14°5M5~≈14°8M8~≈14°14M 14~≈14°20M 20~≈14°直边齿廓尺寸 Dimension of linear type pulley型号MXLXXLXLLHXHXXH齿槽底宽 bw±±±±±±±齿槽深 hg0000000齿槽半角 Φ +°20252520202020齿根圆角半径 rb齿顶圆角半径 rt+++++++0000000两倍节顶距2β1、同步带轮的型式2、齿型尺寸、公差及技术参数3、各种型号同步带轮齿面宽度尺寸表同步带轮的型式AS 型BS型AF 型BF型W型齿型尺寸、公差及技术参数齿轮直边齿形尺寸和公差(mm)节线代号bwhgΨ +°rbrt2δ查看MXL±20详细规格XXL±25详细规格XL±25详细规格L±20详细规格H±20详细规格XH±20详细规格XXH±20详细规格T 型齿同步带轮齿型尺寸(mm)齿距代号形状形状y gradrbrt2a查看S E brN brS E hgN hg偏差偏差偏差mix±.15°max偏差+ 0+ 0+ 0125+ 0详细规格T5+ 0+ 0+ 025+ 01详细规格T10+ 0+ 0+ 025+ 02详细规格T20+ 0+ 0+ 0625+ 03详细规格HTD同步带轮齿型尺寸(mm)节距型号节距齿高底圆半径齿槽宽齿顶圆半径齿形角查看3M3≈14°详细规格5M5≈14°详细规格8M8≈14°详细规格14M14≈14°详细规格各种型号同步带轮齿面宽度尺寸(mm) 表 4型号同步带宽度同步带轮最小实际宽度代号带宽两面挡边带轮单面挡边带轮无挡边带轮MXL012456019025XL02503191011037111213L05014170752122241002730H075212325100272931150404244200535558XH200576063300848790400111114117XXH200576164300848892400111115118500138142145446786689101010121314T5 AT5668911101012131516161820222525272931T10 AT101616182224252527303332323437405050535659T20 AT203232353840505053566075757881851001001051081123M S3M66910119912131415151819205M 99121314 S5M1515181920252528293030303436388M S8M303034363840404446485050545658858590929414MS14M55556568708585959910211511512613013317017018018318720M70708084898585961001041151151271311341701701821851902302302452482542902902953003103403403553603701.本公司生产的带轮既为国产化设备的同步带配套,又能代替进口带轮使用。2.用户定制同步带轮,请提供带轮图纸(图中可不必绘制带轮的齿形尺寸),本公司也可按用户提供的规格型号、带轮内孔、键槽、宽度等尺寸为用户绘制带轮图...

1、当您付费下载文档后,您只拥有了使用权限,并不意味着购买了版权,文档只能用于自身使用,不得用于其他商业用途(如 [转卖]进行直接盈利或[编辑后售卖]进行间接盈利)。
2、本站所有内容均由合作方或网友上传,本站不对文档的完整性、权威性及其观点立场正确性做任何保证或承诺!文档内容仅供研究参考,付费前请自行鉴别。
3、如文档内容存在违规,或者侵犯商业秘密、侵犯著作权等,请点击“违规举报”。

碎片内容

同步带计算公式

您可能关注的文档

文库当当响+ 关注
实名认证
内容提供者

该用户很懒,什么也没介绍

相关文档

确认删除?
VIP
微信客服
  • 扫码咨询
会员Q群
  • 会员专属群点击这里加入QQ群
客服邮箱
回到顶部