电脑桌面
添加小米粒文库到电脑桌面
安装后可以在桌面快捷访问

商业职业技术学院物联网工程实训室建设项目报价VIP免费

商业职业技术学院物联网工程实训室建设项目报价_第1页
1/5
商业职业技术学院物联网工程实训室建设项目报价_第2页
2/5
商业职业技术学院物联网工程实训室建设项目报价_第3页
3/5
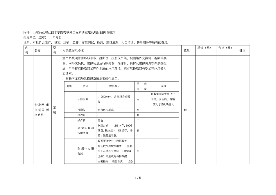
1 / 6 附件:山东商业职业技术学院物联网工程实训室建设项目报价表格式投标单位(盖章) :年月日说明:本报价含生产、包装、运输、装卸、安装调试、检测、现场清理、人员培训、售后服务等所有的费用。序号名称型号相关数据及要求数量单价(元)合计(元)备注物 联网 虚拟 场景 模拟系统定制整个系统硬件由环形幕布、投影仪、投影仪吊架、视频矩阵交换机、视频转换器、网络交换机、虚拟场景运行服务器、操作台、辅材及虚拟仿真软件系统组成,用于模拟物联网工程性训练的应用环境,把实际物联网典型工程应用搬入实训室。、物联网虚拟场景模拟系统主要硬件清单:序号名称规格型号单位数量备注环形屏幕× 2500mm,含视频合成器等面以教室实际安装尺寸为准,含话筒、音箱以及远程视频接入投影仪配合环形屏幕台操作台套操作椅黑色个虚 拟 场 景 运行服务器联想台式,2G 内存,500G硬盘,独立显卡 1G 显存,,19英寸液晶显示器,套数 据 中 心 服务器数据服务中心由数据服务器及数据库软件组成,主要用于存储各个系统 (真实及虚拟)所生成的各种数据主要指标: 联想台式,2G台套2 / 6 内存,硬盘网络交换机以太网通讯,口台视 频 矩 阵 交换机台虚拟仿真、现场视频切换视频转换器转个辅材投影仪吊架、 视频线、插座、网线、水晶头等套、物联网虚拟场景模拟系统软件及主要功能:智慧园林采用三维动画场景,模拟园林的实景,利用数学模型可以模拟天气变化、季节变化、环境变化、植被生长等过程,可以提供诸如大气温度、湿度、风速风向、光照、土壤温度、土壤湿度、气压等传感器信号,也可以提供虚拟喷灌、滴灌等控制设备。实训人员可采用漫游方式设置虚拟传感网中的节点,虚拟传感网可通过虚拟网关与数据服务器通讯,支持海量数据,可以让实训学生进行应用层程序设计训练,应用程序可以对虚拟传感网中的虚拟控制节点进行控制。对于智慧园林内的温湿度等环境参数及喷滴灌设备可设置一定路数的虚拟设备接口,用于传感层实训接入虚拟环境进行数据采集及控制。学生可根据园林植被及园林地质环境对智慧园林进行规划设计,并对设置的节点进行仿真,并提供配套实训案例、实训指导书、课件及应用层程序源代码以确定设计的合理性。智慧农业及养殖采用三维动画场景的温室大棚,同样可以利用数学模型可以模拟天气变化、季节变化、环境变化、也可以模拟温室大棚内的空气温湿度及土壤温湿度的变化以及农作物生长等过程,同时提供虚拟对象中...

1、当您付费下载文档后,您只拥有了使用权限,并不意味着购买了版权,文档只能用于自身使用,不得用于其他商业用途(如 [转卖]进行直接盈利或[编辑后售卖]进行间接盈利)。
2、本站所有内容均由合作方或网友上传,本站不对文档的完整性、权威性及其观点立场正确性做任何保证或承诺!文档内容仅供研究参考,付费前请自行鉴别。
3、如文档内容存在违规,或者侵犯商业秘密、侵犯著作权等,请点击“违规举报”。

碎片内容

商业职业技术学院物联网工程实训室建设项目报价

您可能关注的文档

文库响当当+ 关注
实名认证
内容提供者

该用户很懒,什么也没介绍

确认删除?
VIP
微信客服
  • 扫码咨询
会员Q群
  • 会员专属群点击这里加入QQ群
客服邮箱
回到顶部