电脑桌面
添加小米粒文库到电脑桌面
安装后可以在桌面快捷访问

喷射混凝土施工方案最新VIP免费

喷射混凝土施工方案最新_第1页
1/13
喷射混凝土施工方案最新_第2页
2/13
喷射混凝土施工方案最新_第3页
3/13
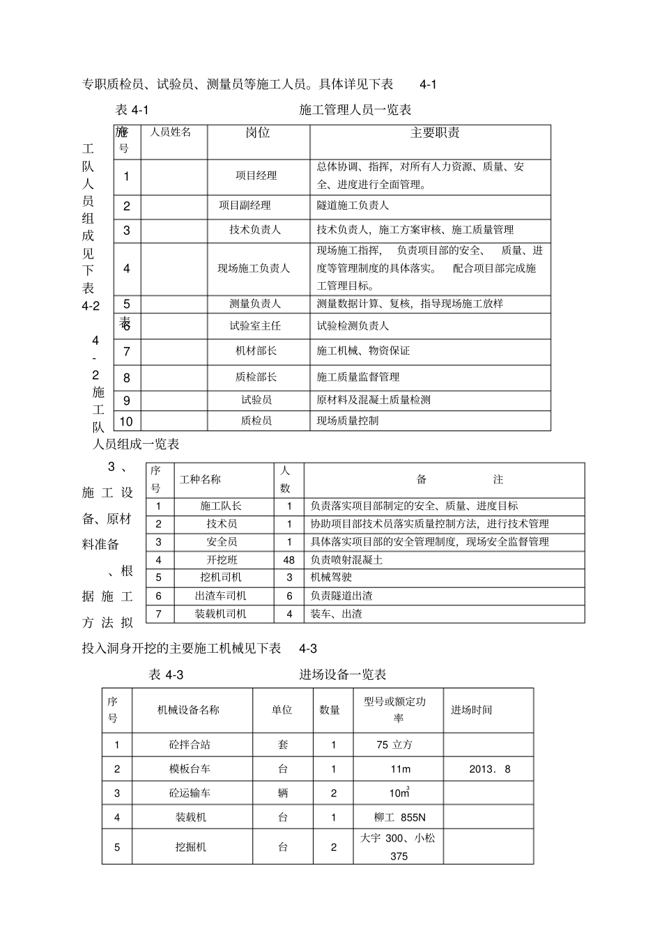
隧道喷射混凝土施工方案一、工程概况两间房 -- 隧道位于河北省承德市隆化县太平庄乡两间房村境内,进口位于承德市隆化县太平庄乡两间房村,出口位于隆化县太平庄乡套鹿沟村,设计为小净距隧道,洞室净空 *5m,起讫桩号左线ZK60+510- ZK60+984,长 474m,我部拟选取两间房1#隧道出口左洞喷射混凝土施工作为隧道喷射混凝土施工首件工程。二、工程地质条件1、地形、地貌隧道所在区域一级大地构造为中朝准地台,路线穿行二级构造单元燕山台褶带内,穿行的三级构造单元承德拱断束。2、工程地质地层为太古界单塔子群燕窝铺组片麻岩及第四系风积黄土状粉质黏土。3、水文地质勘察期间各钻孔勘查深度范围内未见稳定地下水。地下水对隧道的施工影响较小。三、编制依据1、公路隧道施工技术规范(JTJ F60— 2009)2、公路工程质量检验评定标准(JTGF80/1-2004) 3、总监办及筹建处有关文件4、张承高速承德段 -- 标施工设计图5、爆破安全规程(GB6722-2003)四、施工准备1、技术准备、组织技术人员学习图纸,掌握设计意图,实际复核设计提供的地形资料,根据现场实际情况编制洞身开挖方案,向技术人员及作业班组进行详细的技术、安全交底。、复核逐桩坐标,复核设计高程,对洞口的导线加密点和水准控制点进行复测。2、人员准备施工管理人员为了保证施工顺利进行,我部配备足够的管理人员、专职安全员、现场工程师,专职质检员、试验员、测量员等施工人员。具体详见下表4-1 表 4-1 施工管理人员一览表施工队人员组成见下表4-2 表4-2 施工队人员组成一览表3 、施 工 设备、原材料准备、根据 施 工方 法 拟投入洞身开挖的主要施工机械见下表4-3 表 4-3 进场设备一览表序号机械设备名称单位数量型号或额定功率进场时间1 砼拌合站套1 75 立方2 模板台车台1 11m 2013.8 3 砼运输车辆2 10m34 装载机台1 柳工 855N 5 挖掘机台2 大宇 300、小松375 序号人员姓名岗位主要职责1 项目经理总体协调、指挥,对所有人力资源、质量、安全、进度进行全面管理。2 项目副经理隧道施工负责人3 技术负责人技术负责人,施工方案审核、施工质量管理4 现场施工负责人现场施工指挥, 负责项目部的安全、质量、进度等管理制度的具体落实。配合项目部完成施工管理目标。5 测量负责人测量数据计算、复核,指导现场施工放样6 试验室主任试验检测负责人7 机材部长施工机械、物资保证8 质检部长施工质量监督管理9 试验员原材料及混凝土质量...

1、当您付费下载文档后,您只拥有了使用权限,并不意味着购买了版权,文档只能用于自身使用,不得用于其他商业用途(如 [转卖]进行直接盈利或[编辑后售卖]进行间接盈利)。
2、本站所有内容均由合作方或网友上传,本站不对文档的完整性、权威性及其观点立场正确性做任何保证或承诺!文档内容仅供研究参考,付费前请自行鉴别。
3、如文档内容存在违规,或者侵犯商业秘密、侵犯著作权等,请点击“违规举报”。

碎片内容

喷射混凝土施工方案最新

您可能关注的文档

确认删除?
VIP
微信客服
  • 扫码咨询
会员Q群
  • 会员专属群点击这里加入QQ群
客服邮箱
回到顶部