电脑桌面
添加小米粒文库到电脑桌面
安装后可以在桌面快捷访问

冲床作业指导书VIP免费

冲床作业指导书_第1页
1/5
冲床作业指导书_第2页
2/5
冲床作业指导书_第3页
3/5
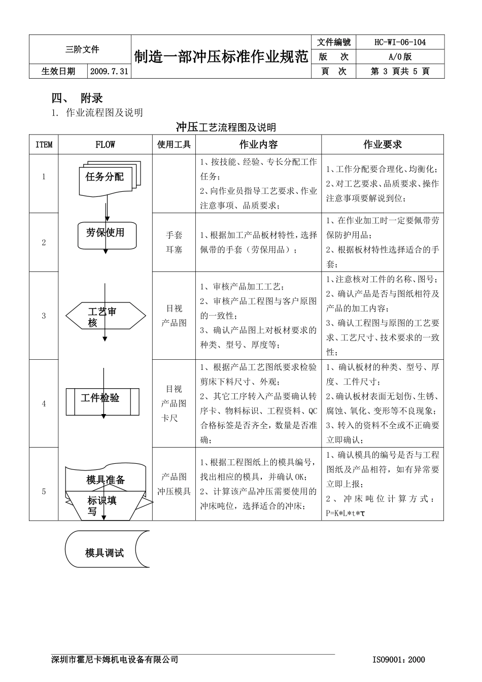
三阶文件制造一部冲压标准作业规范文件編號HC-WI-06-104版次A/0版生效日期2009.7.31頁次第1頁共5頁冲压标准作业规范一、目的为了规范作业员的工作行为,防止由于人为的疏忽造成的产品的返修、报废,推动作业的标准化、规范化。批准﹕審核﹕編制﹕高贤勇深圳市霍尼卡姆机电设备有限公司ISO9001:2000三阶文件制造一部冲压标准作业规范文件編號HC-WI-06-104版次A/0版生效日期2009.7.31頁次第2頁共5頁二、范围制造运营部制造一部冲压组全体员工。三、内容1.组长在分配工作任务时,要根据作业员的技能、经验,并将该产品的加工注意事项、产品的品质要求向作业员交代清楚。2.作业员在开始作业前必须按要求佩戴好劳保用品。3.作业员在接受到组长的生产任务后,须审查图纸,了解该产品的加工要求,确认产品的材料种类及厚度,看工程图与原图材料要求是否一致,若有异常,须立即报告给组长确认。4.找到所要使用的材料,并确认材料的种类、厚度、外观是否符合图纸的要求。5.在审清图纸的各项要求后,根据图纸上的模具编号,找到相应的模具,并检查是否为该产品的模具;如有异常须报告给当班组长。6.根据产品及模具选择适合吨位的机床。7.借出模具后,根据《冲压安全操作规范》开始架模:7.1.检查机床安全装置是否完好:光电装置、脚踩开关(不开启);7.2先将行程旋钮旋至寸动;7.3.打开机床控制电源,按下主电机启动按钮,松开紧急停止按钮;7.4.将滑块调至行程下死点;7.5.测量模高后选用合适的垫铁或调节滑块深度;8.首件作业8.1.适当调节模具切入深度,生产出合格产品;8.2.将滑块螺栓锁紧;8.3.根据《制一部首件作业检验规范》进行首件检验;8.4.将图纸、首件检验单挂在机床侧面;9.首件作业合格后,开始进行批量生产。10.产品加工过程中,作业员要轻拿轻放,禁止拖拉产品,同时保证生产现场的整齐、纸皮干净。11.在产品加工过程中,每隔10件要自检该零件的尺寸是否受控,外观是否有缺陷。若有异常,须立即纠正并上报。12.在完成该零件的批量作业后,应核对数量是否与订单数相符,并填写“产品标识牌”,贴在零件的最上层的右下角。13.完成以上工作后,按照工艺要求,将零件转入下一工序,按照下工序的要求摆放到指定区域,并找下工序的相关接收人签收。14.拆模14.1.拆下模具,确认模具是否完好,如有损坏须报告给组长;14.2.按照模具管理员的要求整齐地摆放到模具架上;14.3.将用后的扳手、垫铁等工具放回工具架;14.4.关好机床的电气。15.做好工作区域的“5S”。深圳市霍尼卡姆机电设备有限公司ISO9001:2000三阶文件制造一部冲压标准作业规范文件編號HC-WI-06-104版次A/0版生效日期2009.7.31頁次第3頁共5頁四、附录1.作业流程图及说明冲压工艺流程图及说明ITEMFLOW使用工具作业内容作业要求11、按技能、经验、专长分配工作任务;2、向作业员指导工艺要求、作业注意事项、品质要求;1、工作分配要合理化、均衡化;2、对工艺要求、品质要求、操作注意事项要解说到位;2手套耳塞1、根据加工产品板材特性,选择佩带的手套(劳保用品);1、在作业加工时一定要佩带劳保防护用品;2、根据板材特性选择适合的手套;3目视产品图1、审核产品加工工艺;2、审核产品工程图与客户原图的一致性;3、确认产品图上对板材要求的种类、型号、厚度等;1、注意核对工件的名称、图号;2、确认产品是否与图纸相符及产品的加工内容;3、确认工程图与原图的工艺要求、工艺尺寸、技术要求的一致性;4目视产品图卡尺1、根据产品工艺图纸要求检验剪床下料尺寸、外观;2、其它工序转入产品要确认转序卡、物料标识、工程资料、QC合格标签是否齐全,数量是否准确;1、确认板材的种类、型号、厚度、工件尺寸;2、确认板材表面无划伤、生锈、腐蚀、氧化、变形等不良现象;3、转入的资料不全或不正确要立即确认;5产品图冲压模具1、根据工程图纸上的模具编号,找出相应的模具,并确认OK;2、计算该产品冲压需要使用的冲床吨位,选择适合的冲床;1、确认模具的编号是否与工程图纸及产品相符,如有异常要立即上报;2、冲床吨位计算方式:P=K*L*t*τ深圳市霍尼卡姆机电设备有限公司ISO9001:2000任务分配劳保使用工艺审核...

1、当您付费下载文档后,您只拥有了使用权限,并不意味着购买了版权,文档只能用于自身使用,不得用于其他商业用途(如 [转卖]进行直接盈利或[编辑后售卖]进行间接盈利)。
2、本站所有内容均由合作方或网友上传,本站不对文档的完整性、权威性及其观点立场正确性做任何保证或承诺!文档内容仅供研究参考,付费前请自行鉴别。
3、如文档内容存在违规,或者侵犯商业秘密、侵犯著作权等,请点击“违规举报”。

碎片内容

冲床作业指导书

文章天下+ 关注
实名认证
内容提供者

各种文档应有尽有

确认删除?
VIP
微信客服
  • 扫码咨询
会员Q群
  • 会员专属群点击这里加入QQ群
客服邮箱
回到顶部