电脑桌面
添加小米粒文库到电脑桌面
安装后可以在桌面快捷访问

能源计量系统与远传水表在给排水设计中的应用VIP免费

能源计量系统与远传水表在给排水设计中的应用_第1页
1/3
能源计量系统与远传水表在给排水设计中的应用_第2页
2/3
能源计量系统与远传水表在给排水设计中的应用_第3页
3/3
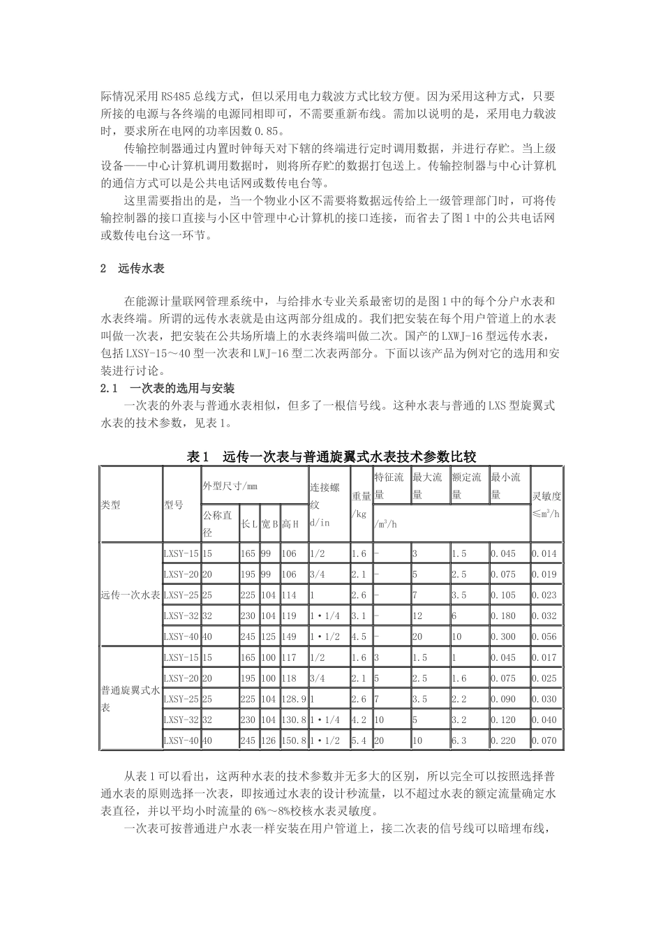
能源计量系统与远传水表在给排水设计中的应用摘要: 介绍了能源计量联网管理系统和远传水表在给排水设计中的应用及其如何选用和安装组成远传水表的一次表与二次表。近年来,国内房地产市场的热点转移到了住宅的开发和建设方面,兴建了大量的解困型、小康型、高尚型等一系列不同档次的住宅工程。在这些工程中,能源计量(水、电、气)管理的科学化、规范化、自动化已越来越受到开发商和设计人员的重视。能源计量联网管理系统(ENMS)的运用,从根本上解决了目前水、电、气等公用事业管理自动化程度低的问题,提高了抄表收费的工作效率和管理水平。下面就能源计量联网管理系统及远传水表的选用和安装进行探讨。1 能源计量系统 能源计量(水、电、气)联网管理系统适用于对一个区域或城市的水表、电表和气表联网集中管理,该系统既可组成单一的(水表或电表或气表)自动抄表管理系统,又可组成综合的二表(水、电表)或三表(水、电、气表)管理系统,组合比较灵活。1.1 系统组成 联网管理系统是由管理中心计算机、传输控制器、采集终端和能源计量表组成的四级网络,如图 1 如示。 管理中心计算机是系统的管理核心,它对整个系统进行管理,通过下辖的传输控制器可以随时调用系统内任一水表、电表或气表的数据,并对数据进行处理,同时可以对系统内设备发出各种指令。1.2 系统工作原理 系统的各类能源计量表通过传感器以脉冲信号方式输给采集终端。采集终端接收到脉冲后进行计算和处理,并将结果存储。终端与传输控制器的通信采用电力载波方式(即通过 220V 电力线)。终端平时处于接收状态,当接收控制器的操作指令时,则按照指令内容操作,并将本终端有关数据以载波形式通过电力线送至传输控制器。 传输控制器与终端的通信除了采用电力载波的方式外,还可以根据小区或建筑物的实际情况采用 RS485 总线方式,但以采用电力载波方式比较方便。因为采用这种方式,只要所接的电源与各终端的电源同相即可,不需要重新布线。需加以说明的是,采用电力载波时,要求所在电网的功率因数 0.85。 传输控制器通过内置时钟每天对下辖的终端进行定时调用数据,并进行存贮。当上级设备——中心计算机调用数据时,则将所存贮的数据打包送上。传输控制器与中心计算机的通信方式可以是公共电话网或数传电台等。 这里需要指出的是,当一个物业小区不需要将数据远传给上一级管理部门时,可将传输控制器的接口直接与小区中管理中心计算机的接口连接,而省去...

1、当您付费下载文档后,您只拥有了使用权限,并不意味着购买了版权,文档只能用于自身使用,不得用于其他商业用途(如 [转卖]进行直接盈利或[编辑后售卖]进行间接盈利)。
2、本站所有内容均由合作方或网友上传,本站不对文档的完整性、权威性及其观点立场正确性做任何保证或承诺!文档内容仅供研究参考,付费前请自行鉴别。
3、如文档内容存在违规,或者侵犯商业秘密、侵犯著作权等,请点击“违规举报”。

碎片内容

能源计量系统与远传水表在给排水设计中的应用

您可能关注的文档

确认删除?
VIP
微信客服
  • 扫码咨询
会员Q群
  • 会员专属群点击这里加入QQ群
客服邮箱
回到顶部