电脑桌面
添加小米粒文库到电脑桌面
安装后可以在桌面快捷访问

第五届电子电路设计大赛VIP免费

第五届电子电路设计大赛_第1页
1/10
第五届电子电路设计大赛_第2页
2/10
第五届电子电路设计大赛_第3页
3/10
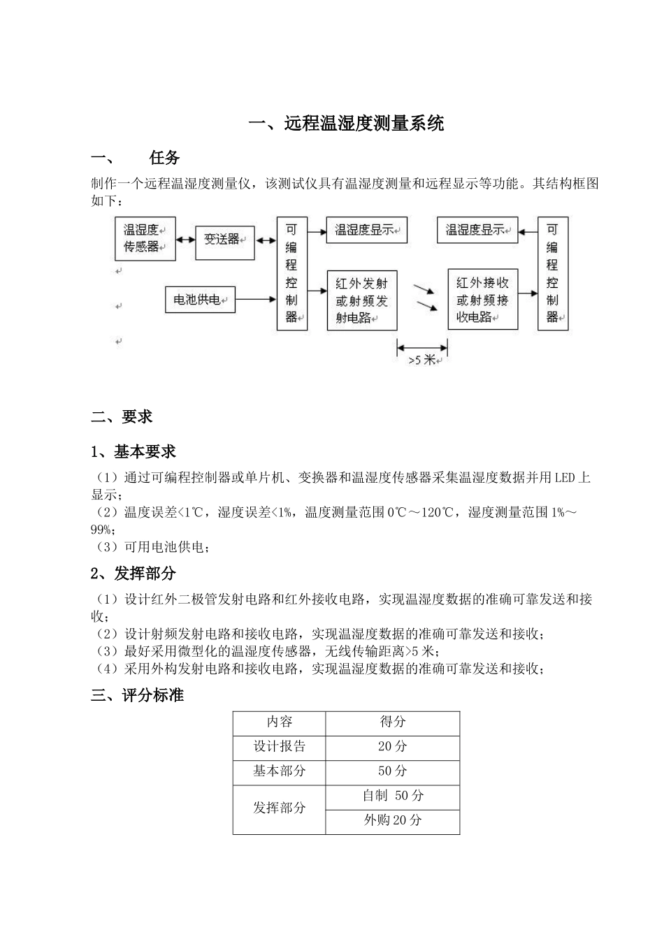
一、远程温湿度测量系统一、 任务制作一个远程温湿度测量仪,该测试仪具有温湿度测量和远程显示等功能。其结构框图如下:二、要求1、基本要求(1)通过可编程控制器或单片机、变换器和温湿度传感器采集温湿度数据并用 LED 上显示;(2)温度误差<1℃,湿度误差<1%,温度测量范围 0℃~120℃,湿度测量范围 1%~99%;(3)可用电池供电;2、发挥部分(1)设计红外二极管发射电路和红外接收电路,实现温湿度数据的准确可靠发送和接收;(2)设计射频发射电路和接收电路,实现温湿度数据的准确可靠发送和接收;(3)最好采用微型化的温湿度传感器,无线传输距离>5 米; (4)采用外构发射电路和接收电路,实现温湿度数据的准确可靠发送和接收;三、评分标准内容得分设计报告20 分基本部分50 分发挥部分自制 50 分外购 20 分二、简易电能质量监测装置一.任务设计并制作一个能同时对一路工频交流电的频率、电压有效值、电流有效值、有功功率、无功功率、功率因数、谐波等进行测量的数字式电能质量监测装置(图 C-1虚线框内电路)。为便于本试题的设计与制作,设定待测的交流输入电压 100~500V,待测的交流输入电流 2~10A 均经由相应的变换器转换为对应的 1~5V 交流电压。图 C-1二.要求2.1 基本部分(1)测量交流输入电压有效值。频率:50Hz;测量范围:100~500V;准确度:±1%。(2)测量交流输入电流有效值。频率:50Hz;测量范围:2~10A;准确度:±1%。(3)测量并显示有功功率 P、无功功率 Q、视在功率 S 及功率因数 PF。(4)自制直流电源。2.2 发挥部分(1)测量交流输入电压频率,精度为±0.5%。(2)采用 LCD 显示,能够同时显示一个周期的输入电压、输入电流曲线。(3)测量电压和电流的各次谐波含量以 N 次电压谐波含有率为例,N 次谐波含有率为 N 次谐波电压的均方根值与基波电压有效值之比,电流谐波含有率计算方法同电压谐波含有率。测量至 5 次谐波,采用列表和百分数形式显示,测量误差<1%。(4)各次电流谐波含有率在列表显示方式中除了能够以百分比显示外,还能够显示各次谐波的有效值。三、说明1.调试时可用函数发生器输出的正弦信号电压作为一路交流电压信号;再经移相输出代表同一路的电流信号,移相网络自制。2.检查交流电压、交流电流有效值、电压和电流谐波时,可采用函数发生器输出的对称方波信号。电压基波、谐波的测试可用函数发生器输出的对称方波作为标准信号。3.本题目...

1、当您付费下载文档后,您只拥有了使用权限,并不意味着购买了版权,文档只能用于自身使用,不得用于其他商业用途(如 [转卖]进行直接盈利或[编辑后售卖]进行间接盈利)。
2、本站所有内容均由合作方或网友上传,本站不对文档的完整性、权威性及其观点立场正确性做任何保证或承诺!文档内容仅供研究参考,付费前请自行鉴别。
3、如文档内容存在违规,或者侵犯商业秘密、侵犯著作权等,请点击“违规举报”。

碎片内容

第五届电子电路设计大赛

确认删除?
VIP
微信客服
  • 扫码咨询
会员Q群
  • 会员专属群点击这里加入QQ群
客服邮箱
回到顶部