电脑桌面
添加小米粒文库到电脑桌面
安装后可以在桌面快捷访问

阜南天筑广场小区5基础VIP免费

阜南天筑广场小区5基础_第1页
1/86
阜南天筑广场小区5基础_第2页
2/86
阜南天筑广场小区5基础_第3页
3/86
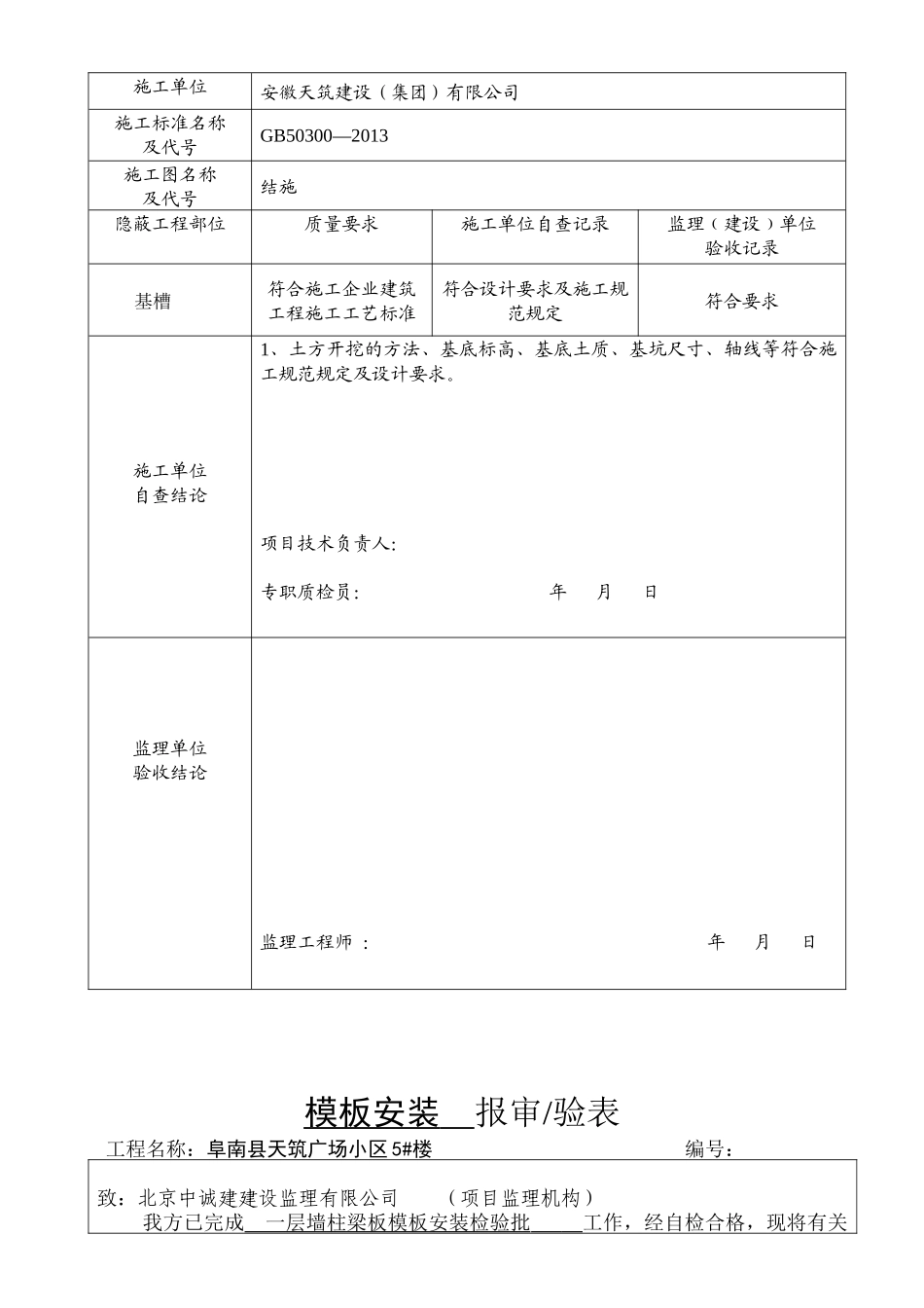
土方开挖 报审/验表工程名称:阜南县天筑广场小区 5#楼 编号:致:北京中诚建建设监理有限公司 (项目监理机构)我方已完成 土方开挖安装检验批 工作,经自检合格,现将有关资料报上,请予以审查/验收。 附件:□隐蔽工程质量检验资料 □检验批质量检验资料 □分项工程质量检验资料 □施工试验室证明资料□其他施工项目经理部(盖章): 安徽天筑建设集团有限公司 项目经理或项目技术负责人(签字): 日 期:审查、验收意见:项目监理机构(盖章):北京中诚建建设监理有限公司专业监理工程师(签字):日 期: 土方开挖工程检验批质量验收记录表 0105101 GB5202-2002隐蔽工程验收记录表工程名称 阜南县天筑广场小区 5#楼施工负责人滑曙光分项工程名称土方分项专业工长孙应东隐蔽工程项目土方单位(子单位)工程名称阜南县天筑广场小区 5#楼分部(子分部)工程名称地基础基础/土方分项工程名称土方开挖施工单位安徽天筑建设(集团)有限公司项目负责人滑曙光检验批容量 分包单位/分包单位项目负责人/检验批部位基槽施工依据土方开挖施工方案验收依据GB 50202-2002主控项目验收项目设计要求及规范规定最小\实际抽样数量检查记录检查结果1标高桩基基坑基槽-50/场地平整人工±30/机械±5010/10抽查 10 处,合格10 处管沟-50/地(路)面基面层-50/2长度、宽度(由设计中心线向两边量)桩基基坑基槽+200-50/场地平整人工+300-100机械+500-15010/10抽查 10 处,合格10 处管沟+100/3边坡设计计要求/一般项目1表面平整度桩基基坑基槽20/ 场地平整人工20/ 机械5010/10抽查 10 处,合格10 处管沟20/地(路)面基础层20/2基底土性设计要求土性为软粘土,符合设计要求施工单位检查结果 主控项目、一般项目全部合格,符合设防及施工规范要求。 专业工长: 项目专业质量检查员: 年 月 日监理单位验收结论 专业监理工程师: 年 月 日施工单位安徽天筑建设(集团)有限公司施工标准名称及代号GB50300—2013施工图名称及代号结施隐蔽工程部位质量要求施工单位自查记录监理﹙建设﹚单位验收记录基槽符合施工企业建筑工程施工工艺标准符合设计要求及施工规范规定符合要求施工单位自查结论1、土方开挖的方法、基底标高、基底土质、基坑尺寸、轴线等符合施工规范规定及设计要求。项目技术负责人: 专职质检员: 年 月 日监理单位验收结论 监理工程师 : 年 月 日模板安装 报审/验表工程名称:阜南县天筑广场小区...

1、当您付费下载文档后,您只拥有了使用权限,并不意味着购买了版权,文档只能用于自身使用,不得用于其他商业用途(如 [转卖]进行直接盈利或[编辑后售卖]进行间接盈利)。
2、本站所有内容均由合作方或网友上传,本站不对文档的完整性、权威性及其观点立场正确性做任何保证或承诺!文档内容仅供研究参考,付费前请自行鉴别。
3、如文档内容存在违规,或者侵犯商业秘密、侵犯著作权等,请点击“违规举报”。

碎片内容

阜南天筑广场小区5基础

您可能关注的文档

确认删除?
VIP
微信客服
  • 扫码咨询
会员Q群
  • 会员专属群点击这里加入QQ群
客服邮箱
回到顶部