电脑桌面
添加小米粒文库到电脑桌面
安装后可以在桌面快捷访问

标准路基挡土墙施工工艺方案VIP免费

标准路基挡土墙施工工艺方案_第1页
1/21
标准路基挡土墙施工工艺方案_第2页
2/21
标准路基挡土墙施工工艺方案_第3页
3/21
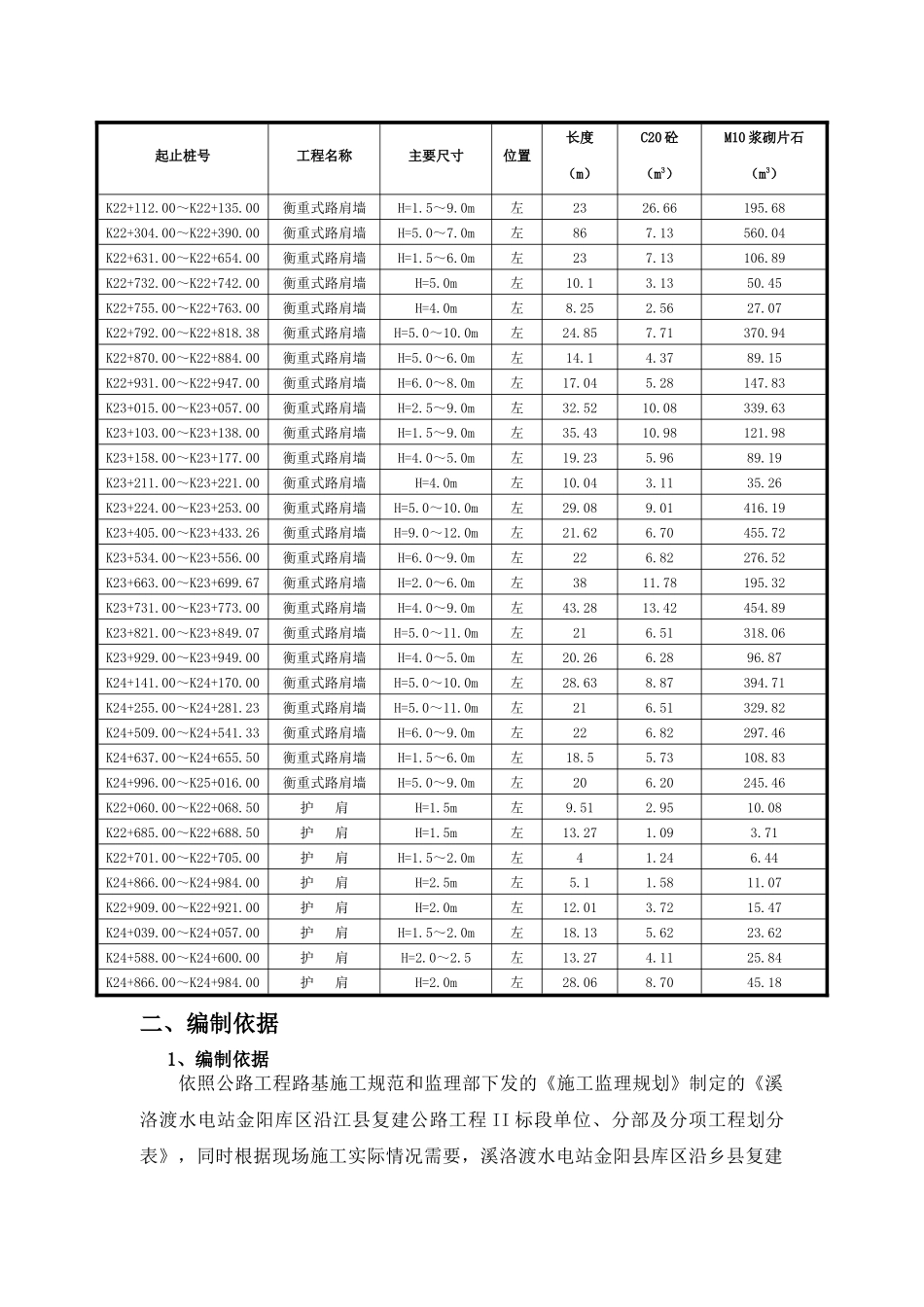
溪洛渡水电站金阳库区复建公路 II 合同段(K22+000~K25+000 段路基防护工程)实施性施工工艺方案建设单位:四川金阳县交通运输局 __________ 施工单位:湖南邵阳公路桥梁建设有限公司 __ 监理单位:成都公路工程监理事务所有限公司一、工程概况1、工程名称:溪洛渡电站金阳库区复建公路工程项目路基防护工程2、起止桩号:K22+000 ~ K25+000 段3、工程数量:本段防护工程路基挡土墙共计: M10 砂浆砌片石挡墙5724m3,C20 片石砼基础 226m3;护肩共计:141.4m3。4、主要施工部位及工程数量:起止桩号工程名称主要尺寸位置长度(m)C20 砼(m3)M10 浆砌片石(m3)K22+112.00~K22+135.00衡重式路肩墙H=1.5~9.0m左2326.66195.68K22+304.00~K22+390.00衡重式路肩墙H=5.0~7.0m左867.13560.04K22+631.00~K22+654.00衡重式路肩墙H=1.5~6.0m左237.13106.89K22+732.00~K22+742.00衡重式路肩墙H=5.0m左10.13.1350.45K22+755.00~K22+763.00衡重式路肩墙H=4.0m左8.252.5627.07K22+792.00~K22+818.38衡重式路肩墙H=5.0~10.0m左24.857.71370.94K22+870.00~K22+884.00衡重式路肩墙H=5.0~6.0m左14.14.3789.15K22+931.00~K22+947.00衡重式路肩墙H=6.0~8.0m左17.045.28147.83K23+015.00~K23+057.00衡重式路肩墙H=2.5~9.0m左32.5210.08339.63K23+103.00~K23+138.00衡重式路肩墙H=1.5~9.0m左35.4310.98121.98K23+158.00~K23+177.00衡重式路肩墙H=4.0~5.0m左19.235.9689.19K23+211.00~K23+221.00衡重式路肩墙H=4.0m左10.043.1135.26K23+224.00~K23+253.00衡重式路肩墙H=5.0~10.0m左29.089.01416.19K23+405.00~K23+433.26衡重式路肩墙H=9.0~12.0m左21.626.70455.72K23+534.00~K23+556.00衡重式路肩墙H=6.0~9.0m左226.82276.52K23+663.00~K23+699.67衡重式路肩墙H=2.0~6.0m左3811.78195.32K23+731.00~K23+773.00衡重式路肩墙H=4.0~9.0m左43.2813.42454.89K23+821.00~K23+849.07衡重式路肩墙H=5.0~11.0m左216.51318.06K23+929.00~K23+949.00衡重式路肩墙H=4.0~5.0m左20.266.2896.87K24+141.00~K24+170.00衡重式路肩墙H=5.0~10.0m左28.638.87394.71K24+255.00~K24+281.23衡重式路肩墙H=5.0~11.0m左216.51329.82K24+509.00~K24+541.33衡重式路肩墙H=6.0~9.0m左226.82297.46K24+637.00~K24+655.50衡重式路肩墙H=1.5~6.0m左18.55.73108.83K24+996.00~K25+016.00衡重式路肩墙H=5.0~9.0m左206.20245.46K22+060.00...

1、当您付费下载文档后,您只拥有了使用权限,并不意味着购买了版权,文档只能用于自身使用,不得用于其他商业用途(如 [转卖]进行直接盈利或[编辑后售卖]进行间接盈利)。
2、本站所有内容均由合作方或网友上传,本站不对文档的完整性、权威性及其观点立场正确性做任何保证或承诺!文档内容仅供研究参考,付费前请自行鉴别。
3、如文档内容存在违规,或者侵犯商业秘密、侵犯著作权等,请点击“违规举报”。

碎片内容

标准路基挡土墙施工工艺方案

您可能关注的文档

确认删除?
VIP
微信客服
  • 扫码咨询
会员Q群
  • 会员专属群点击这里加入QQ群
客服邮箱
回到顶部