电脑桌面
添加小米粒文库到电脑桌面
安装后可以在桌面快捷访问

矿井通风系统调整安全技术措施VIP免费

矿井通风系统调整安全技术措施_第1页
1/8
矿井通风系统调整安全技术措施_第2页
2/8
矿井通风系统调整安全技术措施_第3页
3/8
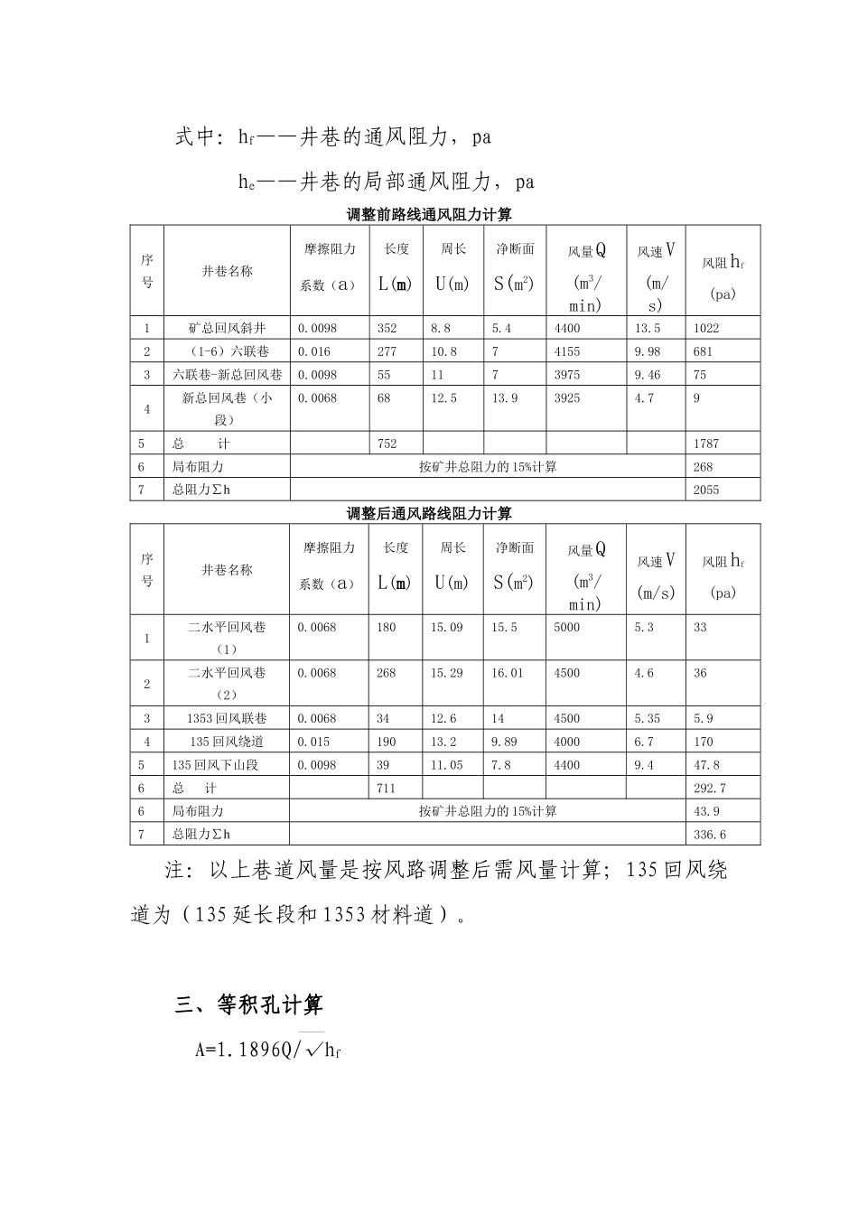
矿井通风系统调整设计及安全技术措施第一章、矿井通风系统现状及存在问题一、通风系统现状我矿通风方式为中央并列式,通风方法为抽出式。地面安设 2 台同型号对旋轴流式扇风机(1 用 1 备);主扇型号为 FBD60-NO.27 型,额定功率为 2×355kw,风量范围 4500~10200m3/min,风压范围:860~5120Pa。目前矿井实际总回风量为5400m3/min,负压为 2600Pa。二、存在问题主要存在以下几方面问题:1、回风斜井断面小,风速高达 13.5m/s,不符合《煤矿安全规程》规定;2、通风负压大,多次造成 1501 采空区自燃发火;3、主扇耗电量大,同时损坏频率高;4、随着矿井生产能力提高,风量不能满足生产需要。第二章 通风阻力计算及调整方案第一节 通风阻力计算调整通风系统前,应先对调整前后的通风阻力进行计算分析;只有在有利于提高矿井通风能力的前提下,方可进行通风系统调整。一、通风阻力计算公式如下1、矿井通风阻力计算摩擦阻力的计算:hf=RfQ2 pa 式中:hf——井巷的摩擦阻力,pa; Rf——井巷的摩擦风阻,Ku; Q——井巷风量,m3/s其中:Rf=αLU/S3 式中:α——井巷的摩擦阻力系数; L——井巷的长度;m U——井巷周边长度,m S——井巷的断面积,m2式中摩擦阻力系数(α 值)在《矿井通风》中查表得出2、局部阻力的计算根据《煤炭工业设计规范》的规定,局部阻力不单独计算取摩擦阻力的 15%作为局部阻力,即:he=hf×15% 通风阻力的计算h=he+hf 式中:hf——井巷的通风阻力,pahe——井巷的局部通风阻力,pa调整前路线通风阻力计算序号井巷名称摩擦阻力系数(a)长度L(m)周长U(m)净断面S(m2)风量Q(m3/min)风速V(m/s)风阻hf(pa)1矿总回风斜井0.00983528.85.4440013.510222(1-6)六联巷0.01627710.8741559.986813六联巷-新总回风巷0.00985511739759.46754新总回风巷(小段)0.00686812.513.939254.795总 计75217876局布阻力按矿井总阻力的 15%计算2687总阻力∑h2055调整后通风路线阻力计算序号井巷名称摩擦阻力系数(a)长度L(m)周长U(m)净断面S(m2)风量Q(m3/min)风速V(m/s)风阻hf(pa)1二水平回风巷(1)0.006818015.0915.550005.3332二水平回风巷(2)0.006826815.2916.0145004.63631353 回风联巷0.00683412.61445005.355.94135 回风绕道0.01519013.29.8940006.71705135 回风下山段0.00983911.057.844009.447.86总 计711292.76局布阻力按矿井总阻力的 15%计算43.97总阻力∑h336.6 注:以上巷道风量是按风路调整...

1、当您付费下载文档后,您只拥有了使用权限,并不意味着购买了版权,文档只能用于自身使用,不得用于其他商业用途(如 [转卖]进行直接盈利或[编辑后售卖]进行间接盈利)。
2、本站所有内容均由合作方或网友上传,本站不对文档的完整性、权威性及其观点立场正确性做任何保证或承诺!文档内容仅供研究参考,付费前请自行鉴别。
3、如文档内容存在违规,或者侵犯商业秘密、侵犯著作权等,请点击“违规举报”。

碎片内容

矿井通风系统调整安全技术措施

您可能关注的文档

知识面包店+ 关注
实名认证
内容提供者

热爱教学事业,对互联网知识分享很感兴趣

确认删除?
VIP
微信客服
  • 扫码咨询
会员Q群
  • 会员专属群点击这里加入QQ群
客服邮箱
回到顶部