电脑桌面
添加小米粒文库到电脑桌面
安装后可以在桌面快捷访问

格兰仕中央空调故障代码资料VIP免费

格兰仕中央空调故障代码资料_第1页
1/13
格兰仕中央空调故障代码资料_第2页
2/13
格兰仕中央空调故障代码资料_第3页
3/13
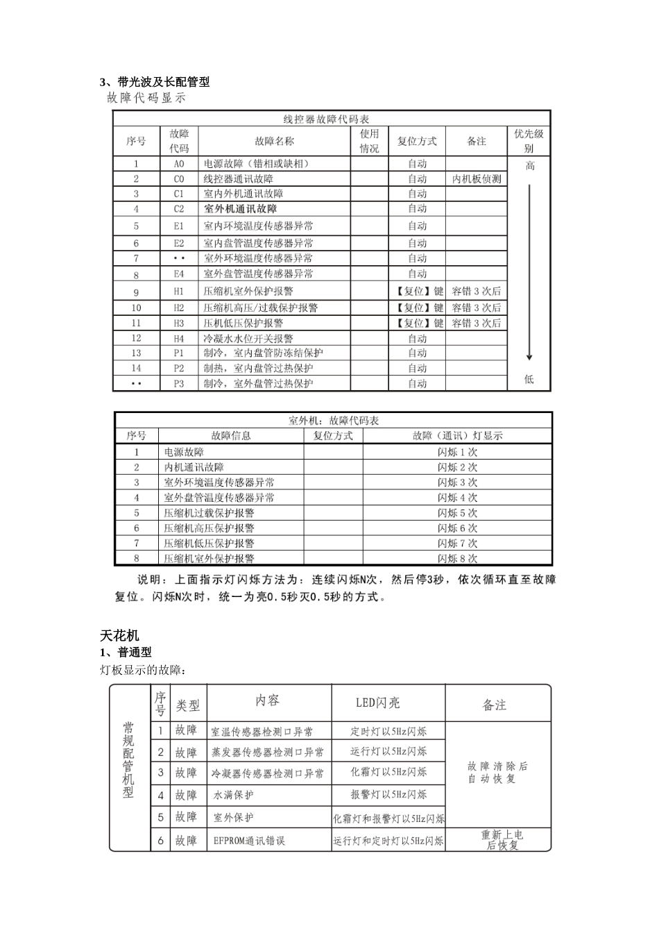
格兰仕中央空调故障代码资料风管机1、普通型及 140T3 带 3kW 电辅灯板显示的故障:线控器显示的故障:2、140T3(带 2kW 电辅)3、带光波及长配管型天花机1、普通型灯板显示的故障:线控器显示的故障:2、KF(R)-50Q4W/Y-C 及光波天花机、长配管天花机、新款座吊机定频多联机组1、 5 匹或 5 匹以下定频多联机2、10 匹定频多联机灯板显示的故障:线控器显示的故障:户式风冷冷(热)水机组风冷吊柜风冷冷(热)水模块机按键式(HAM-2003)电控(型号带有“-B”)触摸式电控(型号没带有“-B”)故障可直接在触摸屏上查询。空气能中央热水机1、 家用型2、商用型

1、当您付费下载文档后,您只拥有了使用权限,并不意味着购买了版权,文档只能用于自身使用,不得用于其他商业用途(如 [转卖]进行直接盈利或[编辑后售卖]进行间接盈利)。
2、本站所有内容均由合作方或网友上传,本站不对文档的完整性、权威性及其观点立场正确性做任何保证或承诺!文档内容仅供研究参考,付费前请自行鉴别。
3、如文档内容存在违规,或者侵犯商业秘密、侵犯著作权等,请点击“违规举报”。

碎片内容

格兰仕中央空调故障代码资料

您可能关注的文档

确认删除?
VIP
微信客服
  • 扫码咨询
会员Q群
  • 会员专属群点击这里加入QQ群
客服邮箱
回到顶部