电脑桌面
添加小米粒文库到电脑桌面
安装后可以在桌面快捷访问

第四采油厂XXXX年产建地面工程井场标准化施工组织设计VIP免费

第四采油厂XXXX年产建地面工程井场标准化施工组织设计_第1页
1/49
第四采油厂XXXX年产建地面工程井场标准化施工组织设计_第2页
2/49
第四采油厂XXXX年产建地面工程井场标准化施工组织设计_第3页
3/49
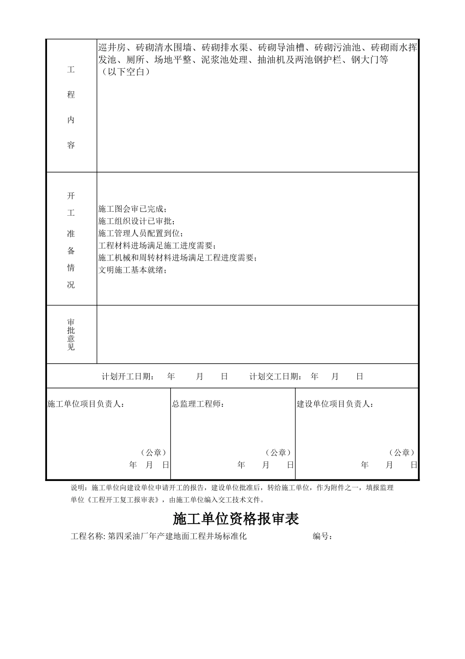
工程开工复工报审表工程名称:第四采油厂年产建地面工程井场标准化 编号:致:西安长庆科技工程监理公司采四产建监理部(监理单位)我方承担的 标准化井场 工程,已完成了以下各项工作,具备了开工复工条件,特此申请施工,请核查并签发开工复工指令。附件:、开工报告 、(证明文件) 承包单位(章) 项目经理 日 期 审查意见: 项目监理机构 西安长庆科技工程监理公司 采四产建监理部 总监理工程师 日 期 本表由承包单位填报,一式三份,监理单位、承包单位、建设单位各一份单项(位)工程开工报告单位工程名称第四采油厂年产建地面工程井场标准化工程编号工 程 内 容巡井房、砖砌清水围墙、砖砌排水渠、砖砌导油槽、砖砌污油池、砖砌雨水挥发池、厕所、场地平整、泥浆池处理、抽油机及两池钢护栏、钢大门等(以下空白)开 工 准 备 情 况施工图会审已完成;施工组织设计已审批;施工管理人员配置到位;工程材料进场满足施工进度需要;施工机械和周转材料进场满足工程进度需要;文明施工基本就绪;审批意见计划开工日期: 年 月 日 计划交工日期: 年 月 日施工单位项目负责人:(公章) 年 月 日总监理工程师:(公章) 年 月 日建设单位项目负责人:(公章) 年 月 日说明:施工单位向建设单位申请开工的报告,建设单位批准后,转给施工单位,作为附件之一,填报监理单位《工程开工复工报审表》,由施工单位编入交工技术文件。施工单位资格报审表工程名称: 第四采油厂年产建地面工程井场标准化 编号: 致:西安长庆科技工程监理公司采四产建监理部(监理单位) 我方具有承担该工程的施工资质和施工能力,可以保证本项目按合同的规定进行施工,承担全部责任,请予以审查和批准。附件: 文件名称(企业资质)备注营业执照资质证书市场准入证施工许可证承包单位(章) 项目经理 日 期 年 月 日 专业监理工程师审查意见:专业监理工程师 日 期 总监理工程师审核意见:项目监理机构 总监理工程师 日 期 施工单位人员资质报审表工称名称:第四采油厂年产建地面工程井场标准化 编号: 致:西安长庆科技工程监理公司采四产建监理部(监理单位) 我方以下管理人员具有合法有效资质,可以保证本项目按合同的规定进行施工,请予以审查和批准。附件: 项目工程配备人员名单及证件复印件承包单位(章) 项目经理 日 期 年 月 日 专业监理工程师审查意见:专业监理工程师 日 期 总...

1、当您付费下载文档后,您只拥有了使用权限,并不意味着购买了版权,文档只能用于自身使用,不得用于其他商业用途(如 [转卖]进行直接盈利或[编辑后售卖]进行间接盈利)。
2、本站所有内容均由合作方或网友上传,本站不对文档的完整性、权威性及其观点立场正确性做任何保证或承诺!文档内容仅供研究参考,付费前请自行鉴别。
3、如文档内容存在违规,或者侵犯商业秘密、侵犯著作权等,请点击“违规举报”。

碎片内容

第四采油厂XXXX年产建地面工程井场标准化施工组织设计

状元书店+ 关注
实名认证
内容提供者

热爱教学事业,对互联网知识分享很感兴趣

确认删除?
VIP
微信客服
  • 扫码咨询
会员Q群
  • 会员专属群点击这里加入QQ群
客服邮箱
回到顶部