电脑桌面
添加小米粒文库到电脑桌面
安装后可以在桌面快捷访问

水利水电工程垫层VIP免费

水利水电工程垫层_第1页
1/33
水利水电工程垫层_第2页
2/33
水利水电工程垫层_第3页
3/33
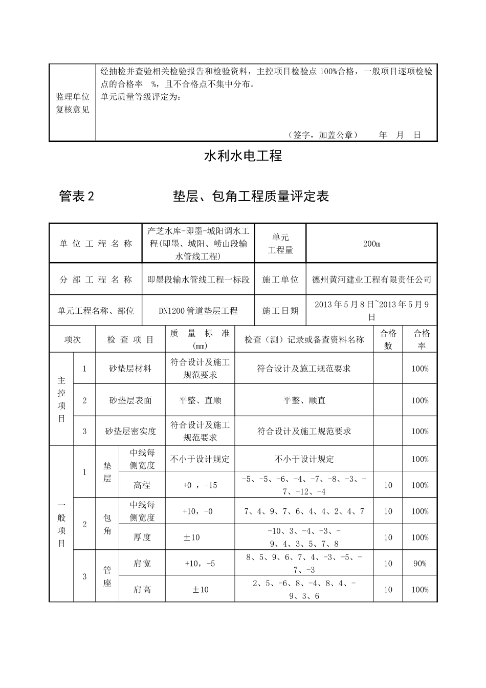
水利水电工程管表 2 垫层、包角工程质量评定表单 位 工 程 名 称产芝水库-即墨-城阳调水工程(即墨、城阳、崂山段输水管线工程)单元工程量200m分 部 工 程 名 称即墨段输水管线工程一标段施工单位德州黄河建业工程有限责任公司单元工程名称、部位DN1200 管道垫层工程施工日期2013 年 5 月 9 日~2013 年 5 月 10日项次检 查 项 目质 量 标 准(mm)检查(测)记录或备查资料名称合格数合格率主控项目1砂垫层材料符合设计及施工规范要求符合设计及施工规范要求100%2砂垫层表面平整、直顺平整、顺直100%3砂垫层密实度符合设计及施工规范要求符合设计及施工规范要求100%一般项目1垫层中线每侧宽度不小于设计规定不小于设计规定100% 高程+0 ,-15-11、-13、-14、-4、-6、-2、-3、-3、-2、-1410100%2包角中线每侧宽度+10,-05、4、2、5、9、5、3、2、5、710100% 厚度±10-5、3、-3、-3、-4、2、6、7、9、510100%3管座肩宽+10,-54、2、6、2、7、8、4、9、4、-210100%肩高±102、3、5、-7、3、-6、3、-2、8、710100%施工单位自评意见主控项目检验点 100%合格,一般项目逐项检验点的合格率 %,且不合格点不集中分布。单元质量等级评定为: (签字,加盖公章) 年 月 日监理单位复核意见经抽检并查验相关检验报告和检验资料,主控项目检验点 100%合格,一般项目逐项检验点的合格率 %,且不合格点不集中分布。单元质量等级评定为: (签字,加盖公章) 年 月 日水利水电工程管表 2 垫层、包角工程质量评定表单 位 工 程 名 称产芝水库-即墨-城阳调水工程(即墨、城阳、崂山段输水管线工程)单元工程量200m分 部 工 程 名 称即墨段输水管线工程一标段施工单位德州黄河建业工程有限责任公司单元工程名称、部位DN1200 管道垫层工程施工日期2013 年 5 月 8 日~2013 年 5 月 9日项次检 查 项 目质 量 标 准(mm)检查(测)记录或备查资料名称合格数合格率主控项目1砂垫层材料符合设计及施工规范要求符合设计及施工规范要求100%2砂垫层表面平整、直顺平整、顺直100%3砂垫层密实度符合设计及施工规范要求符合设计及施工规范要求100%一般项目1垫层中线每侧宽度不小于设计规定不小于设计规定100% 高程+0 ,-15-5、-5、-6、-4、-7、-8、-3、-7、-12、-410100%2包角中线每侧宽度+10,-07、4、9、7、6、4、4、2、4、710100% 厚度±10-10、3、-4、-3、-9、4、3、5、7、810100%3管座肩宽+10,-58、5、...

1、当您付费下载文档后,您只拥有了使用权限,并不意味着购买了版权,文档只能用于自身使用,不得用于其他商业用途(如 [转卖]进行直接盈利或[编辑后售卖]进行间接盈利)。
2、本站所有内容均由合作方或网友上传,本站不对文档的完整性、权威性及其观点立场正确性做任何保证或承诺!文档内容仅供研究参考,付费前请自行鉴别。
3、如文档内容存在违规,或者侵犯商业秘密、侵犯著作权等,请点击“违规举报”。

碎片内容

水利水电工程垫层

确认删除?
VIP
微信客服
  • 扫码咨询
会员Q群
  • 会员专属群点击这里加入QQ群
客服邮箱
回到顶部