电脑桌面
添加小米粒文库到电脑桌面
安装后可以在桌面快捷访问

数控车工技能考核标准VIP免费

数控车工技能考核标准_第1页
1/4
数控车工技能考核标准_第2页
2/4
数控车工技能考核标准_第3页
3/4
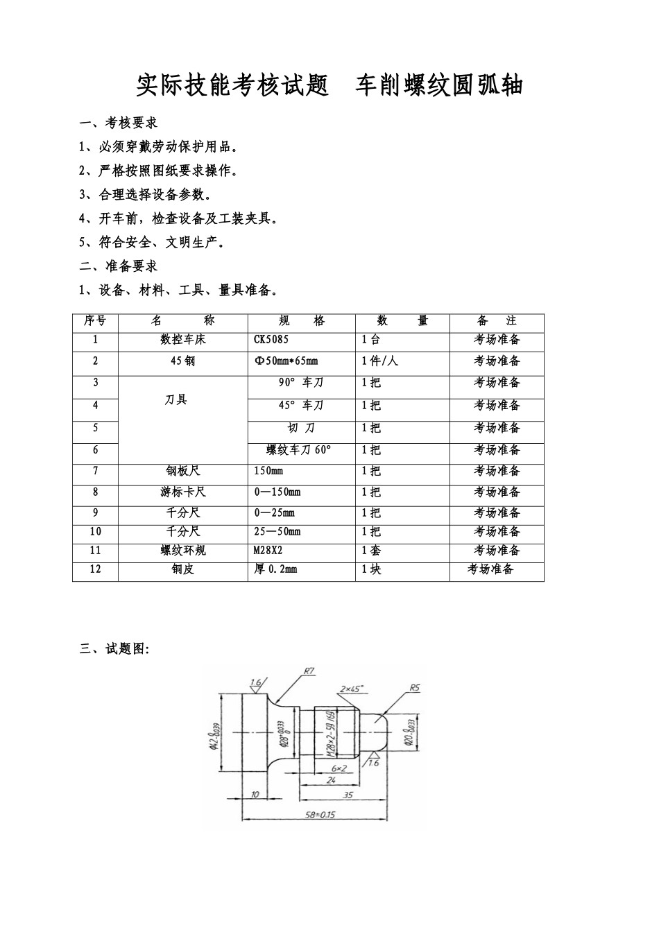
实际技能考核试题 车削螺纹圆弧轴一、考核要求1、必须穿戴劳动保护用品。2、严格按照图纸要求操作。3、合理选择设备参数。4、开车前,检查设备及工装夹具。5、符合安全、文明生产。二、准备要求1、设备、材料、工具、量具准备。 三、试题图:序号名 称规 格数 量备 注1数控车床CK5085CK50851 台考场准备245 钢Φ50Φ50mm*65mm1 件/人考场准备3刀具90°车刀1 把考场准备445°车刀1 把考场准备5切 刀1 把考场准备6螺纹车刀 60°1 把考场准备7钢板尺150mm1 把考场准备8游标卡尺0—150mm1 把考场准备9千分尺0—25mm1 把考场准备10千分尺25—50mm1 把考场准备11螺纹环规M28X21 套考场准备12铜皮厚 0.2mm1 块考场准备四.编程(1) 编程。(2) 输入程序。(3) 车削加工。(4) 清理现场。五.考试规定及说明(1) 如操作违章,将停止考试。(2) 考试采用百分制,考试项目得分按鉴定比重进行折算。(3) 考试方式说明:该项目为实际操作题,考试过程按评分标准及操作过程进行评分(4) 测量技能说明:本项目主要测试考生对车削莫氏变径套掌握的熟练程度。六.考试时限(1) 编程时间:30min。(2) 操作时间:50min。(3) 计时从正式考试开始,至操作完毕结束。(4) 提前完成操作不加分,超过时按规定标准评分。数控加工实习操作技能考核评分表序号考试评分要求配分评分标准检测扣分得备注内容结果分1编程编制程序20编制程序错误一处扣 5分,发生影响设备或刀具安全的错误时,停止操作,技能考试项目为零分。2输入程序输入编制程序6输入错误一处扣 3 分,错误 2 处技能考试项目终止。3车削加工Φ42(公差在规定界限内)4每超差 0.01 扣 1 分涂色检验接触面积≥70%3接触面积每≤10%扣 1分Ra1.62达不到要求扣 2 分同轴度 Φ0.034每超差 0.01 扣 1 分Φ28( 公 差 在 规 定界限内)4每超差 0.01 扣 1 分R7 涂 色 检 验 接 触面积≥90%3接触面积每≤30%扣 1分Ra3.22达不到要求扣 1 分583每超差 0.01 扣 1 分Ra3.2 两处3一处达不到要求扣 1 分Φ203每超差 0.01 扣 1 分M28(公差在环规规定范围内5达不到要求扣 5 分1x45°2达不到要求扣 2 分4清理现场工具、量具整理;清扫工作台5工具、量具不整理,不清扫工作台扣 3 分。5验收工件工作无严重缺损5工件有严重缺损不参与评分。6安全按国家或企业颁发每违反一项规定从总分文明操作的有关安全规定执行操5中扣 3 分;严重违规停止操作。7考试时...

1、当您付费下载文档后,您只拥有了使用权限,并不意味着购买了版权,文档只能用于自身使用,不得用于其他商业用途(如 [转卖]进行直接盈利或[编辑后售卖]进行间接盈利)。
2、本站所有内容均由合作方或网友上传,本站不对文档的完整性、权威性及其观点立场正确性做任何保证或承诺!文档内容仅供研究参考,付费前请自行鉴别。
3、如文档内容存在违规,或者侵犯商业秘密、侵犯著作权等,请点击“违规举报”。

碎片内容

数控车工技能考核标准

确认删除?
VIP
微信客服
  • 扫码咨询
会员Q群
  • 会员专属群点击这里加入QQ群
客服邮箱
回到顶部