电脑桌面
添加小米粒文库到电脑桌面
安装后可以在桌面快捷访问

钻孔灌注桩施工工艺VIP免费

钻孔灌注桩施工工艺_第1页
1/12
钻孔灌注桩施工工艺_第2页
2/12
钻孔灌注桩施工工艺_第3页
3/12
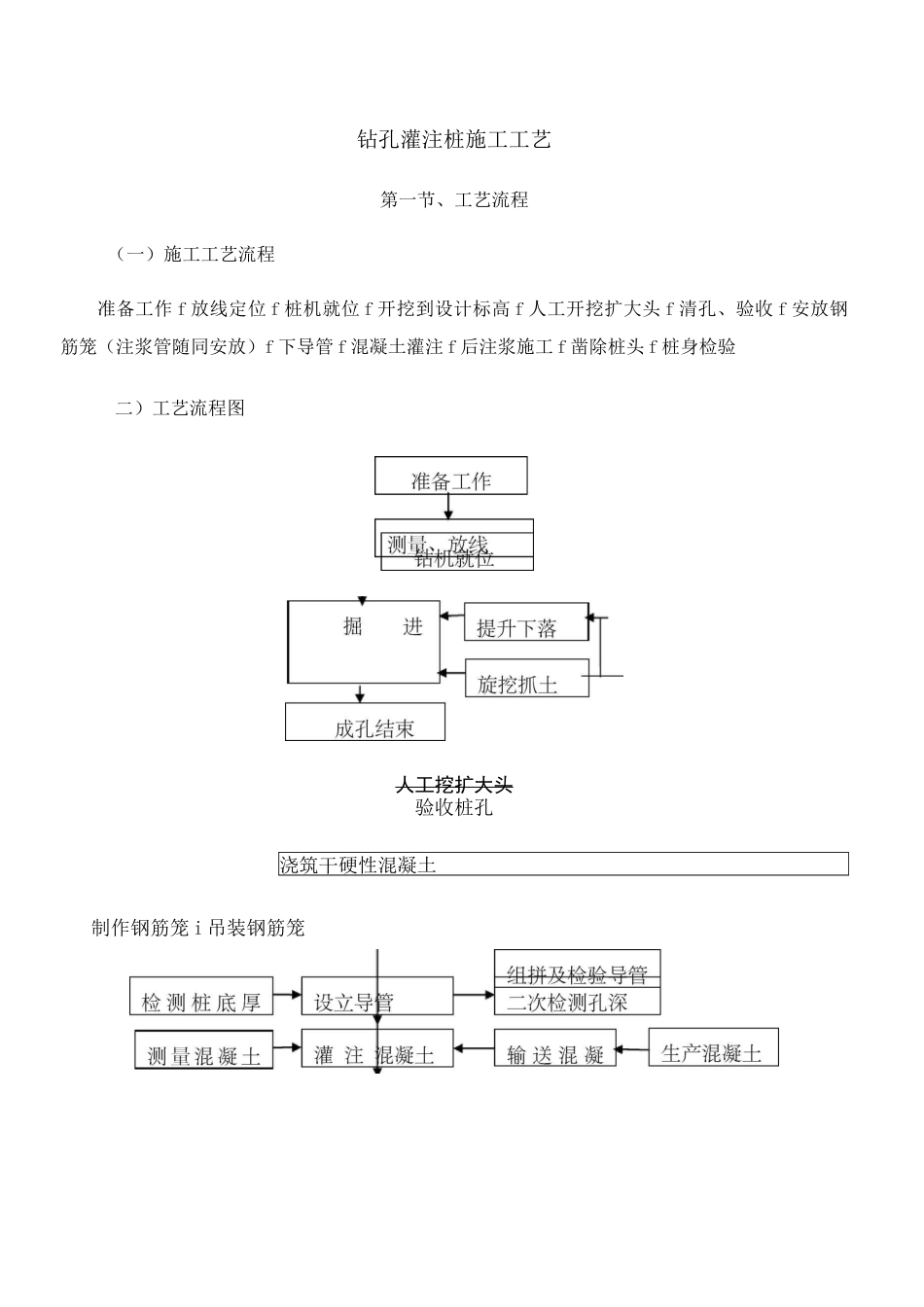
钻孔灌注桩施工工艺第一节、工艺流程(一)施工工艺流程准备工作 f 放线定位 f 桩机就位 f 开挖到设计标高 f 人工开挖扩大头 f 清孔、验收 f 安放钢筋笼(注浆管随同安放)f 下导管 f 混凝土灌注 f 后注浆施工 f 凿除桩头 f 桩身检验二)工艺流程图人工挖扩大头验收桩孔浇筑干硬性混凝土制作钢筋笼 i 吊装钢筋笼后注浆截除桩头无损检测第二节各工艺流程做法(一)测量放线在场地三通一平的基础上,依据建筑物测量控制网的资料和基础平面布置图,测定桩位轴线方格控制网和高程基准点。确定好桩位中心,以中点为圆心,以桩身半径加护壁厚度为半径画出上部即第一步的圆周。撒石灰线作为桩孔开挖尺寸线。当桩中心距小于倍桩径且桩端净距小于(>米)或桩心距小于(V)米时,应采用间隔开挖,浇筑混凝土。桩位线定好之后,必须先试挖桩,待试挖桩成功后经有关部门进行复查,办好预检手续后再进行全面开挖工程桩。施工时相邻两桩净距小于米时应采用间隔开挖,相邻桩跳挖的最小施工净距不得小于米。待先批桩开挖完毕且混凝土浇筑完毕后方可再开挖另一批桩,以避免桩出现塌孔现象,确保施工安全。(二)成孔开挖桩孔垂直段采用螺旋钻施工,桩孔挖至孔底设计标高时,通知甲方会同勘察设计及有关人员共同鉴定,确定达到层卵石层后方可扩底。当遇到施工区域受限时用洛阳铲配合人工开挖成孔。钻机就位后,钻机下必须垫枕木钻机就位必须平正、稳固,确保施工中不发生倾斜、移动。使钻机转盘中心线、天车中心、钻头中心及桩中心位于一条沿垂线上,经当班技术人员检查,验收签字后方可钻孔。旋挖成孔首先是动力头转动底门镶嵌斗齿的桶式钻斗切削岩土,并将原状岩土装入钻斗内,然后再由钻机卷扬机和伸缩钻杆将钻斗提出孔外卸土,这样循环往复,不断地取土卸土,直至钻至设计深度。而对于松散易坍塌地层,或有地下水分布,孔壁不稳定,必须采用静态泥浆护壁钻进工艺,向孔内投入护壁泥浆或稳定液进行护壁。成孔前必须检查钻头保径装置钻头直径、钻头磨损情况施工过程对钻头磨损超标的及时更换。成孔中按试施工确定的参数进行施工设专职记录员记录成孔过程的各种参数如钻进深度、地质特征、机械设备损坏、障碍物等情况。记录必须认真、及时、准确、清晰。旋挖钻机配备电子控制系统显示并调整钻进时的垂直度通过电子控制和人工观察两个方面来保证钻杆的垂直度从而保证了成孔的垂直度。钻孔过程中根据地质情况控制进尺速度由硬地层钻到软地层时...

1、当您付费下载文档后,您只拥有了使用权限,并不意味着购买了版权,文档只能用于自身使用,不得用于其他商业用途(如 [转卖]进行直接盈利或[编辑后售卖]进行间接盈利)。
2、本站所有内容均由合作方或网友上传,本站不对文档的完整性、权威性及其观点立场正确性做任何保证或承诺!文档内容仅供研究参考,付费前请自行鉴别。
3、如文档内容存在违规,或者侵犯商业秘密、侵犯著作权等,请点击“违规举报”。

碎片内容

钻孔灌注桩施工工艺

您可能关注的文档

确认删除?
VIP
微信客服
  • 扫码咨询
会员Q群
  • 会员专属群点击这里加入QQ群
客服邮箱
回到顶部