电脑桌面
添加小米粒文库到电脑桌面
安装后可以在桌面快捷访问

超声波探伤的通用方法和基础技术——(第一节超声波探伤方法分类及特点)VIP免费

超声波探伤的通用方法和基础技术——(第一节超声波探伤方法分类及特点)_第1页
1/8
超声波探伤的通用方法和基础技术——(第一节超声波探伤方法分类及特点)_第2页
2/8
超声波探伤的通用方法和基础技术——(第一节超声波探伤方法分类及特点)_第3页
3/8
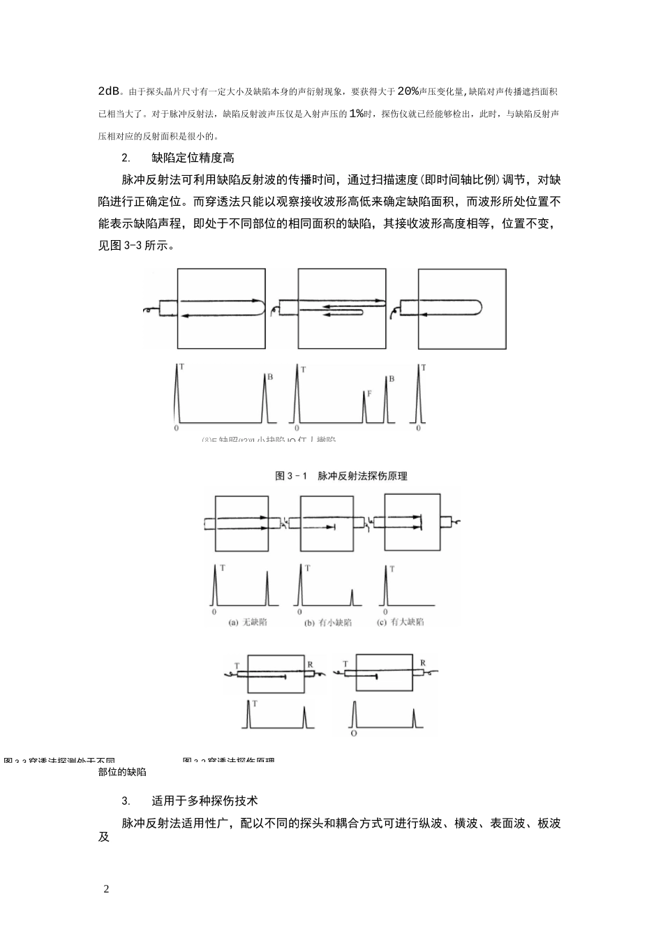
1按缺陷显示方式A 型显示法超声波探伤按超声波传播方式分按探伤工作原理分按探伤波型分按超声波耦合方式分连续波脉冲波法冲波法反射法横波表面波法,直接接触单液浸探头法法第三章超声波探伤的通用方法和基础技术第一节超声波探伤方法分类及特点超声波探伤的实质是:首先将工件被检部位处于一个超声场中,工件若无不连续分布(如无缺陷等),则超声场在连续介质中的分布是正常的。若工件中存在不连续分布(如有缺陷等),则超声波在异质界面上产生反射、折射和透射,使超声场的正常分布受到干扰。使用一定的方法测出这种异常分布相对于正常分布的变化,并找出它们之间变化规律,这就是超声波探伤的任务。超声波探伤有许多方法,如将它们逐一分类,一般可用以下几种:下面仅以实际探伤中较为常用的方法和特点作一简介。一、脉冲反射法和穿透法超声波在传播过程中遇到缺陷会产生反射、透射及缺陷后侧声影,按以上这些引起声场异常变化的不同原理,可将检测方法分为脉冲反射和穿透法(又称阴影法),前者以检测缺陷的反射声压(或声能)大小来确定缺陷量值,后者以测定缺陷对超声波的正常传播的遮挡所造成的声影大小来确定缺陷的量值。图 3-1 和图 3-2 所示为这两者的工作原理图。目前,超声波探伤中常用脉冲反射法,与穿透法相比,脉冲反射法有如下特点:1. 灵敏度高对于穿透法,只有当超声声压变化大于 20%以上时才有可能检测,它相当于声压只降低2图 3-2 穿透法探伤原理图 3-3 穿透法探测处于不同2dB。由于探头晶片尺寸有一定大小及缺陷本身的声衍射现象,要获得大于20%声压变化量,缺陷对声传播遮挡面积已相当大了。对于脉冲反射法,缺陷反射波声压仅是入射声压的1%时,探伤仪就已经能够检出,此时,与缺陷反射声压相对应的反射面积是很小的。2.缺陷定位精度高脉冲反射法可利用缺陷反射波的传播时间,通过扫描速度(即时间轴比例)调节,对缺陷进行正确定位。而穿透法只能以观察接收波形高低来确定缺陷面积,而波形所处位置不能表示缺陷声程,即处于不同部位的相同面积的缺陷,其接收波形高度相等,位置不变,见图 3-3 所示。部位的缺陷3.适用于多种探伤技术脉冲反射法适用性广,配以不同的探头和耦合方式可进行纵波、横波、表面波、板波及⑻E 缺昭(t?)yl 小抉陷 IO 仃丿撇陷3直接接触法直接接触、液浸法等多种探伤技术,以适应从多方面对各类工件缺陷的探测。4.不需要专门扫查装置现场手工操作方便穿透法中为保持发收二探头的相对位...

1、当您付费下载文档后,您只拥有了使用权限,并不意味着购买了版权,文档只能用于自身使用,不得用于其他商业用途(如 [转卖]进行直接盈利或[编辑后售卖]进行间接盈利)。
2、本站所有内容均由合作方或网友上传,本站不对文档的完整性、权威性及其观点立场正确性做任何保证或承诺!文档内容仅供研究参考,付费前请自行鉴别。
3、如文档内容存在违规,或者侵犯商业秘密、侵犯著作权等,请点击“违规举报”。

碎片内容

超声波探伤的通用方法和基础技术——(第一节超声波探伤方法分类及特点)

wxg+ 关注
实名认证
内容提供者

该用户很懒,什么也没介绍

相关文档

确认删除?
VIP
微信客服
  • 扫码咨询
会员Q群
  • 会员专属群点击这里加入QQ群
客服邮箱
回到顶部