电脑桌面
添加小米粒文库到电脑桌面
安装后可以在桌面快捷访问

高压电工作业安全技术实际操作考试标准VIP免费

高压电工作业安全技术实际操作考试标准_第1页
1/14
高压电工作业安全技术实际操作考试标准_第2页
2/14
高压电工作业安全技术实际操作考试标准_第3页
3/14
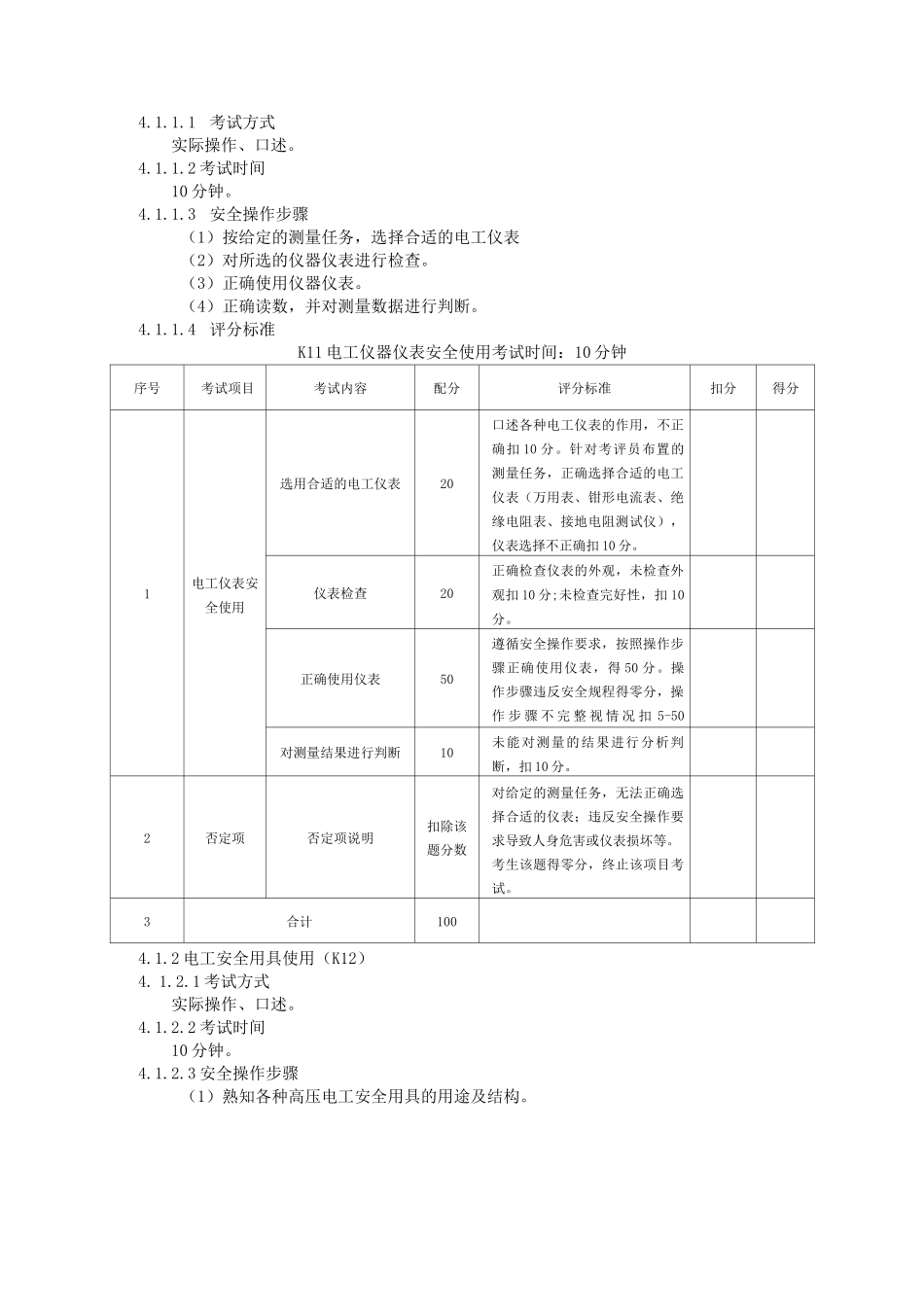
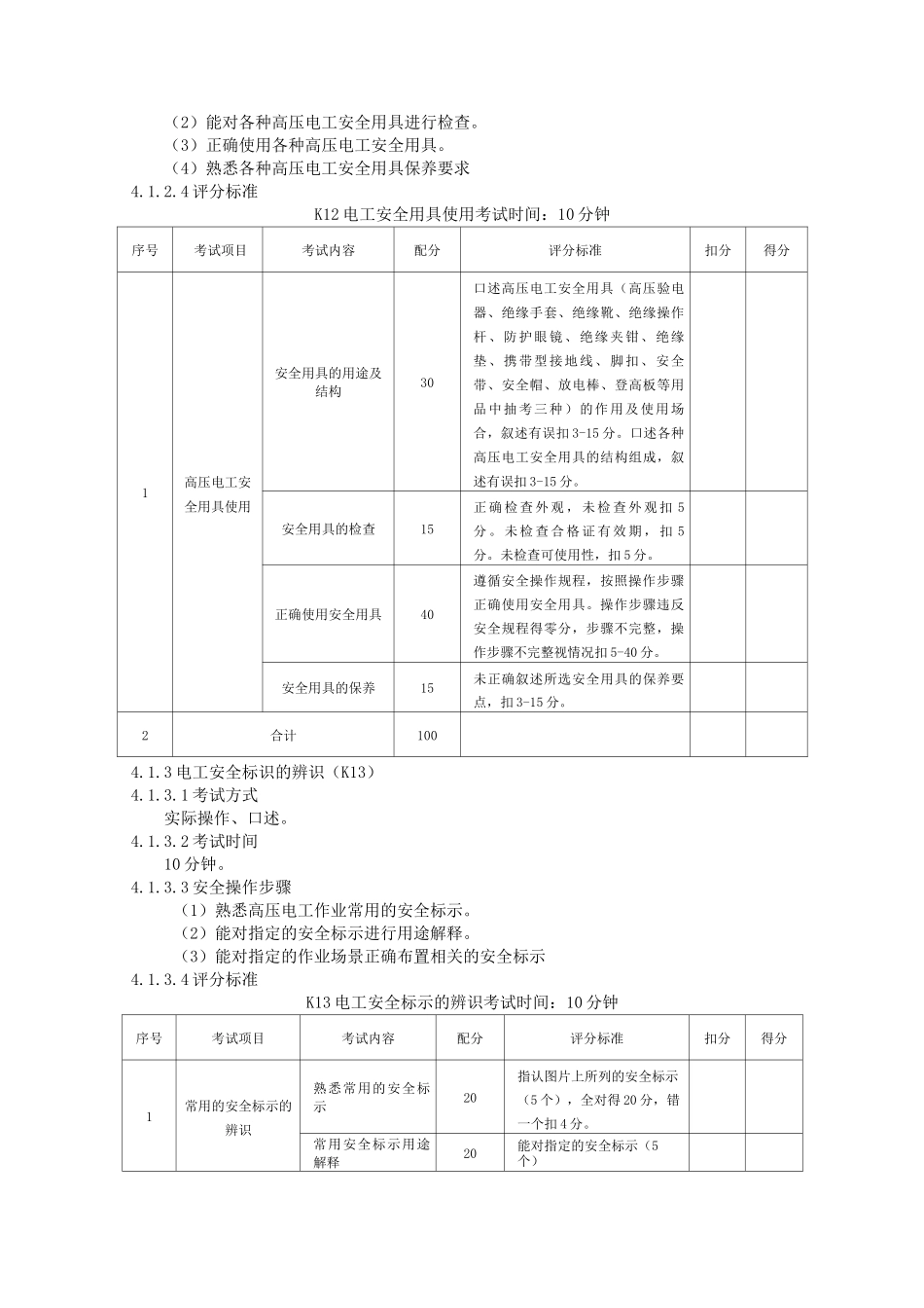
高压电工作业安全技术实际操作考试试卷姓名单位学号题号一(20%)二(40%)三(20%)四(20%)总分阅卷人得分1.制定依据《高压电工作业培训大纲及考核标准》。2.考试方式实际操作、仿真模拟操作、口述。3.考试要求3.1 实操科目及内容3.1.1 科目一:安全用具使用(K1)3.1.1.1 电工仪器仪表安全使用(K11)3.1.1.2 电工安全用具使用(K12)3.1.1.3电工安全标示的辨识(K13)3.1.2 科目二:安全操作技术(K2)3.1.2.110kV 高压开关柜的停(送)电操作(K21)3.1.2.210kV 高压成套配电装置的巡视检查(K22)3.1.2.310kV 柱上变压器的停(送)电操作(K23)3.1.2.410kV 高压开关柜故障判断及处理(K24)3.1.2.510kV 线路挂设保护接地线(K25)3.1.2.6 变压器绝缘测量(K26)3.1.2.7 电力电缆绝缘测试(K27)3.1.2.8 变压器分接开关调整(K28)3.1.2.9 导线在绝缘子上绑扎(K29)3.1.3 科目三:作业现场安全隐患排除(K3)3.1.3.1 判断作业现场存在的安全风险、职业病危害(K31)3.1.3.2 结合实际工作任务,排除作业现场存在的安全风险、职业病危害(K32)3.1.4 科目四:作业现场应急处置(K4)3.1.4.1 触电事故现场的应急处理(K41)3.1.4.2 单人徒手心肺复苏操作(K42)3.1.4.3 灭火器的选择和使用(K43)3.2 组卷方式实操试卷从上述四类考题中,各抽取一道实操题组成。具体题目由考试系统或考生抽取产生。3.3 考试成绩实操考试成绩总分值为 100 分,80 分(含)以上为考试合格;若考题中设置有否决项,否决项未通过,则实操考试不合格。科目 1、科目 2、科目 3、科目 4 的分值权重分别为 20%、40%、20%、20%。3.4 考试时间60 分钟。4.考试内容4.1 安全用具使用(K1)4.1.1 电工仪表安全使用(K11)4.1.1.1考试方式实际操作、口述。4.1.1.2 考试时间10 分钟。4.1.1.3安全操作步骤(1)按给定的测量任务,选择合适的电工仪表(2)对所选的仪器仪表进行检查。(3)正确使用仪器仪表。(4)正确读数,并对测量数据进行判断。4.1.1.4评分标准K11 电工仪器仪表安全使用考试时间:10 分钟序号考试项目考试内容配分评分标准扣分得分1电工仪表安全使用选用合适的电工仪表20口述各种电工仪表的作用,不正确扣 10 分。针对考评员布置的测量任务,正确选择合适的电工仪表(万用表、钳形电流表、绝缘电阻表、接地电阻测试仪),仪表选择不正确扣 10 分。仪表检查20正确检查仪表的外观,未检查外观扣 10 分;未检查完...

1、当您付费下载文档后,您只拥有了使用权限,并不意味着购买了版权,文档只能用于自身使用,不得用于其他商业用途(如 [转卖]进行直接盈利或[编辑后售卖]进行间接盈利)。
2、本站所有内容均由合作方或网友上传,本站不对文档的完整性、权威性及其观点立场正确性做任何保证或承诺!文档内容仅供研究参考,付费前请自行鉴别。
3、如文档内容存在违规,或者侵犯商业秘密、侵犯著作权等,请点击“违规举报”。

碎片内容

高压电工作业安全技术实际操作考试标准

您可能关注的文档

确认删除?
VIP
微信客服
  • 扫码咨询
会员Q群
  • 会员专属群点击这里加入QQ群
客服邮箱
回到顶部