电脑桌面
添加小米粒文库到电脑桌面
安装后可以在桌面快捷访问

围护结构钻孔灌注桩基坑开挖施工方案VIP免费

围护结构钻孔灌注桩基坑开挖施工方案_第1页
1/18
围护结构钻孔灌注桩基坑开挖施工方案_第2页
2/18
围护结构钻孔灌注桩基坑开挖施工方案_第3页
3/18
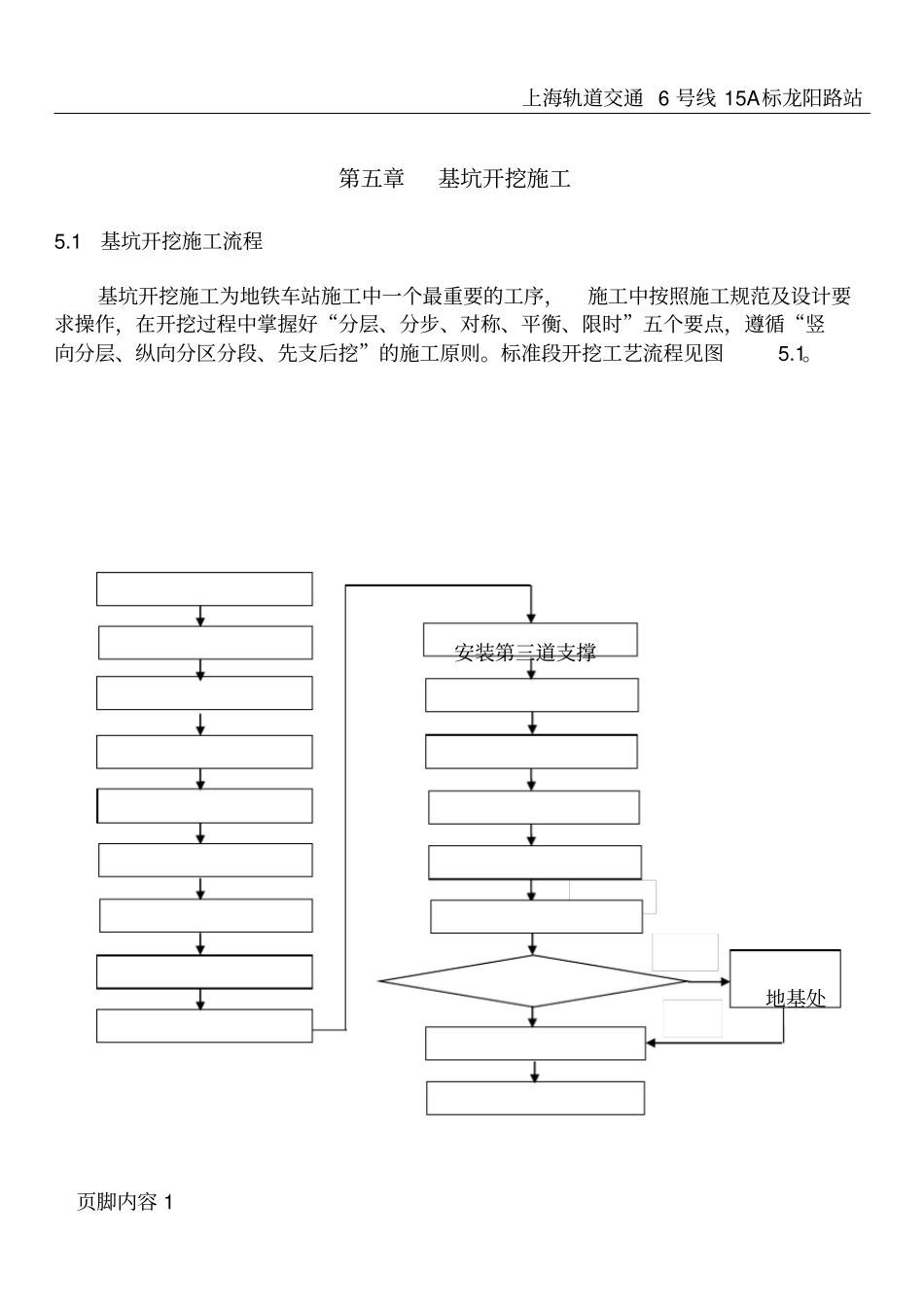
上海轨道交通 6 号线 15A标龙阳路站页脚内容 1第五章基坑开挖施工5.1 基坑开挖施工流程基坑开挖施工为地铁车站施工中一个最重要的工序,施工中按照施工规范及设计要求操作,在开挖过程中掌握好“分层、分步、对称、平衡、限时”五个要点,遵循“竖向分层、纵向分区分段、先支后挖”的施工原则。标准段开挖工艺流程见图5.1。安装第三道支撑地基处上海轨道交通 6 号线 15A标龙阳路站页脚内容 2图 5.1 标准断面基坑开挖流程图5.1.1.施工方法基坑开挖从车站东端盾构接收井开始,作业面配置 4 台挖掘机开挖土方, 人工配合清底。采用台阶接力式开挖,中部纵向拉槽,作为机械行走及出渣通道,两侧预留宽2 米平台。具体就是第一层土方分为两个小层开挖,开挖第一小层土方时,将第二小层的中间部分土体挖除,两侧各留设一个工作平台,便于架设支撑、挂网喷锚,横向及纵向放坡坡度均不小于1:1,开挖第二层土方时,将第二层土方分为两个小层开挖,开挖第一小层时 ,将第二小层中间部分土体挖除.第三层及第四层土方开挖方法与第一层、第二层土方方法相似。每层土方开挖的分层高度根据各层钢支撑之间的竖向设计间距合理分层, 除第一层外, 其余各层开挖分层高度均不大于3m,纵向和横向放坡坡度不小于 1:1。开挖方法详见图5.2 基坑开挖纵向示意图、图5.3 基坑开挖横向示意图、图5.4 基坑开挖平面示意图。图 5.2 基坑开挖纵向示意图上海轨道交通 6 号线 15A标龙阳路站页脚内容 3图 5.3 基坑开挖横向示意图图 5.4 基坑开挖平面示意图5.1.2基坑开挖技术要点上海轨道交通 6 号线 15A标龙阳路站页脚内容 4⑴ 土方开挖到各层钢管支撑设计标高下50cm,及时施作钢管支撑。⑵ 基坑开挖竖向分层、对称进行。⑶ 纵向放坡,在坡顶设置截水沟或挡水土堤,防止地表水冲刷坡面和基坑外积水流入坑内。基坑开挖后及时设置坑内排水沟和集水井,防止基坑内积水。⑷ 基坑纵横向放坡根据地质、 环境条件取开挖时的安全坡度,要求不得陡于 1:1。对暴露时间较长或可能受暴雨冲刷的纵坡采用钢丝网水泥喷浆等坡面保护措施,严防纵向滑坡。⑸ 土方开挖沿纵向的分幅坑底长度不超过24m;而在每开挖层中,每段长度一般不超过 8m,竖向分层不超过3.0m。⑹ 基坑开挖至基底标高以上0.3m 时,改用人工开挖至基底,通知业主、监理、设计及勘查单位进行基底验收,及时封底,尽量减少对基底土的扰动。⑺ 施工时严禁挖土机械碰撞支撑、立柱,严禁机械...

1、当您付费下载文档后,您只拥有了使用权限,并不意味着购买了版权,文档只能用于自身使用,不得用于其他商业用途(如 [转卖]进行直接盈利或[编辑后售卖]进行间接盈利)。
2、本站所有内容均由合作方或网友上传,本站不对文档的完整性、权威性及其观点立场正确性做任何保证或承诺!文档内容仅供研究参考,付费前请自行鉴别。
3、如文档内容存在违规,或者侵犯商业秘密、侵犯著作权等,请点击“违规举报”。

碎片内容

围护结构钻孔灌注桩基坑开挖施工方案

文库当当响+ 关注
实名认证
内容提供者

该用户很懒,什么也没介绍

确认删除?
VIP
微信客服
  • 扫码咨询
会员Q群
  • 会员专属群点击这里加入QQ群
客服邮箱
回到顶部