电脑桌面
添加小米粒文库到电脑桌面
安装后可以在桌面快捷访问

土建监理抽检记录VIP免费

土建监理抽检记录_第1页
1/42
土建监理抽检记录_第2页
2/42
土建监理抽检记录_第3页
3/42
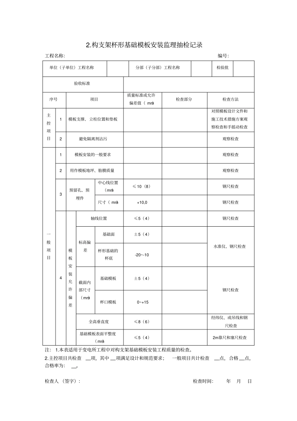
41.平行检验记录(监理)JZLB5 平行检验记录表平 行 检 验 记 录 表工程名称:编号:检验对象分类□设备□材料□工序检验对象基本信息设备设备名称设备型号规格生产厂家安装位置材料材料名称材料型号规格生产厂家使用部位工序工序名称实施单位其他序号检验项目质量标准质量检验结果备注检验结论检验仪器及编号检验人员检验日期年月日填 写 、 使 用 说 明(1)平行检验的对象基本分为设备、材料、工序三大类,如属设备方面的检验项目,在设备前的□框中打√,并在下面“设备”的相应栏目中填写有关信息,其他“材料”和“工序”栏目中打斜线即可。如属材料或工序方面的检验项目,以此类推填写。如有些检验对象不好明确区分是否属于设备、材料、工序时,按工序填写,有关基本信息可填入“其他”栏目中。(2)“检验结论”填写检验后得出的最终结论,一般为合格或不合格。(3)本表主要用于监理单位或委托专业检验单位现场检验后无正式检验报告的情况下使用,如委托专业检验单位检验后出具有正式检验报告,以该正式报告为准,不再填写该记录表。需要平行检验的项目1.土方回填工程监理抽检记录工程名称:编号:单位(子单位)工程名称分部(子分部)工程名称检验批验收标准序号项目质量标准或允许偏差值( mm)检查部分检查方法主控项目1 基底处理观察检查及检查施工记录2 分层压实系数符合设计要求检查试验记录3 边坡坡度观察或用坡度尺检查4 标高偏差柱基、基坑、基槽-50~0 (-45~0 )用水准仪检查场地平整人工± 30(25) 机械± 50(45) 管沟-50~0(-45~0) 地(路)面基层-50~0(-45~0) 一般项目1 回填土料符合设计要求观察检查、取样检查2 分层厚度及含水量符合设计要求观察检查、检查试验记录3 表面度柱基、基坑、基槽≤ 20(15)用 2m靠尺和塞尺检查挖方场地平整人工≤ 20(15)机械≤ 30(25)管沟≤ 20(15)地(路)面基层≤ 20(15)注: 1.本表适用于变电所工程中对土石方工程质量的检查。2.主控项目共检查项,其中项满足设计和规范要求;一般项目共计检查点,合格点,合格率为:。检查人(签字) :检查时间:年月日2.构支架杯形基础模板安装监理抽检记录工程名称:编号:单位(子单位)工程名称分部(子分部)工程名称检验批验收标准序号项目质量标准或允许偏差值( mm)检查部分检查方法主控项目1 模板支撑、 立柱位置和垫板对照模板设计文件和施工技术措施方案观察检查和手摇动检查2 避免隔离剂...

1、当您付费下载文档后,您只拥有了使用权限,并不意味着购买了版权,文档只能用于自身使用,不得用于其他商业用途(如 [转卖]进行直接盈利或[编辑后售卖]进行间接盈利)。
2、本站所有内容均由合作方或网友上传,本站不对文档的完整性、权威性及其观点立场正确性做任何保证或承诺!文档内容仅供研究参考,付费前请自行鉴别。
3、如文档内容存在违规,或者侵犯商业秘密、侵犯著作权等,请点击“违规举报”。

碎片内容

土建监理抽检记录

您可能关注的文档

确认删除?
VIP
微信客服
  • 扫码咨询
会员Q群
  • 会员专属群点击这里加入QQ群
客服邮箱
回到顶部