电脑桌面
添加小米粒文库到电脑桌面
安装后可以在桌面快捷访问

基于单片机控制的步进电机的方案设计书VIP免费

基于单片机控制的步进电机的方案设计书_第1页
1/36
基于单片机控制的步进电机的方案设计书_第2页
2/36
基于单片机控制的步进电机的方案设计书_第3页
3/36
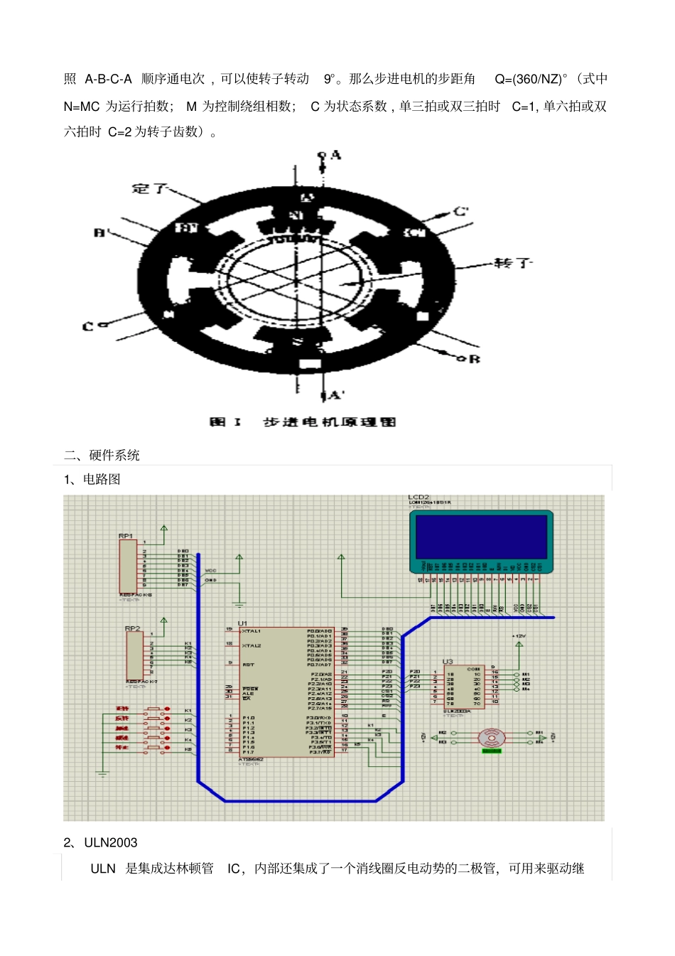
电气综合设计题目 __________________________二级学院 ______________________ 专业 _______________ 班级 ________ _ 学生姓名 _____ 学号 ____________ 学生姓名 ________ 学号 __________ _ ___ 学生姓名 _________ 学号 ___________ ____ 指导教师 ________________ 时间: __________________ 考核工程平时成绩 20 分设计 50 分答辩 30 分得分总分考核等级教师签名摘要 : 介绍了步进电机和直流电机原理及其驱动程序控制控制模块,通过AT89S52单片机及大电流驱动阵列 ULN2003 完成步进电机和直流电机各种运行方式的控制。实现步进电机的正反转速度控制并且显示数据。整个系统采用模块化设计,结构简单、可靠 ,通过按键控制,操作方便,节省成本。关键词: 步进电机。 ULN2003 。 AT89S51。引言随着数字化技术发展,数字控制技术得到了广泛而深入的应用。步进电机是一种将数字信号直接转换成角位移或线位移的控制驱动元件, 具有快速起动和停止的特点。因为步进电动机组成的控制系统结构简单,价格低廉,性能上能满足工业控制的基本要求,所以广泛地应用于手工业自动控制、数控机床、组合机床、机器人、计算机外围设备、照相机,投影仪、数码摄像机、大型望远镜、卫星天线定位系统、医疗器件以及各种可控机械工具等等。直流电机广泛应用于计算机外围设备( 如硬盘、软盘和光盘存储器) 、家电产品、医疗器械和电动车上 , 无刷直流电机的转子都普遍使用永磁材料组成的磁钢, 并且在航空、航天、汽车、精密电子等行业也被广泛应用。在电工设备中的应用,除了直流电磁铁(直流继电器、直流接触器等)外,最重要的就是应用在直流旋转电机中。在发电厂里,同步发电机的励磁机、蓄电池的充电机等,都是直流发电机;锅炉给粉机的原动机是直流电动机。此外,在许多工业部门,例如大型轧钢设备、大型精密机床、矿井卷扬机、市内电车、电缆设备要求严格线速度一致的地方等,通常都采用直流电动机作为原动机来拖动工作机械的。直流发电机通常是作为直流电源,向负载输出电能;直流电动机则是作为原动机带动各种生产机械工作,向负载输出机械能。在控制系统中,直流电机还有其它的用途,例如测速电机、伺服电机等。他们都是利用电和磁的相互作用来实现向机械能能的转换。一、步进电机的工作原理步进电机本质上是一个数字角度转换器。以三相电机为例, 其结构原理见图1。各相夹角为 120°的定子磁极上均匀分布了...

1、当您付费下载文档后,您只拥有了使用权限,并不意味着购买了版权,文档只能用于自身使用,不得用于其他商业用途(如 [转卖]进行直接盈利或[编辑后售卖]进行间接盈利)。
2、本站所有内容均由合作方或网友上传,本站不对文档的完整性、权威性及其观点立场正确性做任何保证或承诺!文档内容仅供研究参考,付费前请自行鉴别。
3、如文档内容存在违规,或者侵犯商业秘密、侵犯著作权等,请点击“违规举报”。

碎片内容

基于单片机控制的步进电机的方案设计书

您可能关注的文档

确认删除?
VIP
微信客服
  • 扫码咨询
会员Q群
  • 会员专属群点击这里加入QQ群
客服邮箱
回到顶部