电脑桌面
添加小米粒文库到电脑桌面
安装后可以在桌面快捷访问

基础工程检验批VIP免费

基础工程检验批_第1页
1/43
基础工程检验批_第2页
2/43
基础工程检验批_第3页
3/43
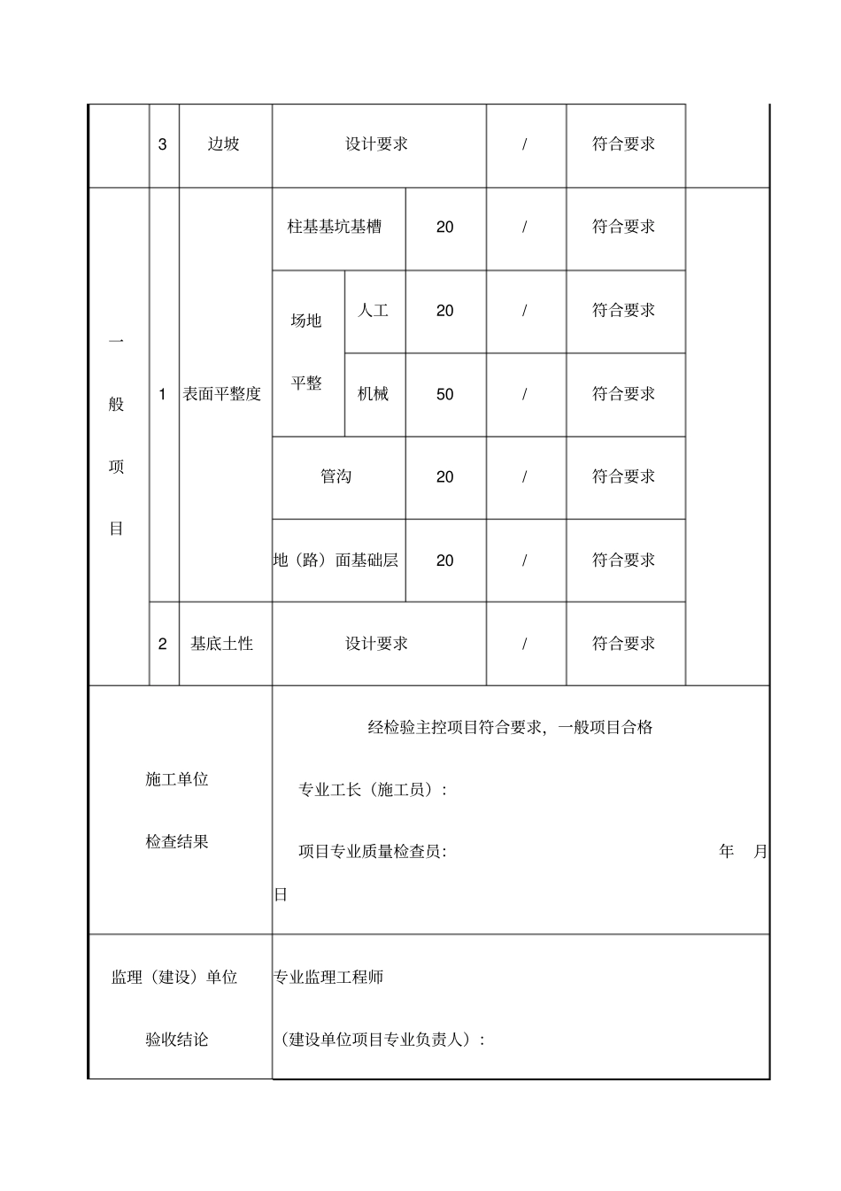
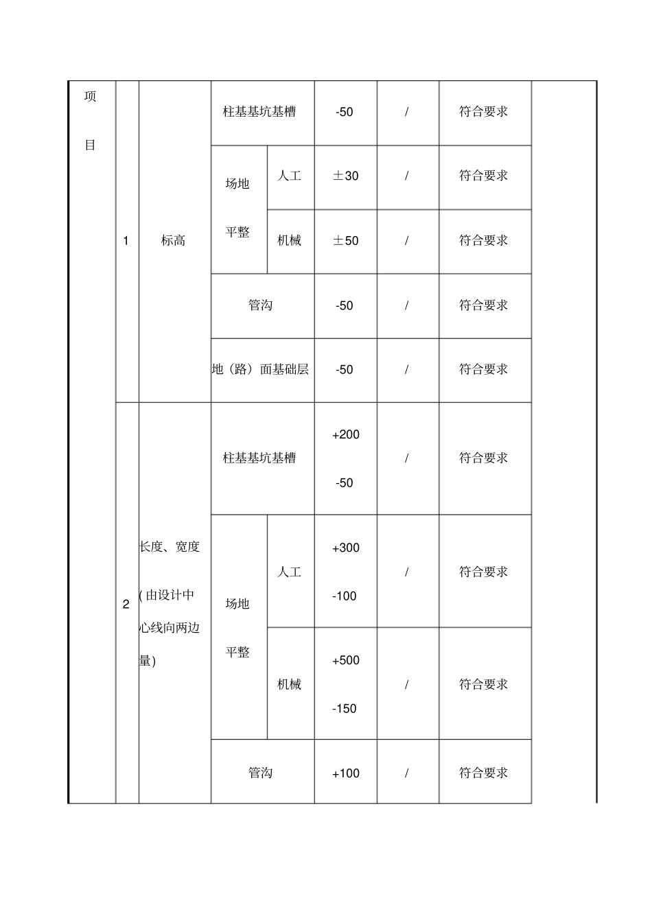
土方开挖工程检验批质量验收记录01050101 单位(子单位)工程名称策源乡卫生院业务用房工程分部(子分部)工程名称地基与基础/ 土方分项工程名称土方开挖施工单位湖南万凯建设工程有限公司项目负责人王文斌检验批容量分包单位分包单位项目负责人检验批部位土方开挖检验批施工依据验收依据《建筑地基基础工程施工质量验收规范》 GB 50202-2002主控验收项目设计要求及规范规定最小 / 实际抽样数量检查记录检查结果项目1标高柱基基坑基槽-50/符合要求场地平整人工±30/符合要求机械±50/符合要求管沟-50/符合要求地(路)面基础层-50/符合要求2长度、宽度( 由设计中心线向两边量)柱基基坑基槽+200 -50/符合要求场地平整人工+300 -100/符合要求机械+500 -150/符合要求管沟+100/符合要求3边坡设计要求/符合要求一般项目1表面平整度柱基基坑基槽20/符合要求场地平整人工20/符合要求机械50/符合要求管沟20/符合要求地(路)面基础层20/符合要求2基底土性设计要求/符合要求施工单位检查结果经检验主控项目符合要求,一般项目合格专业工长(施工员):项目专业质量检查员:年月日监理(建设)单位验收结论专业监理工程师(建设单位项目专业负责人):年月日注:本表内容的填写需依据《现场验收检验批检查原始记录》。本检验批质量验收的规范依据见本页背面。土方回填工程检验批质量验收记录01050201 单位(子单位)工程名称策源乡卫生院业务用房工程分部(子分部)工程名称地基与基础 / 土方分项工程名称土方回填施工单位湖南万凯建设工程有限公司项目负责人王文斌检验批容量分包单位分包单位项目负责人检验批部位土方回填检验批施工依据验收依据《建筑地基基础工程施工质量验收规范》 GB 50202-2002主控项目验收项目设计要求及规范规定最小 / 实际抽样数量检查记录检查结果1标高柱基基坑基槽-50/符合要求场地平整人工±30/符合要求机械±50/符合要求管沟-50/符合要求地(路)面基础层-50/符合要求2分层压实系数设计要求/符合要求一般1回填土料设计要求/符合要求2分层厚度设计要求/符合要求项目及含水量3表面平整度柱基基坑基槽20/符合要求场地平整人工20/符合要求机械30/符合要求管沟20/符合要求地(路)面基础层20/符合要求施工单位检查结果经检验主控项目符合要求,一般项目合格专业工长(施工员):项目专业质量检查员:年月日监理(建设)单位验收结论专业监理工程师(建设单位项目专业负责人):年月日注:本表内容的填写需依据《现...

1、当您付费下载文档后,您只拥有了使用权限,并不意味着购买了版权,文档只能用于自身使用,不得用于其他商业用途(如 [转卖]进行直接盈利或[编辑后售卖]进行间接盈利)。
2、本站所有内容均由合作方或网友上传,本站不对文档的完整性、权威性及其观点立场正确性做任何保证或承诺!文档内容仅供研究参考,付费前请自行鉴别。
3、如文档内容存在违规,或者侵犯商业秘密、侵犯著作权等,请点击“违规举报”。

碎片内容

基础工程检验批

您可能关注的文档

确认删除?
VIP
微信客服
  • 扫码咨询
会员Q群
  • 会员专属群点击这里加入QQ群
客服邮箱
回到顶部